Запчасти Case IH 600 (9-42[02]) - IMPLEMENT INPUT DRIVE, HEAVY DUTY ROCKWELL, 56 BLOWER (09) - CHASSIS/ATTACHMENTS

Схема запчастей Case IH 600 - (9-42[02]) - IMPLEMENT INPUT DRIVE, HEAVY DUTY ROCKWELL, 56 BLOWER (09) - CHASSIS/ATTACHMENTS
18
30
6
9
29
12
4
14
22
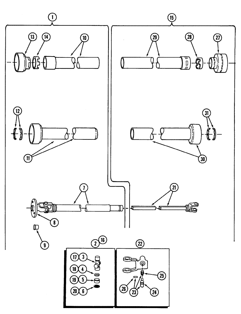
1
20
23
28
7
10
17
24
5
8
2
26
16
25
19
15
11
21
27
3
13
31
FIT
1:1
100%

Артикул

Название

Примечание

Количество

1

483420R91

JOINT

ASSEMBLY - implement end, single universal shielded, rear half

1шт.

2

470077R91

BEARING ASSY,1.025" ID x 1.5325" OD x 4.309"

KIT - center cross

1шт.

3

86636814

LUBE NIPPLE,1/4"-28 x .52" lg

FITTING - grease, straight, 1/4-28 special threads x 1/2"

1шт.

4

470080R1

OIL SEAL

WASHER - cup

4шт.

5

NSS

NOT SOLD SEPARAT

CUP - cross no longer available, order 470077R91 kit

4шт.

6

470081R1

RING

- snap

4шт.

7

483608R1

YOKE

- with tube

1шт.

8

483610R91

YOKE

- flanged

1шт.

9

469610R1

BUSHING

- flanged yoke

1шт.

10

NSS

NOT SOLD SEPARAT

SHIELD - tube inner, no longer available, order 60287C91 shield

1шт.

11

60287C91

SHIELD

- implement input drive

1шт.

12

493848R1

BEARING HALF

- nylon, shield

2шт.

13

NSS

NOT SOLD SEPARAT

SHIELD - yoke inner, no longer available, order 60287C91 shield

2шт.

14

NSS

NOT SOLD SEPARAT

SHIELD - bearing inner, no longer available, order 60287C91 shield

2шт.

15

483419R92

JOINT

ASSEMBLY - single universal shielded, front half

1шт.

16

470077R91

BEARING ASSY,1.025" ID x 1.5325" OD x 4.309"

KIT - center cross

1шт.

17

86636814

LUBE NIPPLE,1/4"-28 x .52" lg

FITTING - grease, straight, 1/4-28 special threads x 1/2"

1шт.

18

470080R1

OIL SEAL

WASHER - cup

4шт.

19

NSS

NOT SOLD SEPARAT

CUP - cross no longer available, order 470077R91 kit

4шт.

20

470081R1

RING

- snap

4шт.

21

483606R91

YOKE

- w/shaft, no longer available, see page 9-49 and order item 1, 76821C91 joint, implement end, and item 12, 76820C93 joint, tractor end

1шт.

22

470090R11

YOKE

- quick detachable

1шт.

23

455346R21

PIN

ASSEMBLY - yoke

1шт.

24

NSS

NOT SOLD SEPARAT

PIN - yoke

1шт.

25

455347R1

VALVE SPRING

SPRING - locking pin

1шт.

26

661406R1

LOCK WASHER,4.83mm ID x 18.542mm OD x 1.65mm Thk

- locking

1шт.

27

NSS

NOT SOLD SEPARAT

SHIELD - yoke outer, no longer available, order 60288C92 shield

2шт.

28

NSS

NOT SOLD SEPARAT

SHIELD - bearing outer, no longer available, order 60288C92 shield

2шт.

29

NSS

NOT SOLD SEPARAT

SHIELD - tube outer, no longer available, order 60288C92 shield

1шт.

30

60288C92

SHIELD

- outer, includes decal

1шт.

80672C1

DECAL

- Danger, rotating driveline, contact can cause death, not shown, see page 9-61 for decal

1шт.

31

493848R1

BEARING HALF

- nylon, shield

2шт.

Выбрано товаров: 32