Запчасти Case IH 120 (G-05) - GEAR BOX

Схема запчастей Case IH 120 - (G-05) - GEAR BOX
FIT
1:1
100%

Артикул

Название

Примечание

Количество

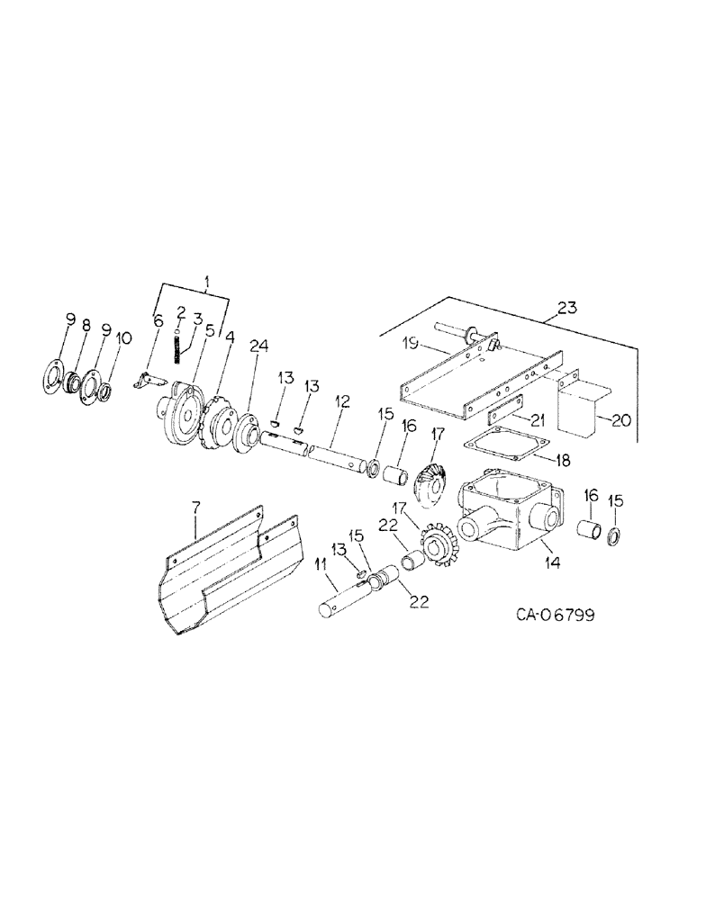
1

145720C1

CLUTCH

ASSY, safety trip

1шт.

2

55736C1

BALL,7/32" Dia

cr-stl

1шт.

3

55871C1

SPRING

trip clutch, 10 coils

1шт.

4

145717C1

SPROCKET ASSY.

SPROCKET, safety trip

1шт.

5

145719C1

CLUTCH

HOUSING, trip clutch, order clutch assy 145720C1

1шт.

21072R1

PIN,3/16" x 1", Coiled

1шт.

6

1281004C1

PIN

lock

1шт.

7

76516C1

SHIELD, PTO

1шт.

18778R1

SCREW,Hex, 3/8"-16 x 3/4", G2

BOLT, 3/8 x 3/4 type 1

2шт.

120382

LOCK WASHER,Helical Spring, 3/8"

WASHER, LOCK, 3/8"

2шт.

120377

NUT,3/8" - 16, Gr 5

2шт.

8

204807C91

BEARING ASSY,25.4mm ID x 52mm OD x 15mm W

BEARING, less collar, ball

8шт.

9

462360R1

FLANGED BEARING

brg

12шт.

10

455102R21

COLLAR

W/SET SCREW, brg locking

8шт.

11

55777C1

SHAFT

input - short

1шт.

617940R1

PIN,5/16" x 1 3/4", Coiled

1шт.

12

145714C1

SHAFT

output - long

1шт.

13

124553

WOODRUFF KEY,#15, 1/4" x 1", HT

7шт.

14

76515C1

CASE

W/BEARING, gear

1шт.

22210R1

SET SCREW,Hex Soc, 5/16"-18 x 1/2"

SCREW, 5/16 x 1/2 c/pt znp hdl/s set

2шт.

15

697494R91

OIL SEAL

SEAL, oil

3шт.

16

55702C1

BUSHING

BEARING, bronze

2шт.

17

55695C1

GEAR

miter

2шт.

18

55735C1

GASKET

cover

1шт.

19

145849C91

COVER ASSY

gear box

1шт.

20

55883C1

GUARD, shaft

1шт.

21

76523C1

FLAP, rubber PTO

1шт.

22

550850R91

NEEDLE BEARING

needle

2шт.

23

145713C91

BOX

W/COVER, gear, consists of ref. nos. 11 thru 22

1шт.

24

145716C1

FLANGE

1шт.

18655R1

BOLT,Hex, 1/4"-20 x 1", G2

1/4 x 1 type 1

1шт.

109084

NUT,1/4"-20, G5

2шт.

Выбрано товаров: 32