Запчасти Case IH 105 (C-17) - PIT FILLER ATTACHMENT

Схема запчастей Case IH 105 - (C-17) - PIT FILLER ATTACHMENT
FIT
1:1
100%

Артикул

Название

Примечание

Количество

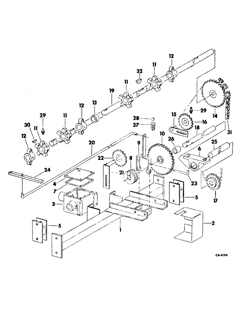
1

60571C1

MOUNT ASSY, transmission

1шт.

2

60592C1

SHIELD ASSY, center clutch

1шт.

3

76515C1

CASE

W/BUSHINGS, gear

1шт.

4

56070C1

COVER, gear box

1шт.

5

60572C1

SPACER ASSY

2шт.

6

60575C91

BEARING, pillow block

1шт.

7

55735C1

GASKET

cover

1шт.

8

55896C1

CLUTCH

SHIFTER, clutch

1шт.

9

60574C1

SHIFTER ASSY, clutch

1шт.

10

60573C1

CLUTCH ASSY, stationary

1шт.

11

55768C1

SPROCKET ASSY.

SPROCKET, drive, 5T

4шт.

102592

SET SCREW,Hex Skt, 3/8" - 16 x 3/8"

SCREW, 3/8-16 x 3/8 zn hex.

8шт.

12

60568C1

BEARING, take-off

3шт.

56062C1

SCREW

1/2-13 x 4 hex-hd cap full thd

6шт.

13

60569C1

SPACER

1шт.

14

63725C1

SPROCKET

1шт.

102592

SET SCREW,Hex Skt, 3/8" - 16 x 3/8"

SCREW, 3/8-16 x 3/8 zn hex.

2шт.

15

56066C1

BRACKET ASSY, tightener

1шт.

16

55885C1

SPROCKET ASSY.

SPROCKET, chain tightener

1шт.

17

63724C1

SPROCKET

2шт.

22210R1

SET SCREW,Hex Soc, 5/16"-18 x 1/2"

SCREW, 5/16-18 x 1/2 znd hex-soc-hdls cup pt set

1шт.

617943R1

PIN,5/16" x 2 1/2", Coiled

1шт.

18

60578C1

SHAFT, rear cross

1шт.

19

60567C1

SHAFT, drive

1шт.

20

60579C1

ROD, shifter

1шт.

21

55891C1

BRACKET

ASSY, idler

1шт.

22

55885C1

SPROCKET ASSY.

SPROCKET, chain tightener

1шт.

23

55905C1

PIN

clutch pivot

1шт.

24

60585C1

HANDLE

1шт.

25

60576C1

SHIELD, cross shaft

1шт.

26

55702C1

BUSHING

bronze

1шт.

27

55886C1

SPRING

1шт.

28

55736C1

BALL,7/32" Dia

chrome-stl

1шт.

192450

SET SCREW,Hex Soc, 5/16"-18 x 5/16"

SCREW, 5/16-18 x 5/16 zn hex-soc-hdls cup-pt set

1шт.

29

87414

LUBE NIPPLE,1/4" - 28

FITTING, 1/4-28 str lub

5шт.

30

124553

WOODRUFF KEY,#15, 1/4" x 1", HT

6шт.

31

CHAIN, right rear drive, use 73 links from 10 ft roll marked 1791D, and 1 connecting link, 1310D

1шт.

32

117992

WOODRUFF KEY,#E, 3/8" x 1 1/4", HT

KEY, 3/8 x 1-1/4 Woodruff E

1шт.

Выбрано товаров: 38