Запчасти Case IH 105 (C-03) - AUGER, RATCHET ASSY AND CONNECTIONS

Схема запчастей Case IH 105 - (C-03) - AUGER, RATCHET ASSY AND CONNECTIONS
FIT
1:1
100%

Артикул

Название

Примечание

Количество

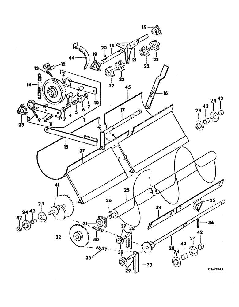
1

61324C1

RATCHET ASSY, 72T, replaces 55721C1, consists of ref nos 2 thru 11

1шт.

55753C1

SPACER, 1-1/4 x 1-5/8 pipe, for ratchet

1шт.

2

61320C1

WHEEL

ratchet, replaces 55748C1

1шт.

3

55778C1

SPRING

35 coils

1шт.

4

55747C1

BUSHING

SLEEVE, brg

1шт.

5

55725C91

BEARING ASSY,0.75" ID x 1.125" OD x 1"

ASSY, roller

1шт.

6

55746C1

BUSHING

ROLLER, cam follower

1шт.

7

55745C1

WASHER

SPACER

2шт.

8

55744C1

PAWL

1шт.

9

55743C1

ARM W/TAB ASSY, drive

1шт.

10

55755C1

ARM LESS TAB, drive

1шт.

11

55734C1

BOLT

SHAFT, eccentric follower

1шт.

12

55744C1

PAWL

1шт.

13

55778C1

SPRING

35 coils

1шт.

14

55740C1

SPRING

drive arm, 40-1/4 coils

1шт.

15

55751C1

LEVER, ratchet control

1шт.

16

55733C1

HANDLE, ratchet control, serial nos. 1462 and below

1шт.

16

61322C1

HANDLE, ratchet control, serial nos. 1463 and above

1шт.

17

55732C1

CONTROL ASSY, front cross, serial nos. 1462 and below

1шт.

17

61323C1

CONTROL ASSY, front cross, serial nos. 1463 and above

1шт.

18

55772C1

CHAIN, right rear drive

1шт.

19

55767C2

BUSHING

BEARING, 1-1/4 flange

2шт.

NLS

NO LONGER SERVICED

Pin, Grooved, 5/16" x 1 3/4", Type A

2шт.

20

117992

WOODRUFF KEY,#E, 3/8" x 1 1/4", HT

KEY, 3/8 x 1-1/4 Woodruff E aly-stl

1шт.

21

62590C1

CHANNEL

BEARING W/TWO BUSHINGS, 65591C1 & fitting, center, replaces 55771C1, 1 used regular, 3 used with pit filler attachment

1шт.

62591C1

BUSHING

center bearing, 2 per bearing

1шт.

22

55768C1

SPROCKET ASSY.

SPROCKET, drive

4шт.

23

55750C1

BEARING, 1-1/4 flange

1шт.

24

462360R1

FLANGED BEARING

bearing

6шт.

25

55918C1

AUGER

ASSY, replaces 55766C1

1шт.

26

1250998C1

KEY, 3/8 x 1 alloy

1шт.

27

80071C1

STRIP ASSY, rubber, replaces 145712C1

1шт.

28

55738C1

SHAFT ASSY, front cross

1шт.

29

56075C1

ARM

TIGHTENER ASSY, auger

1шт.

30

55891C1

BRACKET

idler

1шт.

31

913354R91

BEARING

ASSY, ball

1шт.

32

55919C1

SPROCKET ASSY.

SPROCKET, auger drive

1шт.

442864

PIN, 5/16 x 3-1/4 groove

1шт.

33

CHAIN, auger drive, use sixty-nine links from 10 ft roll marked, 1791D and one connecting link, 1310D

1шт.

34

55773C1

BAR

angle guide

1шт.

35

55770C1

BAR

safety trip

1шт.

36

55778C1

SPRING

35 coils

1шт.

37

55739C1

TIGHTENER, cam drive chain

1шт.

38

56066C1

BRACKET ASSY, tightener

1шт.

39

55885C1

SPROCKET ASSY.

SPROCKET, chain tightener

2шт.

40

CHAIN, eccentric drive, use ninety-four links from 10 ft roll marked 1791D, one connecting link 1310D and one offset link 1318D

1шт.

41

55742C1

ECCENTRIC

SHAFT ASSY, eccentric, serial nos. 1462 and below

1шт.

41

61321C1

SHAFT ASSY, eccentric, serial nos. 1463 and above

1шт.

42

455102R21

COLLAR

W/SET SCREW, brg locking

3шт.

43

204807C91

BEARING ASSY,25.4mm ID x 52mm OD x 15mm W

BEARING, less collar, ball, replaces 455965R92

3шт.

44

60594C1

SHIELD, ratchet pawl, for boxes w/rear unload

1шт.

45

61314C1

LINING

LINER, auger trough repair

1шт.

Выбрано товаров: 52