Запчасти Case IH 110 (D-05) - GEAR BOX

Схема запчастей Case IH 110 - (D-05) - GEAR BOX
FIT
1:1
100%

Артикул

Название

Примечание

Количество

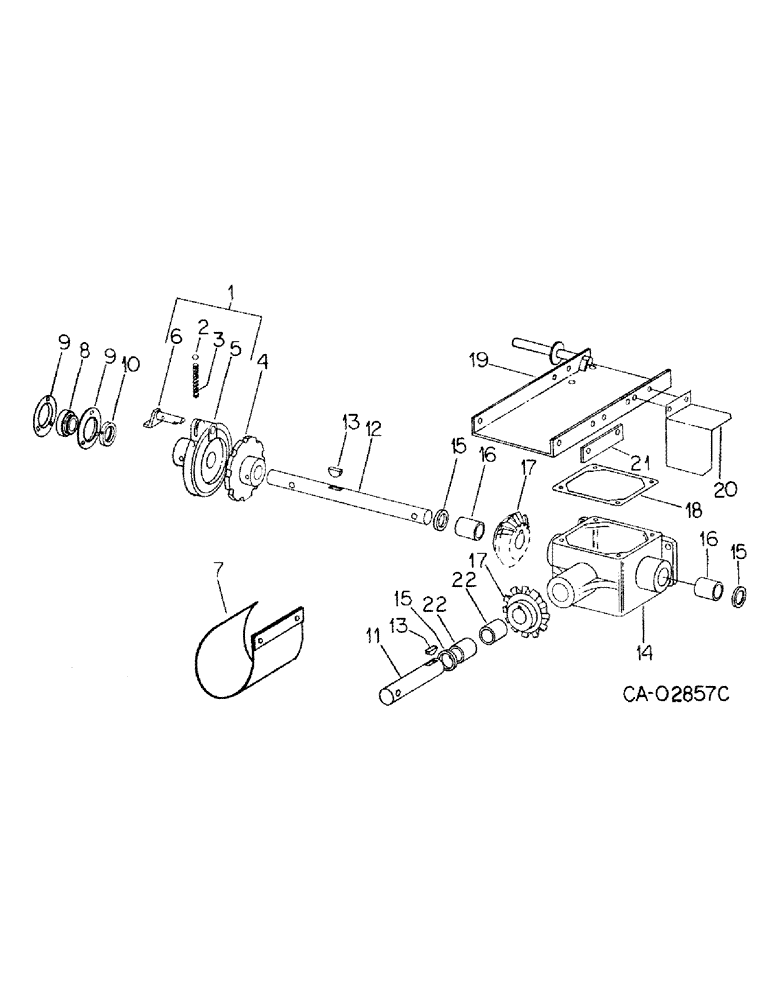
1

55868C1

CLUTCH

ASSY, safety trip

1шт.

2

55736C1

BALL,7/32" Dia

cr-stl

1шт.

3

55871C1

SPRING

trip clutch, coils

10шт.

4

55779C1

SPROCKET ASSY.

SPROCKET, safety trip

1шт.

5

55869C1

HUB

CLUTCH

1шт.

21072R1

PIN,3/16" x 1", Coiled

1шт.

6

55870C1

PIN

lock

1шт.

7

58759C1

SHIELD

SHEILD, PTO

1шт.

18778R1

SCREW,Hex, 3/8"-16 x 3/4", G2

BOLT, 3/8 x 3/4 znd hex-hd mach

2шт.

120382

LOCK WASHER,Helical Spring, 3/8"

WASHER, LOCK, 3/8"

2шт.

120377

NUT,3/8" - 16, Gr 5

2шт.

8

204807C91

BEARING ASSY,25.4mm ID x 52mm OD x 15mm W

BEARING, less collar, ball, replaces 455965R92

8шт.

9

462360R1

FLANGED BEARING

brg

12шт.

10

455102R21

COLLAR

W/SET SCREW, brg locking

8шт.

11

55777C1

SHAFT

input - short

1шт.

617940R1

PIN,5/16" x 1 3/4", Coiled

1шт.

12

56074C1

SHAFT

output - long

1шт.

13

NLS

NO LONGER SERVICED

1/4 x 1 Woodruff no. 15

6шт.

14

76515C1

CASE

BOX, gear, replaces 55916C1, 1977 and below

1шт.

14

76512C1

BOX ASSY W/SHIELD, 1978 and above

1шт.

22210R1

SET SCREW,Hex Soc, 5/16"-18 x 1/2"

SCREW, 5/16-18 x 1/2 hex-soc-hdls cup-pt set

2шт.

15

697494R91

OIL SEAL

SEAL, oil

3шт.

16

55702C1

BUSHING

BEARING, bronze, 4 used 1977 & below

2шт.

17

55695C1

GEAR

miter

2шт.

18

55735C1

GASKET

cover

1шт.

19

145849C91

COVER ASSY

COVER, gear box, replaces 58758C1 and 76514C1

1шт.

20

55883C1

GUARD, shaft

1шт.

21

76523C1

STRIP, rubber, 1978 and above

1шт.

22

550850R91

NEEDLE BEARING

needle, 1978 and above

2шт.

Выбрано товаров: 29