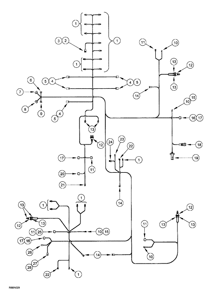
Запчасти Case IH AFS (04-36) - HARNESS (955 TRAILING AFS PLANTER - 1999, 12 ROW NARROW, 16 ROW NARROW AND 12/23 SRC) (55) - ELECTRICAL SYSTEMS

Схема запчастей Case IH AFS - (04-36) - HARNESS (955 TRAILING AFS PLANTER - 1999, 12 ROW NARROW, 16 ROW NARROW AND 12/23 SRC) (55) - ELECTRICAL SYSTEMS
17
28
6
22
11
11
13
15
19
10
16
12
1
12
25
7
10
20
2
1
14
9
5
3
14
17
1
10
11
1
13
26
23
13
15
16
12
17
11
10
1
21
18
12
27
13
13
8
5
4
4
22
24
5
1
14
1
4
13
13
FIT
1:1
100%

Артикул

Название

Примечание

Количество

323276A1

HARNESS

main, 12RN and 16RN and 12/23 SRC, Includes Ref: 1-28

1шт.

1

245482C1

ELEC CONNECTOR,2 Pin

wire

16шт.

2

245485C1

ELEC CONNECTOR,Male, 3 Pin

receptacle

1шт.

3

A187874

MODULE

MODULE

1шт.

4

297910A1

ELEC CONNECTOR,Female, 5 Pin

5-way

5шт.

5

293256A1

RELAY

12 volt, 40 amp.

5шт.

6

323482A1

CONNECTOR, ELEC

CONNECTOR electrical

1шт.

7

323485A1

CONNECTOR, ELEC

CONNECTOR electrical

1шт.

8

323487A1

CONNECTOR, ELEC

CONNECTOR electrical

1шт.

9

323484A1

CONNECTOR, ELEC

CONNECTOR electrical

1шт.

10

225316C1

ELEC CONNECTOR,Female, 2 Pin

electrical

4шт.

11

225402C1

CONNECTOR, ELEC

CONNECTOR electrical

4шт.

12

298495A1

ELEC CONNECTOR,4 Pin

electrical

4шт.

13

298496A1

ELEC CONNECTOR,4 Pin

plug, 4 Pin

1шт.

14

296483A1

ELEC CONNECTOR,Male, 5 Pin

electrical

4шт.

15

225315C1

ELEC CONNECTOR,Male, 2 Pin

wedge, plugs into Ref. 10

2шт.

16

225388C1

ELEC CONNECTOR,Male, 12 Pin

electrical, type NA, plugs into Ref. 17

2шт.

17

225389C1

CONNECTOR, ELEC

CONNECTOR electrical

3шт.

18

279043A1

ELEC CONNECTOR,Female, 9 Pin

electrical, to tractor power

1шт.

19

121646C1

TERMINAL CONNECTOR,Female

male, 7 pin, to tractor lights

1шт.

20

225465C1

CONNECTOR, ELEC

CONNECTOR electrical

1шт.

21

225403C1

CONNECTOR, ELEC

CONNECTOR electrical

1шт.

22

296482A1

ELEC CONNECTOR,Female, 5 Pin

electrical

2шт.

23

276424A1

ELEC CONNECTOR,Female, 3 Pin

electrical

1шт.

24

245484C1

ELEC CONNECTOR,3 Pin

plug 3 Pin

1шт.

25

225400C1

CONNECTOR, ELEC

CONNECTOR electrical

1шт.

26

239451A1

MULTIPOLE CONNECTOR,Female, 4 Pin

4-cav plug DT series, terminator

1шт.

27

225160C1

ELEC CONNECTOR,Female, 3 Pin

electrical

1шт.

28

225291C1

DUST CAP

electrical, calibration switch plugs into Ref. 27

1шт.

323081A1

PANEL

fuse, see Figure 04-50 , Ref. 7, harness connects to this item, not shown

1шт.

323288A1

HARNESS

Cyclo MCC, see Figure 04-38, harness connects to this item, not shown

1шт.

323344A1

HARNESS

Cyclo Gateway, see Figure 04-40, harness connects to this item, not shown

1шт.

293800A2

SENSOR

Smart seed, see Figure 04-60, Ref. 1, harness connects to this item, not shown

1шт.

322963A1

BOARD, PRINTED CIRCU

IT MODULE planter fold, see Figure 04-60 Ref. 2, harness connects to this item, not shown

1шт.

323597A1

MULTIPOLE CONNECTOR

implement, electrical, see Figure 05-08, 05-16, 05-24, 05-28 Ref. 2, harness connects to this item, not shown

1шт.

192052A1

REPAIR KIT

lamp, see 7-1603, 955 Trailing Planter parts catalog, harness connects to this item, not shown

1шт.

1983416C2

SWITCH

remote tether, see Figure 04-61 Ref. 3, harness connects to this item, not shown

1шт.

284638A2

ELEC CONNECTOR,4 Pin

CONNECTOR terminator, active, see Figure 05-18, harness connects to this item, not shown

1шт.

91986C91

LIGHT

LAMP ASSEMBLY, see Figure 04-57 Ref. 17, harness connects to this item, not shown

1шт.

330315A1

BOARD, PRINTED CIRCU

IT MODULE monitor interface controller, see Figure 04-61 Ref. 4, harness connects to this item, not shown

1шт.

405514A1R

REMAN ELECT CONTROL

AFS ADVANCED FARMING SYSTEM (NORTH AMERICA), IT MODULE monitor interface controller (5/99-), Reman for New PN 330315A1

1шт.

405514A1C

CORE-ELECTRONIC CONT

Return Number

1шт.

324313A2

KIT

SWITCH limit, see page 4-53, 4-55 Ref. 1, harness connects to this item, not shown

1шт.

324049A1

SENSOR

speed hall, see Figure 04-52, 04-54 Ref. 21, harness connects to this item, not shown

1шт.

240737A2

VALVE

VALVE ASSEMBLY control, see 7-1603R2, 955 Trailing Planter parts catalog Figure 08-155A, harness connects to this item, not shown

1шт.

Выбрано товаров: 45