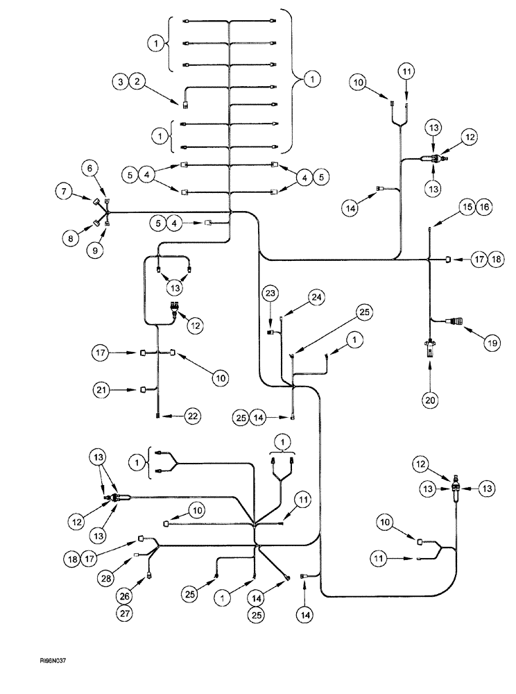
Запчасти Case IH AFS (04-48) - HARNESS (955 TRAILING AFS PLANTER - 1999, 24 ROW NARROW) (55) - ELECTRICAL SYSTEMS

Схема запчастей Case IH AFS - (04-48) - HARNESS (955 TRAILING AFS PLANTER - 1999, 24 ROW NARROW) (55) - ELECTRICAL SYSTEMS
11
13
1
14
10
24
5
1
23
12
10
14
17
13
27
14
25
11
12
22
28
1
1
20
15
1
7
19
26
13
25
13
4
21
10
5
13
5
1
9
8
14
13
18
12
12
16
4
17
10
6
4
17
18
1
25
25
13
3
11
2
FIT
1:1
100%

Артикул

Название

Примечание

Количество

1

323445A1

HARNESS

main, 24RN only, Includes Ref: 1-28

1шт.

1

245482C1

ELEC CONNECTOR,2 Pin

wire

1шт.

2

245485C1

ELEC CONNECTOR,Male, 3 Pin

receptacle

1шт.

3

A187874

MODULE

MODULE

1шт.

4

297910A1

ELEC CONNECTOR,Female, 5 Pin

5-way

1шт.

5

293256A1

RELAY

12 volt, 40 amp.

1шт.

6

323482A1

CONNECTOR, ELEC

CONNECTOR electrical

1шт.

7

323485A1

CONNECTOR, ELEC

CONNECTOR electrical

1шт.

8

323487A1

CONNECTOR, ELEC

CONNECTOR electrical

1шт.

9

323484A1

CONNECTOR, ELEC

CONNECTOR electrical

1шт.

10

225402C1

CONNECTOR, ELEC

CONNECTOR electrical

1шт.

11

225316C1

ELEC CONNECTOR,Female, 2 Pin

electrical

1шт.

12

298495A1

ELEC CONNECTOR,4 Pin

electrical

1шт.

13

298496A1

ELEC CONNECTOR,4 Pin

plug, 4 Pin

1шт.

14

296483A1

ELEC CONNECTOR,Male, 5 Pin

electrical

1шт.

15

225315C1

ELEC CONNECTOR,Male, 2 Pin

wedge

1шт.

16

225316C1

ELEC CONNECTOR,Female, 2 Pin

electrical

1шт.

17

225389C1

CONNECTOR, ELEC

CONNECTOR electrical

1шт.

18

225388C1

ELEC CONNECTOR,Male, 12 Pin

electrical, type NA

1шт.

19

279043A1

ELEC CONNECTOR,Female, 9 Pin

electrical

1шт.

20

121646C1

TERMINAL CONNECTOR,Female

male, 7 pin

1шт.

21

225465C1

CONNECTOR, ELEC

CONNECTOR electrical

1шт.

22

225403C1

CONNECTOR, ELEC

CONNECTOR electrical

1шт.

23

245484C1

ELEC CONNECTOR,3 Pin

plug 3 Pin

1шт.

24

276424A1

ELEC CONNECTOR,Female, 3 Pin

electrical

1шт.

25

296482A1

ELEC CONNECTOR,Female, 5 Pin

electrical

1шт.

26

225160C1

ELEC CONNECTOR,Female, 3 Pin

electrical

1шт.

27

225291C1

DUST CAP

electrical

1шт.

28

239451A1

MULTIPOLE CONNECTOR,Female, 4 Pin

4-cav plug, DT series

1шт.

323081A1

PANEL

fuse, see Figure 04-50, Ref. 7, harness connects to this item, not shown

1шт.

323288A1

HARNESS

Cyclo MCC, see Figure 04-38, harness connects to this item, not shown

1шт.

323344A1

HARNESS

Cyclo Gateway, see Figure 04-40, harness connects to this item, not shown

1шт.

293800A2

SENSOR

smart seed, see Figure 04-60 Ref. 1, harness connects to this item, not shown

1шт.

322963A1

BOARD, PRINTED CIRCU

IT MODULE planter fold, see Figure 04-60 Ref. 2, harness connects to this item, not shown

1шт.

323597A1

MULTIPOLE CONNECTOR

implement, electrical, see Figure 05-08, 5-16, 5-24, 5-28 Ref. 2, harness connects to this item, not shown

1шт.

192052A1

REPAIR KIT

lamp, see 7-1603, 955 Trailing Planter parts catalog, harness connects to this item, not shown

1шт.

1983416C2

SWITCH

remote tether, see Figure 04-60 Ref. 3, harness connects to this item, not shown

1шт.

284638A2

ELEC CONNECTOR,4 Pin

terminator, active, see Figure 05-18, harness connects to this item, not shown

1шт.

91986C91

LIGHT

ASSEMBLY, see Figure 04-56 Ref. 17, harness connects to this item, not shown

1шт.

330315A1

BOARD, PRINTED CIRCU

IT MODULE monitor interface controller, see Figure 04-60 Ref. 4, harness connects to this item, not shown

1шт.

405514A1R

REMAN ELECT CONTROL

AFS ADVANCED FARMING SYSTEM (NORTH AMERICA), IT MODULE monitor interface controller (5/99-), Reman for New PN 330315A1

1шт.

405514A1C

CORE-ELECTRONIC CONT

Return Number

1шт.

324313A2

KIT

SWITCH limit, see page 4-53, 4-55 Ref. 1, harness connects to this item, not shown

1шт.

324049A1

SENSOR

speed hall, see figure 04-52, 04-54 Ref. 21, harness connects to this item, not shown

1шт.

240737A2

VALVE

ASSEMBLY control, see 7-1603R2, 955 Trailing Planter parts catalog, Figure 08-155A, harness connects to this item, not shown

1шт.

Выбрано товаров: 45