Запчасти Case IH AFS (05-10) - HARNESS (MX, 5100, 5200 MAXXUM ROPS/CANOPY, 7100, 7200, 8900 SERIES, C50-C100 PLATFORM AND STRADDLE) (55) - ELECTRICAL SYSTEMS

Схема запчастей Case IH AFS - (05-10) - HARNESS (MX, 5100, 5200 MAXXUM ROPS/CANOPY, 7100, 7200, 8900 SERIES, C50-C100 PLATFORM AND STRADDLE) (55) - ELECTRICAL SYSTEMS
21
3
1
20
10
11
14
9
3
11
4
6
9
2
3
5
13
10
12
8
3
FIT
1:1
100%

Артикул

Название

Примечание

Количество

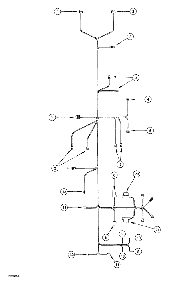
328105A1

HARNESS

8900 tractor, Includes Ref: 1-14

1шт.

1

223679A1

MULTIPOLE CONNECTOR,Female, 12 Pin

12-way DTM plug, black

1шт.

2

223671A1

CONTACT HOUSING,Female, 12 Pin

12-way DTM plug, gray

1шт.

3

298496A1

ELEC CONNECTOR,4 Pin

plug, 4 Pin

8шт.

4

182081A1

TERMINAL CONNECTOR,Female, 5 Pin

tower 5-way metri-pak

1шт.

5

225320C1

ELEC CONNECTOR

electrical

1шт.

6

296541A1

RELAY

80 amp.

1шт.

8

293256A1

RELAY

12 volt, 40 amp.

1шт.

9

280384A1

ELEC. TERMINAL PIN

size 8

2шт.

10

280386A1

ELEC CONNECTOR,Nickel, 2.0 - 3.0mm

size 12

2шт.

11

239451A1

MULTIPOLE CONNECTOR,Female, 4 Pin

4-cav plug DT series

2шт.

12

225316C1

ELEC CONNECTOR,Female, 2 Pin

electrical

1шт.

13

245482C1

ELEC CONNECTOR,2 Pin

wire

1шт.

14

310057A1

ELEC CONNECTOR,Male, 9 Pin

HD 10 series Receptacle

1шт.

20

338055A1

FUSE,30A, Maxival, Green

1шт.

21

338055A1

FUSE,30A, Maxival, Green

1шт.

Выбрано товаров: 0