Запчасти Case IH AFS (05-22) - HARNESS - INSIDE CAB (5100 AND 5200 SERIES, CX50 - CX100 TRACTORS, MX MAXXUM TRACTORS) (55) - ELECTRICAL SYSTEMS

Схема запчастей Case IH AFS - (05-22) - HARNESS - INSIDE CAB (5100 AND 5200 SERIES, CX50 - CX100 TRACTORS, MX MAXXUM TRACTORS) (55) - ELECTRICAL SYSTEMS
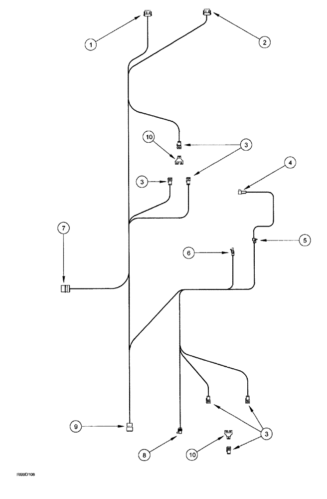
3
10
6
8
4
3
1
9
5
2
3
10
7
FIT
1:1
100%

Артикул

Название

Примечание

Количество

1

223679A1

MULTIPOLE CONNECTOR,Female, 12 Pin

12-way DTM plug, black, Includes Ref: 1-10

1шт.

2

223671A1

CONTACT HOUSING,Female, 12 Pin

12-way DTM plug, gray

1шт.

3

298496A1

ELEC CONNECTOR,4 Pin

plug, 4 Pin

6шт.

4

227729A1

CONNECTOR, ELEC

CONNECTOR 3-way receptical

1шт.

5

227728A1

CONNECTION,ELECTRIC

3-way receptical, unsealed

1шт.

6

245482C1

ELEC CONNECTOR,2 Pin

wire

1шт.

7

310057A1

ELEC CONNECTOR,Male, 9 Pin

HD 10 series Receptacle

1шт.

8

182081A1

TERMINAL CONNECTOR,Female, 5 Pin

tower 5-way metri-pak, GPS

1шт.

9

328867A1

CONNECTOR, ELEC

CONNECTOR AFS

1шт.

10

298495A1

ELEC CONNECTOR,4 Pin

electrical

2шт.

Выбрано товаров: 0