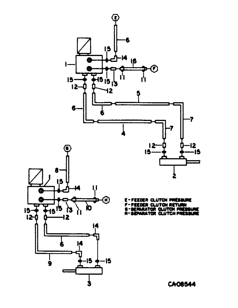
Запчасти Case IH 1420 (10-12) - HYDRAULICS, FEEDER AND SEPARATOR CLUTCH CYLINDER DIAGRAM (07) - HYDRAULICS

Схема запчастей Case IH 1420 - (10-12) - HYDRAULICS, FEEDER AND SEPARATOR CLUTCH CYLINDER DIAGRAM (07) - HYDRAULICS
15
11
12
11
14
6
10
6
15
1
12
15
7
15
6
15
6
12
14
15
14
7
14
12
11
5
9
12
8
2
15
15
15
11
13
15
15
13
12
4
15
3
15
FIT
1:1
100%

Артикул

Название

Примечание

Количество

1

VALVE ASSY, feeder and separator clutch, for details refer to this group under feeder and separator clutch valve

2шт.

2

133405C91

CYLINDER ASSY.

CYLINDER ASSY, feeder clutch, for service parts refer to cyl-1 section b

1шт.

2

87337239R

REMAN-HYD CYLINDER

1420 INTERNATIONAL HARVESTER COMBINE (NORTH AMERICA), CYLINDER ASSY, feeder clutch, for service parts refer to cyl-1 section b (1/80-12/82), Reman for New PN 133405C91

1шт.

2

87337239C

CORE-HYD CYLINDER

Return Number

1шт.

63884C92

SEAL KIT

KIT, cylinder service

1шт.

3

133408C91

CYLINDER

ASSY, separator clutch, for service parts refer to cyl-1 section b

1шт.

63884C92

SEAL KIT

KIT, cylinder service

1шт.

4

1301243C1

TUBE

ASSY, feeder clutch

1шт.

5

1301244C2

HYD TUBE

TUBE ASSY, feeder clutch

1шт.

6

155309C91

HYDRAULIC HOSE,0.31" ID x 20.00", SAE 100R1

Feeder and Separator Clutch 0.31" ID x 20.00", SAE 100R1

4шт.

7

632454R91

HYDRAULIC HOSE,0.31" ID x 30.00", SAE 100R1 Class B

HOSE ASSY, feeder clutch pressure

2шт.

8

172763C1

HOSE ASSY.

HOSE ASSY, separator clutch pressure

1шт.

9

598931R91

HYDRAULIC HOSE,9.65 mm ID x 431.80 mm, SAE 100R1

HOSE ASSY, separator clutch, 17 in., 431.8 mm

1шт.

10

HOSE, separator clutch return, furnish 12.5 in. of 3/8 ID hose from 25 ft. roll marked S118400

1шт.

11

244713R1

HOSE CLAMP,#4, 0.25/0.62 Type M Worm

CLAMP, clutch return hose

4шт.

12

9410202

HYD CONNECTOR,9/16"-18, 37 Degree x 9/16"-18, O-Ring

CONNECTOR, 3/8 in. x 37 deg short

6шт.

13

178036C1

CONNECTOR, ELEC

CONNECTOR, 9/16-18 x 3/8 in.

2шт.

14

9410976

ELBOW,90 Degree, 9/16"-18, 37 Degree x 9/16"-18, O-Ring

9/16-18 37 deg flare 90 deg

4шт.

15

364839R1

O-RING,0.078" Thk x 0.468" ID, -906, Cl 6, 90 Duro

6-1, 90 Duro, .468" ID x .078" Thk, 3/8 OD tube, class 6

12шт.

16

HOSE, feeder clutch return, furnish 15.5 in. of 3/8 ID hose from 25 ft. roll marked S118400

1шт.

Выбрано товаров: 20