Запчасти Case IH 1420 (10-18) - HYDRAULICS, HYDROSTATIC PUMP, CYLINDER BLOCK, EATON (07) - HYDRAULICS

Схема запчастей Case IH 1420 - (10-18) - HYDRAULICS, HYDROSTATIC PUMP, CYLINDER BLOCK, EATON (07) - HYDRAULICS
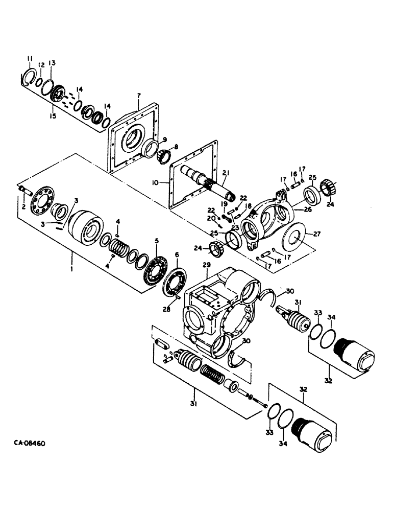
29
28
16
2
14
3
17
30
12
5
17
22
17
23
15
1
30
19
24
33
7
8
26
20
4
31
22
34
27
6
16
18
25
11
9
10
13
14
21
4
31
33
24
34
25
32
32
17
3
FIT
1:1
100%

Артикул

Название

Примечание

Количество

1252339C92

PUMP

ASSY, hydrostatic drive, Eaton, renewed, Includes: bolt, nut and washers

1шт.

1958072C1

PUMP, HYDROSTATIC

HYDROSTATIC PUMP

1шт.

1958073C1

REMAN-HYDROSTAT PUMP

Remanufactured Hydrostatic Pump

1шт.

1958074C1

CORE-HYDROSTAT PUMP

Return Number, Hydrostatic Pump

1шт.

180183

BOLT,Hex, 1/2" - 13 x 2 1/4", Gr 5

1/2 x 2-1/4 type 5

1шт.

120378

NUT,Hex, 1/2" - 13, Gr 5

NUT, 1/2"-13, G5

1шт.

120384

WASHER,1/2"

LOCK, 1/2"

1шт.

283856C1

WASHER

17/32 x 1 x .188

1шт.

1

140777C91

KIT

rotating group

1шт.

2

140778C1

PISTON

cylinder block

9шт.

3

140779C1

PIN

pre-loading dowl

6шт.

4

140754C1

PIN

bearing plate dowl

2шт.

5

140780C1

BEARING WASHER

bearing

1шт.

6

1255222C1

PLATE

RH pump valve

1шт.

7

FLANGE, mounting, not serviced separately, order pump 1252339C92

1шт.

179860

BOLT,Hex, 7/16" - 14 x 1 1/4", Gr 5

7/16 x 1-1/4 pln type 5

1шт.

8

636826R91

BEARING ASSY,44.45 mm ID x 51 mm OD x 25.4 mm

BEARING ASSY, input shaft cone

1шт.

9

130503H

BEARING CUP

BEARING, input shaft cup

1шт.

10

140784C1

GASKET

mounting flange

1шт.

11

606937C1

SNAP RING,2.835", Int, #281

Ring, Snap, 2.835", Int, #281

1шт.

12

24472R1

O-RING,0.07" Thk x 1.334" ID, -28, Cl 6, 90 Duro

1-3/8 x 1-1/2 x 1/16 shaft seal

1шт.

13

383017R1

O-RING,0.103" Thk x 2.55" ID, -145, Cl 5, 75 Duro

2-9/16 x 2-3/4 x 3/32 shaft seal

1шт.

14

22278R1

O-RING,0.103" Thk x 1.674" ID, -131, Cl 5, 75 Duro

1-11/16 x 1-7/8 x 3/32 shaft seal

2шт.

15

142518C92

PACKAGE

KIT, shaft seal, consists of retainer (NSS), springs (NSS), seal (NSS), seal (NSS), ref SB 036 87

1шт.

Hydrostatic pump & motor seal installation inst.

1шт.

606937C1

SNAP RING,2.835", Int, #281

Ring, Snap, 2.835", Int, #281

1шт.

24472R1

O-RING,0.07" Thk x 1.334" ID, -28, Cl 6, 90 Duro

1шт.

383017R1

O-RING,0.103" Thk x 2.55" ID, -145, Cl 5, 75 Duro

1шт.

22278R1

O-RING,0.103" Thk x 1.674" ID, -131, Cl 5, 75 Duro

1шт.

16

140766C1

PIN,14.22mm OD x 39.12mm L

servo linkage

2шт.

17

28145R1

SNAP RING,#56, Ext

Ring, Snap, #56, Ext

4шт.

18

133757C1

PIN

linkage

1шт.

19

142387C1

PIPE FITTING

LINK, control valve

1шт.

20

133758C1

SPRING

PIN, hitch

1шт.

21

142411C2

SHAFT

input

1шт.

22

875777R1

SNAP RING,#25, Ext

Ring, Snap, , replaces 233045R1 #25, Ext

1шт.

23

140765C1

PIN

control valve link

1шт.

24

399933C91

ROLLER BEARING,45.24mm ID x 19.81mm W

BEARING ASSY, trunnion cone

2шт.

25

399934C1

BEARING CUP,73.43mm OD x 15.75mm W

BEARING, trunnion cup

2шт.

26

142385C1

HOUSING

variable swash plate

1шт.

27

142388C1

PLATE

thrust, thick, .230 x 4.92 in.

1шт.

28

140754C1

PIN

pump valve plate dowl

1шт.

29

HOUSING, variable, not serviced separately, order pump 1252339C92

1шт.

30

140774C1

RETAINER

servo

2шт.

28144R1

HEX SOC SCREW,#8 - 32 x 3/8"

SCREW, 8 x 3/8 h/shd cap

1шт.

31

1255223C1

PISTON ASSY.

PISTON ASSY, servo

2шт.

32

140773C1

KIT

servo sleeve

2шт.

33

22280R1

O-RING,0.103" Thk x 2.425" ID, -143, Cl 5, 75 Duro

2-7/16 x 2-5/8 x 3/32 servo sleeve

2шт.

34

383018R1

O-RING,2.675" ID x 0.103" Width

2-11/16 x 2-7/8 x 3/32 servo sleeve

2шт.

Выбрано товаров: 49