Запчасти Case IH 1420 (21-03) - THRESHING ROTOR AND CONCAVES, ROTOR, RICE AND EDIBLE BEAN (14) - THRESHING

Схема запчастей Case IH 1420 - (21-03) - THRESHING ROTOR AND CONCAVES, ROTOR, RICE AND EDIBLE BEAN (14) - THRESHING
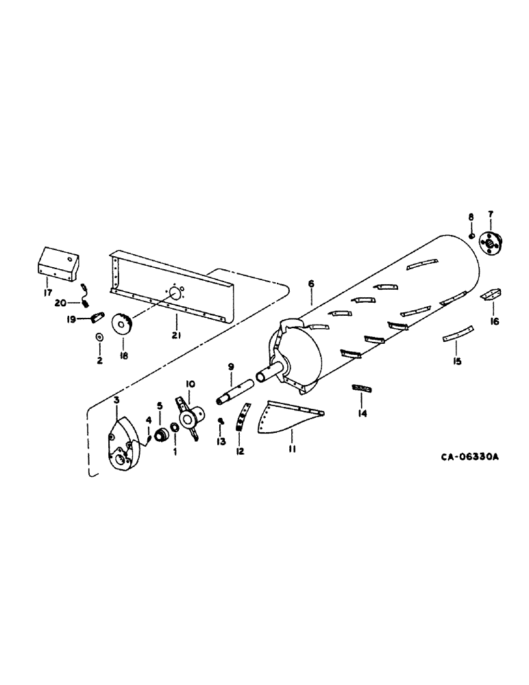
19
7
1
14
20
11
10
17
18
8
16
4
13
5
3
15
21
2
6
9
12
FIT
1:1
100%

Артикул

Название

Примечание

Количество

1

183449C1

WASHER,51.56mm ID x 69.85mm OD x 0.76mm Thk

WASHER, front brg hsg

1шт.

2

70330C1

WASHER,19.84mm ID x 63.5mm OD x 6.35mm Thk

rotor front shaft

1шт.

3

1309076C1

BEARING HOUSING

rotor front bearing, replaces 192956C2, Includes: screws, nuts, bolt and washer

1шт.

179464C1

SERRATED SCREW,Sl Truss Hd, 3/8" - 16 x 1 1/4"

3/8 x 1-1/4 slt-truss-hd

1шт.

482256R1

BEARING LOCK NUT,Flg, USR, 3/8"-16

3/8 flange lock

1шт.

180177

BOLT,Hex, 1/2" - 13 x 1 1/2", Gr 5

1/2 x 1-1/2 type 5

1шт.

120378

NUT,Hex, 1/2" - 13, Gr 5

NUT, 1/2"-13, G5

1шт.

120384

WASHER,1/2"

LOCK, 1/2"

1шт.

161945C1

SERRATED SCREW,Sl Truss Hd, 5/16" - 18 x 1"

5/16 x 1 znp slt-truss-hd

1шт.

938017R1

FLANGE NUT,Flg, USR, 5/16"-18

5/16 flange lock

1шт.

4

87414

LUBE NIPPLE,1/4" - 28

FITTING, 1/4-28 str lub

1шт.

5

193282C91

BEARING ASSY,50.8 mm ID x 100 mm OD x 55.5 mm

rotor front

1шт.

6

1317404C91

ROTOR

ASSY, rice, Includes: Ref. nos. 7, 9, 10 and 13, replaces 1303174C97

1шт.

6

1327671C91

ROTOR

ASSY, edible bean, replaces 1303174C97

1шт.

7

1303175C91

HUB

COUPLING ASSY, rotor drive, Includes: bolt, washer and Ref. no. 8

1шт.

25281R1

BOLT,Hex, 1/2" - 13 x 2 3/4", Gr 8

1/2 x 2-3/4 phc type 8

1шт.

120384

WASHER,1/2"

LOCK, 1/2"

1шт.

540468R1

WASHER,13.49mm ID x 38.1mm OD x 3.05mm Thk

.531 x 1.500 x .12 hardened

1шт.

8

186808C1

DAMPER

BUSHING, rotor drive coupling, package of 4

1шт.

9

188470C1

SHAFT

rotor front, Includes: bolt and washers

1шт.

18837R1

BOLT,Hex, 3/4" - 10 x 1 3/4", Gr 2

3/4 x 1-3/4 type 1

1шт.

87340

LOCK WASHER,Helical Spring, 0.759" ID, CST, ZND

WASHER, LOCK, 3/4"

1шт.

22811R1

WASHER

2.031 x 2.750 x .067

1шт.

10

183366C2

IMPELLER

rotor front, Includes: pins

1шт.

22109R1

HEADED PIN

PIN, 3/4 x 4.500 hd type 5

1шт.

217973

COTTER PIN,1/4" x 1 1/4"

Pin, Split (Cotter), 1/4" x 1-1/4"

1шт.

11

1957447C1

PACKAGE

BLADE KIT, impeller, replaces package 186809C3, Includes: bolt, nut and washer

2шт.

20534R1

BOLT,Hex, 1/2" - 13 x 1 3/4", Gr 8

1/2 x 1-3/4 type 8

1шт.

9412230

LOCK NUT

1/2 phc p/t lock type 8

1шт.

25555R1

WASHER,17/32" x 1 1/4" x .188", HDN

.531 x 1.250 x .188 phc hdn

1шт.

12

183253C2

BAR

wear, bean only, replaces package 183409C1

2шт.

12

1309185C1

SUPPORT

BAR, wear, rice only, Includes: bolts, nut and washer

2шт.

25281R1

BOLT,Hex, 1/2" - 13 x 2 3/4", Gr 8

1/2 x 2-3/4 phc type 8

1шт.

236486R1

BOLT,Hex, 1/2" - 13 x 3", Gr 8

1шт.

9412230

LOCK NUT

1/2 phc p/t lock type 8

1шт.

25555R1

WASHER,17/32" x 1 1/4" x .188", HDN

.531 x 1.250 x .188 phc hdn

1шт.

13

183254C1

HEX SOC SCREW,Flat Hd, 1/2"-13 x 1 1/2"

SCREW, blade wear reinforcing bar, Includes: nut and washer

6шт.

9412230

LOCK NUT

1/2 phc p/t lock type 8

1шт.

25555R1

WASHER,17/32" x 1 1/4" x .188", HDN

.531 x 1.250 x .188 phc hdn

1шт.

14

1309175C1

BAR

rasp with spike rice, Includes: bolt, nut and washer

14шт.

20537R1

BOLT,Hex, 3/8" - 16 x 1 1/4", Gr 8

3/8 x 1-1/4 type 8

1шт.

9413979

LOCK NUT,3/8"-16, GC

NUT, 3/8 phc p/t lock type 8

1шт.

25896R1

WASHER,13/32" x 13/16" x .09", HDN

.406 x .812 x .089 phc hdn

1шт.

14

1309336C1

BAR

rasp without spike, 22 used on rice rotor, 36 used on bean rotor, Includes: screw

1шт.

1310255C1 for old style rotor

1шт.

If rasp bar has 188466C2 on it, use 1310246C1

1шт.

204060C1

BOLT,Hex Serr Flg, 1/2" - 13 x 1 1/4"

SCREW, 1/2 x 1-1/4 hex-hd flange

1шт.

186852C1

FLANGE NUT,Hex, 1/2"-13, Lock

1/2 hex prevailing torque

1шт.

15

1318976C1

BAR

separator, bean rotor only, Includes: screw

2шт.

1303160C2 for old style rotor

1шт.

204060C1

BOLT,Hex Serr Flg, 1/2" - 13 x 1 1/4"

SCREW, 1/2 x 1-1/4 hex-hd flange

4шт.

186852C1

FLANGE NUT,Hex, 1/2"-13, Lock

1/2 p/t flange type 8

4шт.

16

1321506C1

ANGLE

kicker, Includes: screw

2шт.

183335C3 for old style rotor

1шт.

204060C1

BOLT,Hex Serr Flg, 1/2" - 13 x 1 1/4"

SCREW, 1/2 x 1-1/4 hex-hd flange

1шт.

186852C1

FLANGE NUT,Hex, 1/2"-13, Lock

1/2 hex prevailing torque

1шт.

18

198527C1

ROTOR

multi-position tachometer rotor speed magnetic pickup

1шт.

19

1301239C1

BRACKET

ANGLE, rotor tachometer magnetic pickup

1шт.

20

1301241C1

SENSOR

CONVERTOR, reluctance pickup, Includes: nut

1шт.

107827

NUT,Stamped, 3/4"-16

3/14 zn stamped

1шт.

21

194206C3

SUPPORT

ASSY, front bearing, Includes: nut and screw

1шт.

487374R1

BEARING LOCK NUT,Flg, USR, 1/2"-13

1/2 flange lock

1шт.

204060C1

BOLT,Hex Serr Flg, 1/2" - 13 x 1 1/4"

SCREW, 1/2 x 1-1/4 slt-truss-hd

1шт.

180953C92

KIT

PACKAGE, rotor rear extension bars, for straw chopper, consists of

1шт.

183335C3

SUPPORT

EXTENSION, rear rotor bar, Includes: bolt, nut and washer

2шт.

140483H

BOLT,Hex, 3/8" - 16 x 1 1/4", Gr 8, Full Thd

4шт.

482256R1

BEARING LOCK NUT,Flg, USR, 3/8"-16

3/8 flange lock

4шт.

25896R1

WASHER,13/32" x 13/16" x .09", HDN

.406 x .812 x .089 phc hdn, instructions (NSS)

4шт.

Выбрано товаров: 68