Запчасти Case IH 1420 (04-04) - BRAKE, MASTER BRAKE CONTROL, S/N 2981 AND ABOVE (5.1) - BRAKES

Схема запчастей Case IH 1420 - (04-04) - BRAKE, MASTER BRAKE CONTROL, S/N 2981 AND ABOVE (5.1) - BRAKES
27
9
16
16
18
9
9
12
26
4
19
20
32
3
29
15
10
17
14
8
7
23
28
9
22
24
31
33
16
1
30
13
21
34
25
5
2
18
1
9
6
4
9
9
19
35
3
15
FIT
1:1
100%

Артикул

Название

Примечание

Количество

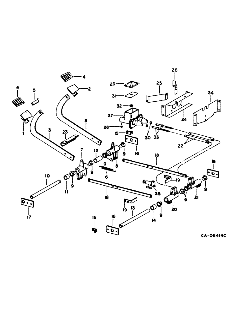
1

163426C1

PEDAL

brake LH, Includes: bolt and nut

1шт.

165420C1

BOLT,Hex Serr, 3/8"-16 x 1 1/4", Spcl

3/8 x 1-1/4 hex-hd lock

1шт.

482256R1

BEARING LOCK NUT,Flg, USR, 3/8"-16

3/8 flange lock

1шт.

2

163427C1

PEDAL

brake RH, Includes: bolt and nut

1шт.

165420C1

BOLT,Hex Serr, 3/8"-16 x 1 1/4", Spcl

3/8 x 1-1/4 hex-hd lock

1шт.

482256R1

BEARING LOCK NUT,Flg, USR, 3/8"-16

3/8 flange lock

1шт.

3

184166C2

SUPPORT ASSY.

SUPPORT, brake, Includes: bolt and nut

2шт.

180124

BOLT,Hex, 3/8" - 16 x 1 1/4", Gr 5

3/8 x 1-1/4 type 5

1шт.

482256R1

BEARING LOCK NUT,Flg, USR, 3/8"-16

3/8 flange lock

1шт.

4

863426R1

PAD

brake pedal

2шт.

5

614251R1

BAR

brake locking, Includes: pin

1шт.

19372R1

PIN,3.17mm OD x 22.23mm L, Coiled

1шт.

6

184327C1

SPRING

brake pedal return

1шт.

7

1302154C2

HUB

brake pedal LH

1шт.

8

1302155C2

HUB

brake pedal RH

1шт.

9

277523R1

BUSHING

brake pedal pivot

8шт.

10

187580C1

SHAFT

brake pedal, replaces 1302146C1, Includes: washer and pin

1шт.

591715R1

WASHER

1.031 x 1.500 x .054

1шт.

20328R1

COTTER PIN,3/16" x 1 1/2"

3/16" x 1 1/2"

1шт.

11

152261C1

SPACER,1 1/4" Tube x 1 7/8"

1-1/4 x .625 brake shaft LH

1шт.

12

151478C1

SPACER,1 1/4" Tube x 1 5/8"

brake pivot shaft inner

1шт.

13

187580C1

SHAFT

brake rear pivot, Includes: pin and washer

1шт.

20328R1

COTTER PIN,3/16" x 1 1/2"

3/16" x 1 1/2"

1шт.

591715R1

WASHER

1.031 X 1.500 X .054

1шт.

14

654385R1

SPACER,26.21mm ID x 31.75mm OD x 19.05mm L

brake rear pivot shaft LH

1шт.

15

187628C1

ANGLE

brake pivot shaft retainer

3шт.

16

165901C1

BAR

brake pivot shaft support, Includes: nut and screw

4шт.

16

165901C1

BAR

brake pivot shaft support

4шт.

938017R1

FLANGE NUT,Flg, USR, 5/16"-18

5/16 flange lock

1шт.

135270

SERRATED SCREW,5/16" - 18 x 3/4"

5/16 x 3/4 znp slt-truss-hd

1шт.

17

1302147C1

BAR

brake pivot shaft support

2шт.

18

192973C2

ROD

BAR ASSY, brake pedal, replaces 188889C1 by also ordering adjusting angle, 184326C1, Includes: 2 pins

2шт.

52893H

CLEVIS PIN,3/8" x 1.781"

PIN, 3/8 x 1.781 clevis

1шт.

121222

COTTER PIN,3/32" x 3/4"

PIN, SPLIT (COTTER), 3/32" x 3/4"

1шт.

19

184326C1

ANGLE

equalizer arm adjusting, Includes: bolt, nut and washer

2шт.

598804R1

CARRIAGE BOLT,Sht Sq Nk, 5/16" - 18 x 1 1/4", Gr 5

BOLT, 5/16 x 1-1/4 crg type 1

1шт.

120376

NUT,5/16"-18, G5

1шт.

80681

LOCK WASHER,5/16"

WASHER, LOCK, 5/16"

1шт.

20

188891C2

HUB

brake link LH

1шт.

21

188892C2

HUB

brake link RH

1шт.

22

1302145C2

ROD

brake cylinder, Includes: 2 pins

2шт.

52893H

CLEVIS PIN,3/8" x 1.781"

PIN, 3/8 x 1.781 clevis

1шт.

121222

COTTER PIN,3/32" x 3/4"

PIN, SPLIT (COTTER), 3/32" x 3/4"

1шт.

23

195509C1

SUPPORT

brake lever, Includes: screw and nut

1шт.

135270

SERRATED SCREW,5/16" - 18 x 3/4"

5/16 x 3/4 znp slt-truss-hd

1шт.

938017R1

FLANGE NUT,Flg, USR, 5/16"-18

5/16 flange lock

1шт.

24

195515C2

SUPPORT ASSY.

SUPPORT, brake master cyl, Includes: nut and screw

1шт.

482256R1

BEARING LOCK NUT,Flg, USR, 3/8"-16

3/8 flange lock

1шт.

477-73812

SERRATED SCREW,Truss HD, 3/8" - 16 x 3/4"

3/8 x 3/4 znp slt-truss-hd

1шт.

25

1302150C1

SUPPORT

brake master cyl LH

1шт.

26

1302149C1

SUPPORT

brake master cyl RH

1шт.

27

222834C91

MASTER CYLINDER,124.46mm Stroke

CYLINDER ASSY, brake master, Includes ref nos. 28 thru 33 and bolt and nut

1шт.

165420C1

BOLT,Hex Serr, 3/8"-16 x 1 1/4", Spcl

3/8 x 1-1/4 hex-hd lock

1шт.

482256R1

BEARING LOCK NUT,Flg, USR, 3/8"-16

3/8 flange lock

1шт.

28

222846C1

INSERT

seat

2шт.

29

222843C1

CAP

master cylinder, Includes: bolt and washer

1шт.

180050

BOLT,Hex, 1/4" - 20 x 2 3/4", Gr 5

1/4 x 2-3/4 type 5

1шт.

25707R1

WASHER,.281" x 5/8" x .075", HDN

.281 x .625 x .051

1шт.

30

222842C1

WASHER

stop

1шт.

31

222844C1

GASKET

cap

1шт.

32

222845C1

WASHER

internal

1шт.

33

222841C1

ROD

master cyl push, Includes: nut

2шт.

124925

JAM NUT,Jam, 3/8"-24, G5

1шт.

34

1302168C2

SUPPORT

equalizer valve adj, Includes: screw and nut

1шт.

477-73812

SERRATED SCREW,Truss HD, 3/8" - 16 x 3/4"

3/8 x 3/4 znp slt-truss-hd

1шт.

482256R1

BEARING LOCK NUT,Flg, USR, 3/8"-16

3/8 flange lock

1шт.

35

1301839C91

VALVE

ASSY, equalizer, Includes: screw

1шт.

160515

SCREW,Cross Pan Hd, 1/4" - 20 x 1/2"

1шт.

222835C91

KIT

master cyl repair, consists of (2) piston (NSS), (2) cup (NSS), (2) spring (NSS), (2) ring (NSS), (2) boot (NSS)

1шт.

Выбрано товаров: 69