Запчасти Case IH 1420 (07-04) - DRIVE TRAIN, TRANSMISSION, DIFFERENTIAL PINION SHAFT Drive Train

Схема запчастей Case IH 1420 - (07-04) - DRIVE TRAIN, TRANSMISSION, DIFFERENTIAL PINION SHAFT Drive Train
10
11
7
9
9
6
7
4
6
8
5
3
2
12
1
FIT
1:1
100%

Артикул

Название

Примечание

Количество

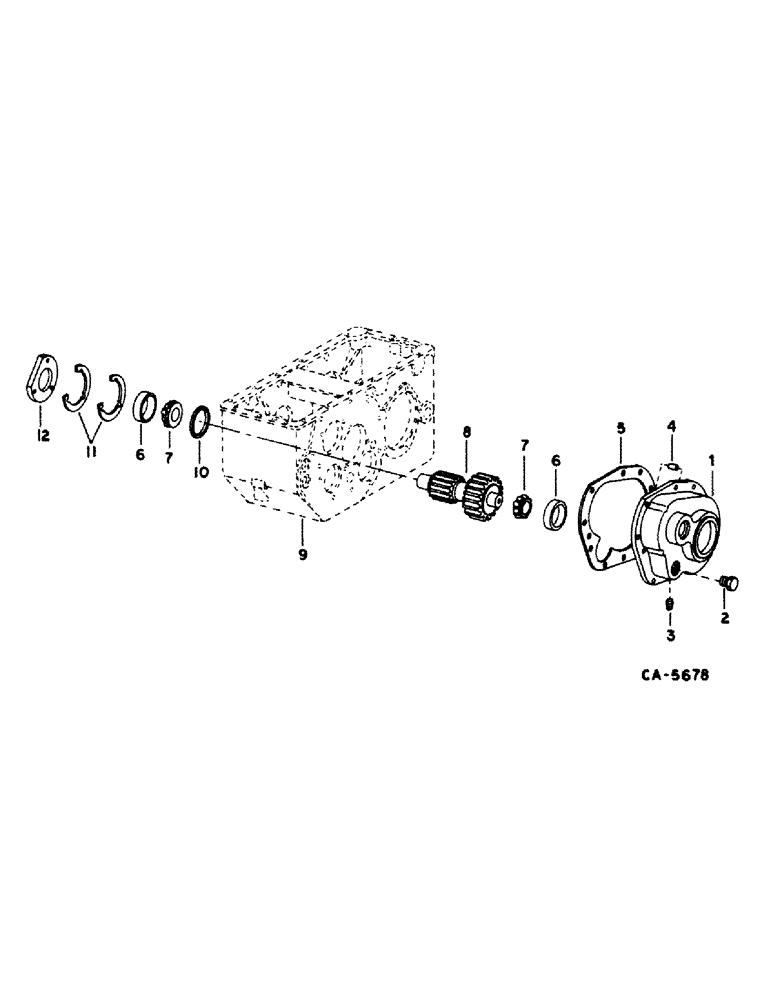
1

121811C2

COVER ASSY

change gear, Includes: bolt

1шт.

26311R1

BOLT,Hex, 3/8" - 16 x 1 1/4", Gr 8

3/8 x 1-1/8 phc p/t type 8

1шт.

2

(Not used this application)

1шт.

3

(Not used this application)

1шт.

4

(Not used this application)

1шт.

5

573997R2

GASKET

change gear cover

1шт.

6

50213V

BEARING CUP

BEARING, pinion shaft cup

2шт.

7

50212VA

ROLLER BEARING,33.35mm ID x 24.01mm W

BEARING ASSY, pinion shaft cone

2шт.

8

395630R1

GEAR

differential pinion shaft, 13T & 23T

1шт.

9

CASE, transmission, refer to this group under differential shaft

1шт.

10

548585R1

BEARING WASHER,71.17mm ID x 74.52mm OD x 3.61mm Thk

pinion shaft left bearing seal

1шт.

11

381222R1

SHIM

pinion left brg. .007

1шт.

11

405626R1

SHIM

pinion left brg. .003

1шт.

12

573971R2

CAP

differential pinion shaft, Includes: bolt

1шт.

26311R1

BOLT,Hex, 3/8" - 16 x 1 1/4", Gr 8

3/8 x 1-1/8 phc p/t type 8

1шт.

Выбрано товаров: 15