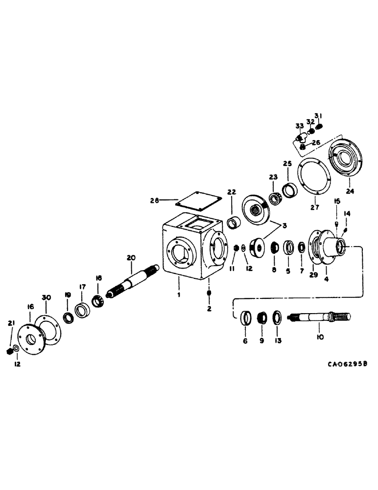
Запчасти Case IH 1420 (07-11) - DRIVE TRAIN, FEEDER AND CLEANING FAN GEAR CASE Drive Train

Схема запчастей Case IH 1420 - (07-11) - DRIVE TRAIN, FEEDER AND CLEANING FAN GEAR CASE Drive Train
10
26
20
3
33
31
7
15
16
8
27
6
22
24
18
28
5
2
12
19
1
30
17
4
25
23
9
21
13
11
29
12
4
32
FIT
1:1
100%

Артикул

Название

Примечание

Количество

185496C93

CASE

GEAR CASE ASSY, Includes ref nos. 1 thru 30

1шт.

1

CASE, gear drive, not serviced separately, order gear case assy, 185496C93

1шт.

2

50057K

PLUG

1/2 sq-hd magnetic pipe

1шт.

3

185204C1

GEAR-SET

GEAR SET, drive, 18T & 31T

1шт.

4

185495C91

HUB ASSY.

HUB ASSY, drive bell rear, includes ref nos. 5 and 6

1шт.

196471C1

BOLT,Hex, 3/8" - 16 x 1 1/4"

3/8 x 1-1/4 hex-hd flanged coated

1шт.

5

165964R1

BEARING CUP

BEARING, input shaft inner cup

1шт.

6

61801C1

BEARING CUP,63mm OD x 13.5mm W

BEARING, input shaft outer cup

1шт.

7

938294R91

OIL SEAL,32.89mm ID x 54.08mm OD x 8mm Thk

input shaft inner oil

1шт.

8

560953R91

BEARING ASSY,1.375" ID x 2.875" OD x 0.9688"

BEARING, input shaft inner cone

1шт.

9

61802C91

ROLLER BEARING,38mm ID x 17mm Thk

BEARING, input shaft outer cone

1шт.

10

185202C1

SHAFT

input

1шт.

11

185216C1

LOCK NUT

input shaft lock

1шт.

12

238633R1

WASHER,23.11mm ID x 52.32mm OD x 4.55mm Thk

.91 x 2.06 x .179 hard

2шт.

13

619584C91

SEAL

input shaft outer oil

1шт.

14

109461

LUBE NIPPLE,1/8"-27 x .66 lg

NIPPLE, LUBE, 1/8"-27 x .66 lg

1шт.

15

61991R91

BREATHER,1/8"-27 NPT, Short, w/washer

ASSY, rear hub

1шт.

16

185493C91

FLANGE

HUB ASSY, gear case left, includes ref no. 17

1шт.

196471C1

BOLT,Hex, 3/8" - 16 x 1 1/4"

3/8 x 1-1/4 hex-hd flanged coated

1шт.

17

17498D

TAPERED BEARING," ID x 76.2125 mm OD x 23.9135 mm

BEARING, output shaft LH cup (Replaces 17489D)

1шт.

18

25488H

ROLLER BEARING,38.1063 mm ID x 25.565 mm

BEARING, output shaft LH cone

1шт.

19

185215C1

SEAL

output shaft LH oil

1шт.

20

185203C2

SHAFT

output

1шт.

238633R1

WASHER,23.11mm ID x 52.32mm OD x 4.55mm Thk

output shaft

1шт.

21

9413974

LOCK NUT,7/8"-14, GB

NUT, 7/8-14 cad p/t lock type 5

1шт.

22

186143C2

BUSHING

BUSHIN, driven gear

1шт.

23

400983R91

ROLLER BEARING,1.18775" ID x 2.5317" OD x 0.8478"

BEARING, output shaft RH cone

1шт.

24

185494C91

COVER ASSY

gear case right, includes ref no. 25, Includes: bolt

1шт.

196471C1

BOLT,Hex, 3/8" - 16 x 1 1/4"

3/8 x 1-1/4 hex-hd flg coated

1шт.

25

530741R1

BEARING CUP

BEARING, output shaft RH cup

1шт.

26

444631

PLUG

1/2-14 automotive hex-hd pipe, note

1шт.

27

186168C1

SUPPORT

SHIM PACKAGE, RH cover, consists of (2) shim .005 (NSS), (2) shim .007 (NSS), (2) shim .020 (NSS)

1шт.

28

185217C1

COVER

gear case top, Includes: bolt and washer

1шт.

180077

BOLT,Hex, 5/16" - 18 x 3/4", Gr 5

5/16 x 3/4 type 5

1шт.

80681

LOCK WASHER,5/16"

WASHER, LOCK, 5/16"

1шт.

29

183166C1

SHIM

PKG, bell rear hub, consists of (2) shim .005 (NSS), (2) shim .007 (NSS), (2) shim .020 (NSS)

1шт.

30

183167C1

SHIM

PKG, LH hub, consists of (2) shim .005 (NSS), (2) shim .007 (NSS), (2) shim .020 (NSS)

1шт.

31

61991R91

BREATHER,1/8"-27 NPT, Short, w/washer

ASSY, lube, note

1шт.

32

444030

REDUCER,1/2"-14 NPTF x 1/8"-27 Fem NPTF

BUSHING, 1/2 to 1/8 pipe reducing, note

1шт.

33

444152

TEE,1/2"-14 NPTF Fem x 1/2"-14 NPTF Male Run

1/2 int/ext/int pip, note

1шт.

Выбрано товаров: 40