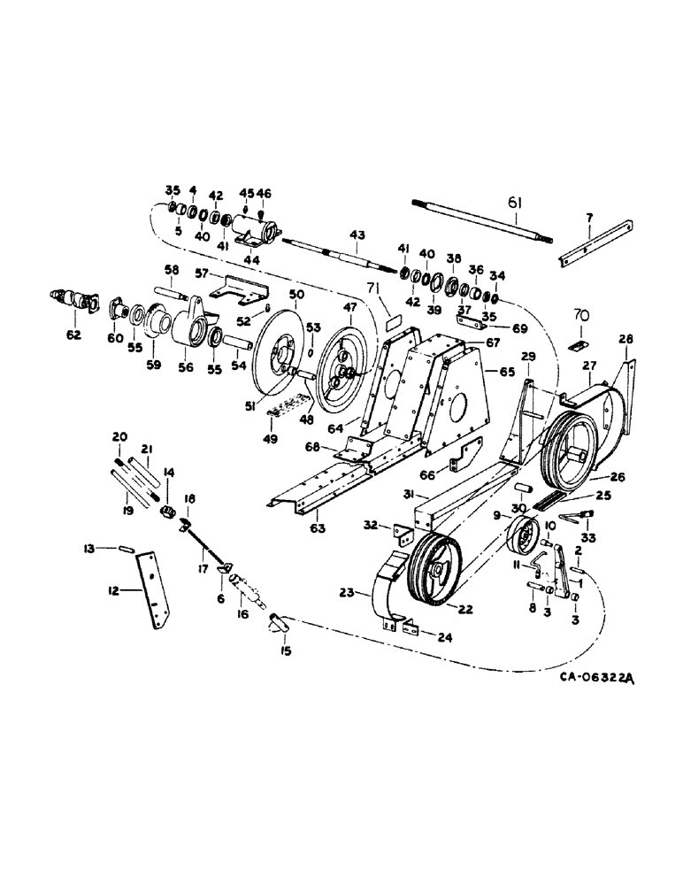
Запчасти Case IH 1420 (07-17) - DRIVE TRAIN, SEPARATOR DRIVE Drive Train

Схема запчастей Case IH 1420 - (07-17) - DRIVE TRAIN, SEPARATOR DRIVE Drive Train
47
12
46
69
29
64
10
11
3
57
35
14
38
51
50
17
20
27
71
40
53
26
56
41
67
55
28
9
59
70
4
63
62
15
48
40
39
41
34
45
68
65
61
44
43
60
42
21
37
22
16
58
42
6
36
31
52
49
55
7
32
19
13
5
8
54
24
66
23
35
33
3
30
25
2
18
FIT
1:1
100%

Артикул

Название

Примечание

Количество

1

195457C92

LEVER

ASSY, drive belt clutch, includes ref. nos. 2 and 3

1шт.

2

195459C1

PIN

drive belt clutch lever, Includes: pin and washer

1шт.

18481R1

COTTER PIN,3/16" x 1"

PIN, SPLIT (COTTER), 3/16" x 1"

1шт.

21796R1

WASHER

.656 x 1.000 x .054

1шт.

3

1302308C1

BUSHING,25.65mm ID x 31.85mm OD x 28.57mm L

drive belt clutch lever

2шт.

4

188931C1

OIL SEAL,47.63mm ID x 63.7mm OD x 8.41mm Thk

Jackshaft Bearing Hub Front 1.875" ID x 2.503" OD x .62

1шт.

5

188930C1

RING,38.05mm ID x 57.15mm OD x 27mm L

BUSHING, jackshaft front

1шт.

6

186749C1

BRACKET

ANGLE, separator drive tightener rod, Includes: pin

1шт.

18556R1

LOCK PIN,1/4" x 3/4", Slotted

PIN, 1/4" x 3/4", Slotted

1шт.

7

1303282C92

SUPPORT ASSY.

ANGLE, separator jackshaft pipe, Includes: bolt, nut and washer

1шт.

180122

BOLT,Hex, 3/8" - 16 x 1", Gr 5

3/8 x 1 type 5

1шт.

120377

NUT,3/8" - 16, Gr 5

1шт.

120382

LOCK WASHER,Helical Spring, 3/8"

WASHER, LOCK, 3/8"

1шт.

8

1315229C2

PIN,25.4mm OD x 135mm L

separator clutch arm, replaces 191591C1, Includes: pin and washer

1шт.

20328R1

COTTER PIN,3/16" x 1 1/2"

3/16" x 1 1/2"

1шт.

609839R1

WASHER, 1.031 x 1.750 x .054

1шт.

9

174757C1

PULLEY

separator belt idler, 8 in. OD, 203.2mm OD

1шт.

10

559205R91

BEARING ASSY,15.92 mm ID x 30 mm OD x 82.55 mm

drive belt idler pulley

1шт.

11

193284C1

ROD

clutch pulley belt guide, Includes: bolt and washer

1шт.

113-206

BOLT,Hex, 3/8" - 16 x 3/4", Gr 5, Full Thd

3/8 x 3/4 type 5

1шт.

120382

LOCK WASHER,Helical Spring, 3/8"

WASHER, LOCK, 3/8"

1шт.

12

194220C1

BAR

cylinder anchor, Includes: nut and bolt

2шт.

482256R1

BEARING LOCK NUT,Flg, USR, 3/8"-16

3/8 flange lock

1шт.

165420C1

BOLT,Hex Serr, 3/8"-16 x 1 1/4", Spcl

3/8 x 1-1/4 hex-hd lock

1шт.

13

196676C1

SPACER

cylinder anchor bar, Includes: bolt, nut and washer

1шт.

189305

BOLT,Hex, 3/8" - 16 x 3 1/2", Gr 5

3/8 x 3-1/2 type 5

1шт.

120377

NUT,3/8" - 16, Gr 5

1шт.

120382

LOCK WASHER,Helical Spring, 3/8"

WASHER, LOCK, 3/8"

1шт.

14

186747C1

PIVOT

separator drive arm

1шт.

15

195432C1

TUBE,25.4 mm ID, 34.92 mm OD

BUSHING, cylinder extension, Includes: pins

1шт.

121222

COTTER PIN,3/32" x 3/4"

PIN, SPLIT (COTTER), 3/32" x 3/4"

1шт.

52893H

CLEVIS PIN,3/8" x 1.781"

PIN, 3/8 x 1.781 clevis

1шт.

16

CYLINDER ASSY, separator clutch, refer to group 10 under feeder and separator clutch cylinder

1шт.

17

1303058C1

ROD

separator drive tightener, Includes: nut and washer

1шт.

280374

NUT,Hex, 5/8" - 11, Gr 5

5/8 type 5

1шт.

21759R1

WASHER

.656 x 2.000 x .105

1шт.

18

186748C1

BRACKET

ANGLE, drive tightener rod

1шт.

19

186744C1

TUBE,16.7 mm ID, 22.2 mm OD, 289.1 mm Length

drive tightener inner

1шт.

20

186745C1

SPRING

belt tightener rod

1шт.

21

186746C1

TUBE

drive tightener outer

1шт.

22

191461C1

PULLEY,110mm OD

separator drive, 11 in. OD, 279.4mm OD

1шт.

23

1308774C1

GUARD ASSY.

SHIELD ASSY, drive pulley, Includes: bolt, nut, washer, scre, and washer

1шт.

180122

BOLT,Hex, 3/8" - 16 x 1", Gr 5

3/8 x 1 type 5

1шт.

482256R1

BEARING LOCK NUT,Flg, USR, 3/8"-16

3/8 flange lock

1шт.

120382

LOCK WASHER,Helical Spring, 3/8"

WASHER, LOCK, 3/8"

1шт.

477-73816

SERRATED SCREW,Sl Truss Hd, 3/8" x 1"

3/8 x 1 slt-truss-hd

1шт.

619856R1

WASHER

.406 x 1.000 x .056

1шт.

24

191974C1

ANGLE

separator drive belt shield, Includes: nut, washers and screw

1шт.

120377

NUT,3/8" - 16, Gr 5

1шт.

120382

LOCK WASHER,Helical Spring, 3/8"

WASHER, LOCK, 3/8"

1шт.

619856R1

WASHER

.406 x 1.000 x .056

1шт.

477-73816

SERRATED SCREW,Sl Truss Hd, 3/8" x 1"

3/8 x 1 slt-truss-hd

1шт.

25

191241C1

BELT

- Separator drive, 130 in. OC, 3302.0 mm OC

1шт.

26

191452C2

PULLEY

separator jackshaft driven, 14.75 in. dia., not for straw chopper

1шт.

26

PULLEY, separator jackshaft driven, for straw chopper, refer to group 20 under straw chopper drive

1шт.

27

185395C91

SHIELD

ASSY, driven pulley, includes ref no. 70, Includes: nut, screw

1шт.

482256R1

BEARING LOCK NUT,Flg, USR, 3/8"-16

3/8 flange lock

1шт.

477-73812

SERRATED SCREW,Truss HD, 3/8" - 16 x 3/4"

3/8 x 3/4 znp slt-truss-hd

1шт.

28

194735C1

SUPPORT

belt guide outer, Serial Range: -5500

1шт.

28

181168C1

SUPPORT

belt guide outer, Includes: bolt, nut and washer, Start Serial: 5501

1шт.

485734R1

CARRIAGE BOLT,Short NK, 1/2"-13 x 1 1/4", G5, Full Thd

BOLT, 1/2 x 1-1/4 crg type 5

1шт.

120378

NUT,Hex, 1/2" - 13, Gr 5

NUT, 1/2"-13, G5

1шт.

120384

WASHER,1/2"

LOCK, 1/2"

1шт.

29

194731C1

SUPPORT

ASSY, drive belt guide, Serial Range: -5500

1шт.

29

181169C1

SUPPORT ASSY.

SUPPORT ASSY, drive belt guide, Start Serial: 5501

1шт.

485734R1

CARRIAGE BOLT,Short NK, 1/2"-13 x 1 1/4", G5, Full Thd

BOLT, 1/2 x 1-1/4 crg type 5

1шт.

120378

NUT,Hex, 1/2" - 13, Gr 5

NUT, 1/2"-13, G5

1шт.

18481R1

COTTER PIN,3/16" x 1"

PIN, SPLIT (COTTER), 3/16" x 1"

1шт.

120384

WASHER,1/2"

LOCK, 1/2"

1шт.

25710R1

WASHER

.531 x 1.062 x .074

1шт.

30

HOSE, separator channel, use 4.5 in. of 1/2 in. hose from bulk stock marked 526602R1

1шт.

31

191961C1

SUPPORT

drive belt guide, Includes: screw and nut

1шт.

477-73812

SERRATED SCREW,Truss HD, 3/8" - 16 x 3/4"

3/8 x 3/4 znp slt-truss-hd

1шт.

482256R1

BEARING LOCK NUT,Flg, USR, 3/8"-16

3/8 flange lock

1шт.

32

193686C1

ANGLE

belt guide channel support, Includes: nut and screw

1шт.

482256R1

BEARING LOCK NUT,Flg, USR, 3/8"-16

3/8 flange lock

1шт.

477-73816

SERRATED SCREW,Sl Truss Hd, 3/8" x 1"

3/8 x 1 slt-truss-hd

1шт.

33

194901C1

ROD

separator clutch belt support, Includes: bolt and nut

1шт.

598809R1

CARRIAGE BOLT,Sht Sq Nk, 3/8" - 16 x 3/4", Gr 5

BOLT, 3/8 x 3/4 crg type 5

1шт.

482256R1

BEARING LOCK NUT,Flg, USR, 3/8"-16

3/8 flange lock

1шт.

34

162678C1

WASHER,1 1/2" ID x 2" OD x .060" Thk

Separator Jackshaft, 5 or as required 1 1/2" ID x 2" OD x .060" Thk

1шт.

35

160191C2

WASHER

separator jackshaft, not used with bushing 188930C1 at this location to 5500

2шт.

36

191518C2

SPACER

BUSHING, separator jackshaft rear

1шт.

37

384386R91

OIL SEAL,42.7mm ID x 63.7mm OD x 8.33mm Thk

Jackshaft Bearing Hub Rear 1.752" ID x 2.503" OD x .689

1шт.

38

189419C1

FLANGE,2.4788" ID x 4.5" OD x 1.3"

HUB, rear bearing, Includes: bolt and washer

1шт.

20617R1

BOLT,Hex, 5/16" - 18 x 1", Gr 8

5/16 x 1 type 8

1шт.

80681

LOCK WASHER,5/16"

WASHER, LOCK, 5/16"

1шт.

39

156229C1

SHIM,76.45mm ID x 111.25mm OD x 0.13mm Thk

Bearing Hub 0.005" Thk

1шт.

39

188183C1

SHIM,0.007" Thk

Bearing Hub 0.007" Thk

1шт.

39

188184C1

SHIM,0.010" Thk

Bearing Hub 0.010" Thk

1шт.

40

378691R1

RING

jackshaft bearing snap

2шт.

41

61802C91

ROLLER BEARING,38mm ID x 17mm Thk

BEARING, jackshaft cone

2шт.

42

61801C1

BEARING CUP,63mm OD x 13.5mm W

BEARING, jackshaft cup

2шт.

43

1308505C1

SHAFT

separator jackshaft, Includes: nut and washer

1шт.

9413986

LOCK NUT,1"-8, GC

NUT, 1 phc p/t lock type 8

1шт.

25847R1

WASHER

1.062 x 2.000 x .209 hdn

1шт.

44

189418C1

BLOCK

jackshaft bearing, to 5500

1шт.

44

181369C1

BEARING HOUSING

BLOCK, jackshaft bearing, Includes: bolt, nut and washers, Start Serial: 5501

1шт.

88530

CARRIAGE BOLT,Sq Nk, 1/2" - 13 x 1 3/4", Gr 5

BOLT, 1/2 x 1-3/4 crg type 5

1шт.

120378

NUT,Hex, 1/2" - 13, Gr 5

NUT, 1/2"-13, G5

1шт.

120384

WASHER,1/2"

LOCK, 1/2"

1шт.

25555R1

WASHER,17/32" x 1 1/4" x .188", HDN

.531 x 1.250 x .188 phc hdn

1шт.

45

109461

LUBE NIPPLE,1/8"-27 x .66 lg

NIPPLE, LUBE, 1/8"-27 x .66 lg

1шт.

46

61991R91

BREATHER,1/8"-27 NPT, Short, w/washer

ASSY, block

1шт.

47

193622C92

PULLEY ASSY.

PULLEY ASSY, rotor drive stationary, 17.5 in. OD, 444.5mm OD, includes ref. no. 48

1шт.

48

191544C2

PIN,28.48mm OD x 127mm L

stationary drive pulley

3шт.

49

BELT, rotor variable drive, refer to group 21 under rotor drive

1шт.

50

193620C92

PULLEY ASSY.

PULLEY ASSY, rotor drive variable, 17.5 in. OD, 444/5mm OD, includes ref. no. 51

1шт.

51

194665C1

BUSHING

variable drive pulley

3шт.

52

219-86

LUBE NIPPLE,1/8" NPTF

FITTING, 1.8 str self tap

2шт.

53

382432R1

O-RING,1.984" ID x 0.139" Width

RING, rotor drive pulley

2шт.

54

191549C2

SLEEVE

rotor jackshaft

1шт.

55

194654C91

BALL BEARING,2.75" ID x 4.481" OD x 0.87"

BEARING, jackshaft thrust

2шт.

56

194394C1

HUB

FITTING, variable pulley remale

1шт.

57

188309C2

SUPPORT

variable pulley limit switch, Includes: nut and screw

1шт.

482256R1

BEARING LOCK NUT,Flg, USR, 3/8"-16

3/8 flange lock

1шт.

477-73816

SERRATED SCREW,Sl Truss Hd, 3/8" x 1"

3/8 x 1 slt-truss-hd

1шт.

58

194496C2

LARGE PIN

STUD, variable stop, Includes: nut

1шт.

280954

NUT,3/4"-10, G5

1шт.

59

194464C2

SPROCKET

variable pulley male, 25 T

1шт.

60

191542C2

SPLINED COUPLING,12T

COUPLING, universal joint

1шт.

61

181488C1

ROD

separator jackshaft support, Includes: nut

1шт.

121358

YOKE

5/8-NF type 5

1шт.

62

191596C91

DRIVE SHAFT

JOINT ASSY, universal drive, Includes: journal and bearing kit assy u-bolt, bolt, nut and washers

1шт.

1300502C1

KIT

JOURNAL AND BEARING KIT ASSY

1шт.

1300501C1

U-BOLT,3/8" - 24 x 1.66" W x 1.40" L

2шт.

208491R1

BOLT,Hex, 7/16" - 14 x 1 1/4", Gr 8

7/16 x 1-1/4 type 8

1шт.

120369

NUT,3/8"-24, G5

1шт.

120382

LOCK WASHER,Helical Spring, 3/8"

WASHER, LOCK, 3/8"

1шт.

366863C1

LOCK WASHER

WASHER, 7/16 rib lock, replaces 131100

1шт.

63

186344C1

SUPPORT

ASSY, jackshaft to 5500

1шт.

63

1303276C2

SUPPORT ASSY.

SUPPORT ASSY, jackshaft, Includes: nut, bolt, screws, washer and nut, Start Serial: 5501

1шт.

120378

NUT,Hex, 1/2" - 13, Gr 5

NUT, 1/2"-13, G5

1шт.

180175

BOLT,Hex, 1/2" - 13 x 1 1/4", Gr 5

1/2 x 1-1/4 type 5

1шт.

174985C1

BOLT,Hex Serr, 1/2" - 13 x 1"

SCREW, 1/2-13 x 1.0 hex flange

1шт.

120384

WASHER,1/2"

LOCK, 1/2"

1шт.

3177071R1

SCREW

m8 x 25 slt-truss-hd

2шт.

86505868

SERRATED NUT,Hex, M8 x 1.25, Cl 8

2шт.

64

1303282C92

SUPPORT ASSY.

SUPPORT, separator jackshaft LH to 5500

1шт.

64

1303279C91

SUPPORT ASSY.

SUPPORT ASSY, separator jackshaft LH, bolt, washer and Includes ref no. 71, Start Serial: 5501

1шт.

180173

BOLT,Hex, 1/2" - 13 x 1", Gr 5

1шт.

120384

WASHER,1/2"

LOCK, 1/2"

1шт.

65

193956C5

SUPPORT ASSY.

SUPPORT, separator jackshaft RH to 5500

1шт.

65

181166C1

SUPPORT

separator jackshaft RH, Includes: bolt and washer, Start Serial: 5501

1шт.

180173

BOLT,Hex, 1/2" - 13 x 1", Gr 5

1шт.

120384

WASHER,1/2"

LOCK, 1/2"

1шт.

66

186348C2

SUPPORT

ASSY, jackshaft bottom to 5500

2шт.

66

1303278C1

SUPPORT

separator jackshaft bottom, Includes nuts, screw, bolt and washer, Start Serial: 5501

1шт.

482256R1

BEARING LOCK NUT,Flg, USR, 3/8"-16

3/8 flange lock

1шт.

120378

NUT,Hex, 1/2" - 13, Gr 5

NUT, 1/2"-13, G5

1шт.

477-73812

SERRATED SCREW,Truss HD, 3/8" - 16 x 3/4"

3/8 x 3/4 znp slt-truss-hd

1шт.

180175

BOLT,Hex, 1/2" - 13 x 1 1/4", Gr 5

1/2 x 1-1/4 type 5

1шт.

120384

WASHER,1/2"

LOCK, 1/2"

1шт.

67

193957C2

SUPPORT

jackshaft top to 5500

1шт.

67

181167C1

SUPPORT

separator jackshaft top, Includes: bolt nut and washers, Start Serial: 5501

1шт.

120378

NUT,Hex, 1/2" - 13, Gr 5

NUT, 1/2"-13, G5

1шт.

120384

WASHER,1/2"

LOCK, 1/2"

1шт.

20601R1

WASHER

.531 x 1.250 x .105

1шт.

68

194353C1

SUPPORT

separator jackshaft to 5500

1шт.

68

181164C1

SUPPORT

separator jackshaft, Includes: nut, bolts and washers, Start Serial: 5501

1шт.

120378

NUT,Hex, 1/2" - 13, Gr 5

NUT, 1/2"-13, G5

1шт.

180175

BOLT,Hex, 1/2" - 13 x 1 1/4", Gr 5

1/2 x 1-1/4 type 5

1шт.

485734R1

CARRIAGE BOLT,Short NK, 1/2"-13 x 1 1/4", G5, Full Thd

BOLT, 1/2 x 1-1/4 crg type 5

1шт.

120384

WASHER,1/2"

LOCK, 1/2"

1шт.

20601R1

WASHER

.531 x 1.250 x .105

1шт.

69

194517C2

ANGLE

jackshaft support rear to 5500

1шт.

69

181172C1

SUPPORT

ANGLE, separator jackshaft support rear, Includes, nut, bolts and washers 5501 to

1шт.

120378

NUT,Hex, 1/2" - 13, Gr 5

NUT, 1/2"-13, G5

1шт.

180175

BOLT,Hex, 1/2" - 13 x 1 1/4", Gr 5

1/2 x 1-1/4 type 5

1шт.

485734R1

CARRIAGE BOLT,Short NK, 1/2"-13 x 1 1/4", G5, Full Thd

BOLT, 1/2 x 1-1/4 crg type 5

1шт.

120384

WASHER,1/2"

LOCK, 1/2"

1шт.

20601R1

WASHER

.531 x 1.250 x .105

1шт.

70

188200C1

PRODUCT GRAPHIC

caution, engine compartment

1шт.

71

188186C1

PRODUCT GRAPHIC

caution, two speed gear case

1шт.

Выбрано товаров: 174