Запчасти Case IH 1420 (20-01) - SEPARATOR, SEPARATOR SIDES Separation

Схема запчастей Case IH 1420 - (20-01) - SEPARATOR, SEPARATOR SIDES Separation
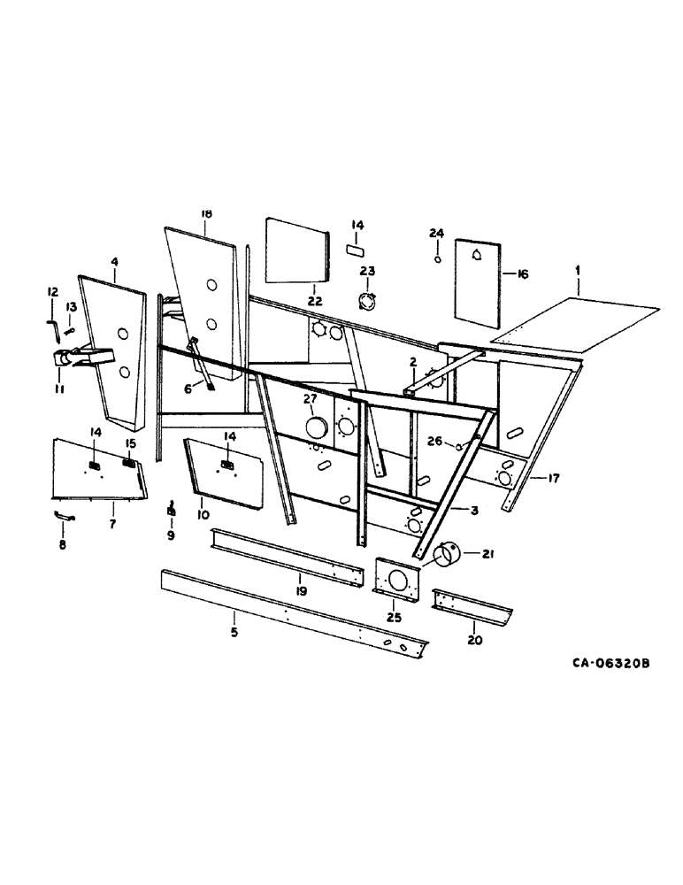
5
21
24
14
10
11
17
23
4
25
13
9
19
1
26
27
3
7
15
22
14
8
6
2
18
14
12
16
20
FIT
1:1
100%

Артикул

Название

Примечание

Количество

1

195023C2

BRACKET

SHEET, engine deck, Includes: bolt and nut

1шт.

540858R1

BOLT,Hex Serr, 1/2" - 13 x 1 1/2"

1/2 x 1-1/2 hex-hd flange

1шт.

487374R1

BEARING LOCK NUT,Flg, USR, 1/2"-13

1/2 flange lock

1шт.

2

186062C1

SUPPORT ASSY.

SUPPORT ASSY, engine deck, Includes: nuts, screws and washer

1шт.

482256R1

BEARING LOCK NUT,Flg, USR, 3/8"-16

3/8 flange lock

1шт.

477-73812

SERRATED SCREW,Truss HD, 3/8" - 16 x 3/4"

3/8 x 3/4 znp slt-truss-hd

1шт.

477-73816

SERRATED SCREW,Sl Truss Hd, 3/8" x 1"

3/8 x 1 slt-truss-hd

1шт.

120377

NUT,3/8" - 16, Gr 5

1шт.

120382

LOCK WASHER,Helical Spring, 3/8"

WASHER, LOCK, 3/8"

1шт.

3

194798C4

PROTECTION PLATE

SIDE ASSY, separator LH, Includes: nuts and bolts

1шт.

454998

BOLT,Hex, 1/2" - 13 x 1", Gr 8

1/2 x 1 type 8

1шт.

195312C1

FLANGE NUT,Flg, USR, 1/2"-13, G8

1/2 phc flange lock type 8

1шт.

20739R1

BOLT,Hex, 5/8" - 11 x 1 1/4", Gr 8

5/8 x 1-1/4 type 8

1шт.

195313C1

FLANGE NUT,Flg, USR, 5/8"-12

5/8 phc flange lock type 8

1шт.

4

194340C6

BRACKET

POST ASSY, LH front, Includes, bolts, nuts and washer

1шт.

454998

BOLT,Hex, 1/2" - 13 x 1", Gr 8

1/2 x 1 type 8

1шт.

20739R1

BOLT,Hex, 5/8" - 11 x 1 1/4", Gr 8

5/8 x 1-1/4 type 8

1шт.

195312C1

FLANGE NUT,Flg, USR, 1/2"-13, G8

1/2 phc flange lock type 8

1шт.

195313C1

FLANGE NUT,Flg, USR, 5/8"-12

5/8 phc flange lock type 8

1шт.

169256C2

WASHER,16.28mm ID x 31.8mm OD x 3.05mm Thk

.641 x 1.25 x .120 gage znd

1шт.

5

185054C1

SUPPORT

main sill LH

1шт.

6

181306C1

BRACE

ASSY, front post diagonal, Includes: bolt and nut

2шт.

24861R1

BOLT,Hex, 1/2" - 13 x 1 1/4", Gr 8

1шт.

9412230

LOCK NUT

1/2 phc p/t lock type 8

1шт.

7

1303098C91

DOOR

ASSY, separator LH front, Includes: Ref. nos. 14 & 15

1шт.

8

160638C1

HANDLE

separator door, Includes: nut and screw

3шт.

938017R1

FLANGE NUT,Flg, USR, 5/16"-18

5/16 flange lock

1шт.

135270

SERRATED SCREW,5/16" - 18 x 3/4"

5/16 x 3/4 znp slt-truss-hd

1шт.

9

167800C1

CLIP

door retainer

13шт.

174097C1

FLANGE NUT,Flg, USR, #10-24

10-24 C-Z flange lock

1шт.

436732

SCREW,Slotted Pan Hd, #10-24 x 1/2"

no. 10 x 1/2 znp p/hds mach

1шт.

10

1303099C91

DOOR

separator LH side, includes ref no. 14

1шт.

11

185078C1

BLOCK

feeder pivot

2шт.

12

192533C2

ROD

feeder pivot block

2шт.

13

486830R1

COTTER PIN

PIN, qa

2шт.

14

179749C2

PRODUCT GRAPHIC

danger

3шт.

15

185035C1

PRODUCT GRAPHIC

caution

1шт.

16

183095C1

SUPPORT ASSY.

SUPPORT ASSY, beater bearing LH

1шт.

16

183096C1

SUPPORT ASSY.

SUPPORT ASSY, beater bearing RH, not for use w/straw chopper, Includes: screw and nut

1шт.

477-73812

SERRATED SCREW,Truss HD, 3/8" - 16 x 3/4"

3/8 x 3/4 znp slt-truss-hd

1шт.

482256R1

BEARING LOCK NUT,Flg, USR, 3/8"-16

3/8 flange lock

1шт.

17

194799C2

SIDE ASSY.

SIDE ASSY, separator RH, Includes: bolts and nuts

1шт.

454998

BOLT,Hex, 1/2" - 13 x 1", Gr 8

1/2 x 1 type 8

1шт.

195312C1

FLANGE NUT,Flg, USR, 1/2"-13, G8

1/2 phc flange lock type 8

1шт.

20739R1

BOLT,Hex, 5/8" - 11 x 1 1/4", Gr 8

5/8 x 1-1/4 type 8

1шт.

195313C1

FLANGE NUT,Flg, USR, 5/8"-12

5/8 phc flange lock type 8

1шт.

18

194341C5

POST

ASSY, RH front, Includes bolts, nuts and washer

1шт.

454998

BOLT,Hex, 1/2" - 13 x 1", Gr 8

1/2 x 1 type 8

1шт.

20739R1

BOLT,Hex, 5/8" - 11 x 1 1/4", Gr 8

5/8 x 1-1/4 type 8

1шт.

195312C1

FLANGE NUT,Flg, USR, 1/2"-13, G8

1/2 phc flange lock type 8

1шт.

195313C1

FLANGE NUT,Flg, USR, 5/8"-12

5/8 phc flange lock type 8

1шт.

169256C2

WASHER,16.28mm ID x 31.8mm OD x 3.05mm Thk

.641 x 1.25 x .120 gage znd

1шт.

19

185252C1

SUPPORT

main sill RH front

1шт.

20

185255C1

CHANNEL

main sill rear

1шт.

21

185253C1

TUBE,180 mm ID

ASSY, main sill, Includes: screw

1шт.

135270

SERRATED SCREW,5/16" - 18 x 3/4"

5/16 x 3/4 znp slt-truss-hd

1шт.

938017R1

FLANGE NUT,Flg, USR, 5/16"-18

5/16 flange lock

1шт.

22

1303100C91

DOOR

ASSY, separator RH front, Includes: Ref. no. 14

1шт.

23

188315C1

DOOR

separator side RH, Includes: screw, nuts and bolt

1шт.

937059R1

SCREW,Serr, M10 x 70mm, Cl 10.9

1/4-20 x 1/2 slt-truss-hd

1шт.

273924

SNAP RING

NUT, 1/4 cad p/t lock type 5

1шт.

935735R1

WING NUT

1/4 wing

1шт.

18653R1

BOLT,Hex, 1/4" - 20 x 1/2", Gr 2

1/4 x 1/2 type 1

1шт.

24

432366

HOLE PLUG BUTTON,1 3/8"

PLUG, upper center sheet button

1шт.

25

185254C1

SUPPORT

middle main sill, Includes: bolt and nut

1шт.

454998

BOLT,Hex, 1/2" - 13 x 1", Gr 8

1/2 x 1 type 8

1шт.

195312C1

FLANGE NUT,Flg, USR, 1/2"-13, G8

1/2 phc flange lock type 8

1шт.

26

22312R1

HOLE PLUG BUTTON,25/32"

PLUG, pln button

1шт.

27

406391C1

PLUG,1"

1 inch, used when machine is not equipped with rotor sensor harness

1шт.

Выбрано товаров: 69