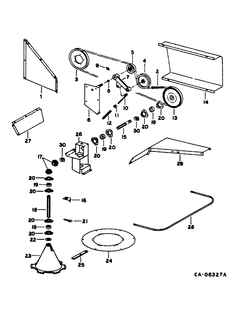
Запчасти Case IH 1420 (20-10) - SEPARATOR, STRAW SPREADER Separation

Схема запчастей Case IH 1420 - (20-10) - SEPARATOR, STRAW SPREADER Separation
14
20
19
17
28
20
19
12
21
26
1
15
11
27
16
20
24
13
22
30
4
3
19
20
23
6
25
7
20
9
2
20
20
10
30
5
19
8
29
18
20
FIT
1:1
100%

Артикул

Название

Примечание

Количество

1

1303119C1

SUPPORT

discharge shield, Includes: screw and nut

1шт.

135270

SERRATED SCREW,5/16" - 18 x 3/4"

5/16 x 3/4 znp slt-truss-hd

1шт.

938017R1

FLANGE NUT,Flg, USR, 5/16"-18

5/16 flange lock

1шт.

2

589622R1

V-BELT,0.63" W

Straw spreader drive, 187 in. OC, 4749.8 mm OC 0.63" W

1шт.

3

566516R91

PULLEY ASSY.

PULLEY ASSY, straw spreader drive, 9.8 in. OD, 248.9mm OD, Includes: bolt, nut and washer

1шт.

9635884

BOLT,Hex, 5/16" - 18 1", Full Thd, Gr 5

5/16 x 1 type 5

1шт.

80681

LOCK WASHER,5/16"

WASHER, LOCK, 5/16"

1шт.

120376

NUT,5/16"-18, G5

1шт.

4

181126C91

PULLEY

drive tightener, 6.0 in. OD, 152.4mm OD, Includes: bolt, nut and washers

1шт.

271727

CAM,Hex, 5/8" - 11 x 3", Gr 5

5/8 x 3 type 5

1шт.

280374

NUT,Hex, 5/8" - 11, Gr 5

5/8 type 5

1шт.

492-11062

BEARING WASHER,5/8"

WASHER, LOCK, 5/8"

1шт.

NLS

NO LONGER SERVICED

.656 x 1.312 x .074

1шт.

5

181127C1

PULLEY

spreader drive idler, 4-3/8 in. OD, 111.3mm, with .635 in. ID bearing, used with support 181149C1, Includes: nut and washers

1шт.

131016

WASHER

.656 x 1.312 x .074

1шт.

492-11062

BEARING WASHER,5/8"

WASHER, LOCK, 5/8"

1шт.

124589

BALL STUD,Hex, 5/8" - 11 x 2", Gr 5

5/8 type 5

1шт.

5

1315269C1

PULLEY

spreader drive idler, 4-3/8 in. OD, 111.3mm, with .510 in. ID bearing, used with support 1315274C1, Includes: nut and washers

1шт.

120396

WASHER

.531 x 1.062 x .074

1шт.

120384

WASHER,1/2"

LOCK, 1/2"

1шт.

120378

NUT,Hex, 1/2" - 13, Gr 5

NUT, 1/2"-13, G5

1шт.

6

1315274C1

BRACKET

SUPPORT ASSY, idler and tightener pulley, replaces 181149C1, Includes: bolt and nut

1шт.

202107C1

BOLT,Hex Serr Flg, 5/16" - 18 x 3/4"

5/16 x 3/4 znp hex/hd flg lock

1шт.

938017R1

FLANGE NUT,Flg, USR, 5/16"-18

5/16 flange lock

1шт.

7

181153C91

LEVER ASSY.

LEVER ASSY, tightener arm, Includes: washer and Ref. no. 8

1шт.

25548R1

WASHER

.812 x 1.500 x .219 phc hdn

1шт.

8

165704C1

BUSHING

tightener arm

2шт.

9

87414

LUBE NIPPLE,1/4" - 28

FITTING, 1/4 str lub

1шт.

10

181152C1

ROD

tightener spreader, Includes: washer and pin

1шт.

NLS

NO LONGER SERVICED

.531 x 1.062 x .074

1шт.

137185

COTTER PIN,1/8" x 1"

PIN, SPLIT (COTTER), 1/8" x 1"

1шт.

11

194652C1

PIVOT

BAR, tightener rod

1шт.

12

391745R1

SPRING

tightener rod, Includes: washer and nut

1шт.

120396

WASHER

.531 x 1.062 x .074

1шт.

120378

NUT,Hex, 1/2" - 13, Gr 5

NUT, 1/2"-13, G5

1шт.

13

181196C2

PULLEY

ASSY, spreader driven, 10.0 in. OD, 254.mm OD, Includes: bolt, nut and washer

1шт.

25234R1

BOLT,Hex, 5/16" - 18 x 2 1/4", Gr 8

5/16 x 2-1/4 phc type 8

1шт.

9413977

NUT

5/16 phc p/t lock type 8

1шт.

25534R1

WASHER

.406 x .812 x .065 phc hdn

1шт.

14

1303034C1

SHIELD

spreader drive, Includes: screw and nut

1шт.

135270

SERRATED SCREW,5/16" - 18 x 3/4"

5/16 x 3/4 znp slt-truss-hd

1шт.

938017R1

FLANGE NUT,Flg, USR, 5/16"-18

5/16 flange lock

1шт.

15

186384C3

SHAFT

straw spreader cross

1шт.

16

1303072C1

BEARING COVER

bearing shield

1шт.

17

185410C1

GEAR-SET

GEAR SET, spreader drive, 14T

1шт.

18

192240C1

SHAFT

straw spreader, Includes: pin and washer

1шт.

576517R1

LOCK PIN,1/4" x 1 1/2", Slotted

Pin, 1/4" x 1 1/2", Slotted

1шт.

591715R1

WASHER

1.031 x 1.500 x .054

1шт.

19

195293C91

BALL BEARING,0.89" ID x 2.04" OD x 1"

BEARING, straw spreader

4шт.

20

571424R1

FLANGE

straw spreader bearing, Includes: screw, nut and bolt

8шт.

135270

SERRATED SCREW,5/16" - 18 x 3/4"

5/16 x 3/4 znp slt-truss-hd

1шт.

938017R1

FLANGE NUT,Flg, USR, 5/16"-18

5/16 flange lock

1шт.

202107C1

BOLT,Hex Serr Flg, 5/16" - 18 x 3/4"

5/16 x 3/4 znp hex/hd flg lock

1шт.

21

1319303C1

PIN

straw spreader, replaces 192235C2

1шт.

22

183041C1

WASHER

WASHER, straw spreader cone

1шт.

23

188218C2

SUPPORT ASSY.

SUPPORT ASSY, straw spreader

1шт.

24

192254C1

DISC

RETAINER, straw spreader bats

1шт.

25

1303172C1

BAT

STRIP, straw spreader, Includes: bolt, nut and washer

1шт.

Ref #25 - The Straw Spreader Strip for Rice is 1302790C1.

1шт.

180082

BOLT (SPREADER),Hex, 5/16" - 18 x 1 3/8", Gr 5

BOLT, 5/16 x 1-3/8 type 5

1шт.

188471C1

FLANGE NUT,Flg, 5/16"-18

NUT, 5/16 high torque

1шт.

120393

BEARING WASHER,5/16", SAE

WASHER, .344 x .688 x .051

1шт.

26

1317897C1

SUPPORT

ASSY, spreader drive, replaces 183037C1, also order shaft 186384C2, Includes: bolts, washers and nut

1шт.

Illustration for Ref. 26 is incorrect.

1шт.

9635884

BOLT,Hex, 5/16" - 18 1", Full Thd, Gr 5

5/16 x 1 type 5

1шт.

120376

NUT,5/16"-18, G5

1шт.

80681

LOCK WASHER,5/16"

WASHER, LOCK, 5/16"

1шт.

180077

BOLT,Hex, 5/16" - 18 x 3/4", Gr 5

5/16 x 3/4 type 5

1шт.

120393

BEARING WASHER,5/16", SAE

WASHER, .344 x .688 x .051

1шт.

27

186449C2

SHIELD

straw spreader dust, Includes: screw and nut

1шт.

135270

SERRATED SCREW,5/16" - 18 x 3/4"

5/16 x 3/4 znp slt-truss-hd

1шт.

938017R1

FLANGE NUT,Flg, USR, 5/16"-18

5/16 flange lock

1шт.

28

181207C1

ROD

straw spreader shield, Includes: nut

1шт.

487374R1

BEARING LOCK NUT,Flg, USR, 1/2"-13

1/2 flange lock

1шт.

29

195246C4

SHIELD

straw spreader, Includes: screw and nut

1шт.

541313R1

BOLT,Hex Serr Flg, 3/8" - 16 x 3/4"

SCREW, 3/8 x 3/4 hex-hd flange

1шт.

482256R1

BEARING LOCK NUT,Flg, USR, 3/8"-16

3/8 flange lock

1шт.

30

104226H

CLAMP

spreader drive gear, Includes: bolt nut and washer

2шт.

24843R1

BOLT,Hex, 3/8" - 16 x 2", Gr 8

1шт.

21333R1

NUT,3/8"-16, G8

3/8 type 8

1шт.

120382

LOCK WASHER,Helical Spring, 3/8"

WASHER, LOCK, 3/8"

1шт.

1315270C91

SUPPORT ASSY.

SUPPORT ASSY, with idler pulley, consists of to 10199

1шт.

1315274C1

BRACKET

SUPPORT ASSY, drive tightener

1шт.

1315269C1

PULLEY

idler, Includes: nut and washers

1шт.

120378

NUT,Hex, 1/2" - 13, Gr 5

NUT, 1/2"-13, G5

1шт.

120384

WASHER,1/2"

LOCK, 1/2"

1шт.

NLS

NO LONGER SERVICED

.531 x 1.062 x .074

1шт.

Выбрано товаров: 87