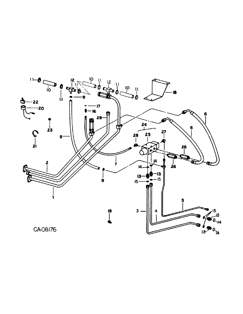
Запчасти Case IH 1420 (15-02) - WHEEL AND TRACTION, POWER GUIDE WHEELS HYDRAULIC AND ELECTRICAL PARTS Wheels & Traction

Схема запчастей Case IH 1420 - (15-02) - WHEEL AND TRACTION, POWER GUIDE WHEELS HYDRAULIC AND ELECTRICAL PARTS Wheels & Traction
23
8
7
15
4
15
6
14
18
6
27
15
13
10
20
11
5
29
10
1
2
11
17
14
16
13
25
12
9
13
28
21
11
3
19
14
24
9
11
13
26
22
12
14
10
11
26
FIT
1:1
100%

Артикул

Название

Примечание

Количество

1

1310935C1

TUBE

ASSY, hydro drive reverse upper pressure

1шт.

2

1310934C1

TUBE

ASSY, hydro drive forward upper pressure

1шт.

3

1310937C1

TUBE

ASSY, power guide drive reverse pressure

1шт.

4

1310936C1

TUBE

ASSY, power guide drive forward pressure

1шт.

5

1310941C1

TUBE

ASSY, power guide drain

1шт.

6

1304931C1

HOSE,19.05mm ID x 762mm L

ASSY, valve pressure, 30 in., 762 mm

2шт.

7

138961C1

HOSE

ASSY, valve pressure, 36 in., 914 mm, replaces 183531C1 & 1315468C1

1шт.

8

HOSE, power guide drive drain, use 48 in. of 3/8 in. ID hose from 25 ft. roll marked S118400

1шт.

9

244713R1

HOSE CLAMP,#4, 0.25/0.62 Type M Worm

CLAMP, drain hose

2шт.

10

HOSE, power guide drive return, use 4.4 in. ID hose from 25 ft. roll marked 180720C2

3шт.

11

122316R91

HOSE CLAMP,#12, 0.69/1.25 Type F Worm

CLAMP, return hose

6шт.

12

196709C1

TEE

drive return hose

2шт.

13

1301487C2

UNION

power guide dr. pressure tubes

4шт.

14

368269R1

O-RING,0.116" Thk x 0.924" ID, -912, Cl 6, 90 Duro

for 3/4 in. tube

4шт.

15

183797C1

SEAL

pressure tube union

4шт.

16

9410200

HYD CONNECTOR,7/16" - 20 JIC x 7/16" - 20 ORB

UNION, 7/16-20 37 deg hyd short swivel

1шт.

17

369751R1

O-RING,0.072" Thk x 0.351" ID, -904, Cl 6, 90 Duro

4-1, 90 Duro, .351" ID x .072" Thk, 1/4 OD tube

2шт.

18

1301426C1

SUPPORT

power guide drive valve, Includes: bolt and nut

1шт.

113-257

BOLT,Hex, 3/8" - 16 x 2-1/2", Gr 5

3/8 x 2-1/2 type 5

1шт.

482256R1

BEARING LOCK NUT,Flg, USR, 3/8"-16

3/8 flange lock

1шт.

19

589980R2

CLIP

CLAMP, hyd tube

1шт.

19

299606C1

CLIP

CLAMP, hyd tube, Includes: screw and nut

1шт.

135270

SERRATED SCREW,5/16" - 18 x 3/4"

5/16 x 3/4 znp slt-truss-hd

1шт.

938017R1

FLANGE NUT,Flg, USR, 5/16"-18

5/16 flange lock

1шт.

19

26613R1

CLAMP,1 7/8", Insul, 1/2" Bolt

hyd hose, Includes: bolt, nut and washers

1шт.

189299

BOLT,Hex, 5/16" - 18 x 4 1/2", Gr 5

5/16 x 4-1/2 type 5

1шт.

120376

NUT,5/16"-18, G5

1шт.

80681

LOCK WASHER,5/16"

WASHER, LOCK, 5/16"

1шт.

134238R1

WASHER

.344 x 1.000 x .054

1шт.

20

1301523C1

HARNESS

ASSY, power guide drive

1шт.

21

702093C1

CABLE TIE

TIE, wire

1шт.

22

1301521C1

SWITCH

ASSY, power guide drive

1шт.

23

198822C1

GROMMET,6.35mm ID x 41.1mm OD x 26.9mm Thk

1/4 in. ID

1шт.

24

1310514C91

VALVE

ASSY, power guide drive selector, Includes: o-ring and Ref. nos. 25 thru 28

1шт.

25

1310579C91

LOCK VALVE

VALVE ASSY, selector

1шт.

368269R1

O-RING,0.116" Thk x 0.924" ID, -912, Cl 6, 90 Duro

3/4 OD tube class 6

1шт.

26

1310542C1

VALVE

ASSY, flow limiter

2шт.

27

585694R1

ELBOW,90 Degree, 9/16"-18, 37 Degree x 3/8"-18, NPTF

hyd 3/8 to 1/8 90 deg

1шт.

28

9410974

ELBOW,90 Degree, 7/16"-20, 37 Degree x 7/16"-20, O-Ring

1/4 hyd adj 90 deg, Includes: o-ring

1шт.

369751R1

O-RING,0.072" Thk x 0.351" ID, -904, Cl 6, 90 Duro

4-1, 90 Duro, .351" ID x .072" Thk, 1/4 OD tube, class 6

1шт.

29

1304937C1

HYD TUBE

TUBE ASSY, upper bleed, for Eaton

1шт.

29

1310690C1

TUBE

ASSY, upper bleed, for Sundstrand

1шт.

1310710C1

DECAL

PRUDUCT GRAPHIC, 4-wheel drive

1шт.

Выбрано товаров: 43