Запчасти Case IH 1420 (15-07) - WHEEL AND TRACTION, DRIVE ASSY POWER GUIDE WHEELS Wheels & Traction

Схема запчастей Case IH 1420 - (15-07) - WHEEL AND TRACTION, DRIVE ASSY POWER GUIDE WHEELS Wheels & Traction
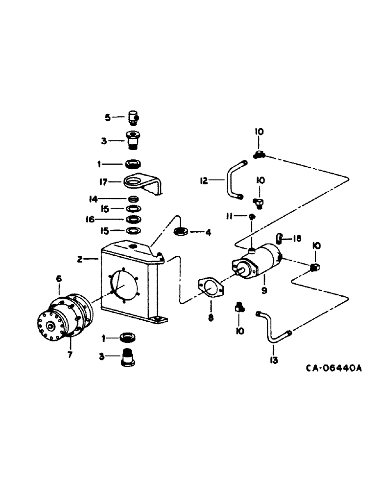
16
1
3
17
2
15
3
10
18
7
1
15
10
12
9
10
13
11
4
5
6
10
14
8
FIT
1:1
100%

Артикул

Название

Примечание

Количество

1

613524C91

SPHERICAL BEARING,44.44mm ID x 71.44mm OD x 38.89mm W

BEARING, spherical radial

4шт.

2

1310550C1

SUPPORT ASSY.

SUPPORT ASSY, LH box

1шт.

2

1310549C1

SUPPORT ASSY.

SUPPORT ASSY, RH box, Includes: bolt and nut

1шт.

469805R1

BOLT,Hex, 5/8" - 11 x 2", Gr 8

5/8 x 2 type 8

1шт.

25528R1

NUT,5/8"-11, G8

5/8 PHC TYPE 8

1шт.

3

1310551C1

BOLT,Hex, 1 5/8" - 12 x 2.73"

BOLT, center ported pivot

4шт.

4

1310553C1

JAM NUT

ported pivot bolt

4шт.

5

1310552C1

ELBOW

90 deg hi-pressure swivel

4шт.

368269R1

O-RING,0.116" Thk x 0.924" ID, -912, Cl 6, 90 Duro

3/4 OD tube class 6

1шт.

6

1310554C91

CASE

ASSY, planitary gear, Includes: bolt and washer

2шт.

161068R1

BOLT,Spcl, Hex, 5/8" - 11 x 1 1/2"

1шт.

NLS

NO LONGER SERVICED

.656 x 1.312 x .074

1шт.

7

1310563C1

STUD,5/8" - 18 x 2.15"

BOLT, steering tire mounting, Includes: nut and washer

18шт.

25676R1

NUT,5/8"-18, G8

5/8-NF phc type 8

1шт.

25556R1

WASHER,21/32" x 1 1/2" x .188", HDN

.656 x 1.500 x .188 phc hdn

1шт.

8

1310555C1

GASKET

hyd motor

2шт.

9

1310556C91

MOTOR, ELECTRIC

MOTOR ASSY, fixed axial position, Includes: bolt and washer

2шт.

427566

BOLT,Hex, 1/2"-13 x 1 1/2", G8, Full Thd

1/2 x 1-1/2 type 8

1шт.

NLS

NO LONGER SERVICED

.531 x 1.062 x .074

1шт.

10

9410979

ELBOW,90 Degree, 1 1/16"-12, 37 Degree x 1 1/16"-12, O-Ring

3/4 C-Z hyd adj 90 deg

8шт.

368269R1

O-RING,0.116" Thk x 0.924" ID, -912, Cl 6, 90 Duro

3/4 OD tube class 6

1шт.

11

9410977

ELBOW,90 Degree, 3/4"-16, 37 Degree x 3/4"-16, O-Ring

1/2 C-Z hyd adj 90 deg, Includes: o-ring

2шт.

570828R1

O-RING,0.087" Thk x 0.644" ID, -908, Cl 6, 90 Duro

1/2 OD tube class 6

1шт.

12

1310558C1

TUBE

ASSY, motor lower LH

1шт.

12

1310581C1

TUBE

ASSY, motor lower RH

1шт.

13

1310559C1

TUBE

ASSY, motor upper LH

1шт.

13

1310582C1

TUBE

ASSY, motor upper RH

1шт.

14

1310560C1

THRUST WASHER

thrust washer

2шт.

15

890477C1

WASHER

WASHER

4шт.

16

1310562C1

THRUST WASHER

thrust

2шт.

17

EXTENSION, exle, refer to this group under axle power guide wheel

1шт.

18

299565C1

CLAMP

.688 dia. znp coated

1шт.

1272263C1

KIT

fixed axial motor, consists of o-ring (NSS), retaining ring (NSS), retaining ring (NSS), shaft seal (NSS)

1шт.

1319387C1

SEAL KIT

gear case seal, consists of o-ring (NSS), retaining ring (NSS), spindle seal (NSS), o-ring (NSS), (2) seal (NSS), roll pin (NSS)

1шт.

Выбрано товаров: 34