Запчасти Case IH 1470 (08-03) - ELECTRICAL, WIRING DIAGRAM, INSTRUMENT PANEL, SERIAL NO. 10000 AND BELOW (06) - ELECTRICAL

Схема запчастей Case IH 1470 - (08-03) - ELECTRICAL, WIRING DIAGRAM, INSTRUMENT PANEL, SERIAL NO. 10000 AND BELOW (06) - ELECTRICAL
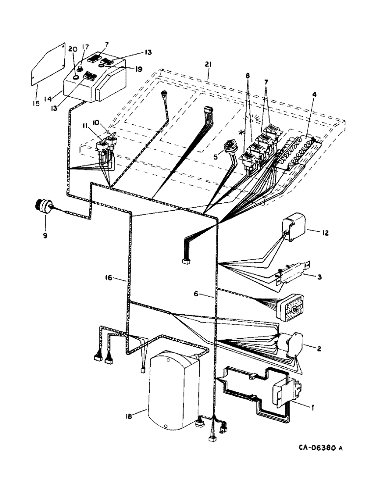
20
4
12
14
10
15
13
2
9
17
16
7
18
11
7
13
8
19
1
6
3
21
5
FIT
1:1
100%

Артикул

Название

Примечание

Количество

1

187609C1

RECTIFIER

RECITIFIER ASSY, diode

1шт.

937875R1

SCREW,Serr, 1/4" - 20

no. 1/4 x 3/4 t/hds

1шт.

938016R1

FLANGE NUT,Flg, USR, 1/4"-20

1/4 flange lock

1шт.

2

107655C1

SOLENOID SWITCH

SWITCH ASSY, magnetic start

1шт.

938016R1

FLANGE NUT,Flg, USR, 1/4"-20

1/4 flange lock

1шт.

120376

NUT,5/16"-18, G5

1шт.

120614

NUT,Hex, #10 - 32

NUT, #10-32

1шт.

937875R1

SCREW,Serr, 1/4" - 20

1/4 x 3/4 t/hds

1шт.

80681

LOCK WASHER,5/16"

WASHER, LOCK, 5/16"

1шт.

120217

LOCK WASHER,#10

WASHER, LOCK, #10

1шт.

3

245870C1

BRACKET

1шт.

1301157C1

BAR

1шт.

262969C91

FUSE

BREAKER, circuit, 30 amp

2шт.

120614

NUT,Hex, #10 - 32

NUT, #10-32

8шт.

120217

LOCK WASHER,#10

WASHER, LOCK, #10

8шт.

262965C91

BREAKER

10 amp

1шт.

160046

SCREW,Cross Pan Hd, #10 - 32 x 1/2"

2шт.

4

196875C1

BLOCK

fuse panel

1шт.

142630

FUSE

cartridge type, 5 amp

1шт.

117142

FUSE,10 Amp, Type 3AG

cartridge type, 10 amp

4шт.

432644

FUSE,20 Amp, Type SFE

cartridge type, 20 amp

2шт.

223-31

FUSE,10 Amp, Type 3AG

cartridge type, 30 amp

1шт.

120361

NUT,Hex Mach Screw, #10 - 24

1шт.

174097C1

FLANGE NUT,Flg, USR, #10-24

10-24 C-Z flange lock

1шт.

159920

SCREW,Cross Pan Hd, #10 - 24 x 1/2"

1шт.

120217

LOCK WASHER,#10

WASHER, LOCK, #10

1шт.

5

107682C1

SWITCH

ASSY, key starting

1шт.

365502R1

NUT

switch mtg.

1шт.

131313C1

KEY, IGNITION

switch

1шт.

NLS

NO LONGER SERVICED

LOCK, Int Tooth, 13/16"

1шт.

6

195784C4

HARNESS

console

1шт.

120361

NUT,Hex Mach Screw, #10 - 24

1шт.

159947

HYD CONNECTOR

no. 10 x 3/4 znp P/HDCR mach

1шт.

120217

LOCK WASHER,#10

WASHER, LOCK, #10

1шт.

7

198960C1

SWITCH

ASSY, ether starting, rotor and manual leveling

3шт.

156664

SCREW,Cross Oval Hd, #6 - 32 x 5/8"

1шт.

121839

SCREW,Sl Rnd Hd, #6 - 32 x 5/16"

no. 6 x 5/16 znp r/hds mach

1шт.

8

195605C1

SWITCH

ASSY, lights

2шт.

156664

SCREW,Cross Oval Hd, #6 - 32 x 5/8"

1шт.

9

121628C1

BUZZER

audible alarm

1шт.

10

1304063C1

SWITCH

ASSY, feeder clutch

1шт.

11

187560C1

SWITCH

ASSY, separator clutch

1шт.

12

121590C1

RELAY

alternator

1шт.

REF 12 121590C1 DIODE REDUCES 12 VOLT SYSTEM TO 6 VOLT TO ACCEPT 6 VOLT RELAY. IF RELAY IS BURNING OUT, REPLACE DIODE. NOTE IN 1480 BOOK. CNS/CAM 3/13/98

1шт.

938016R1

FLANGE NUT,Flg, USR, 1/4"-20

1/4 flange lock

1шт.

937875R1

SCREW,Serr, 1/4" - 20

no. 1/4 x 3/4 t/hds

1шт.

13

1301004C1

SWITCH

ASSY, 2 position rocker

2шт.

159344

SCREW,Cross Pan Hd, #6 - 32 x 5/8"

no. 6 x 5/8 phc P/HDCR mach

1шт.

14

1304294C2

TRANSFER BOX

PANEL, console

1шт.

1304680C1

NUT, 8-32 UNC

1шт.

132760

SCREW,Sl Rnd Hd, #8 - 32 x 1/2"

no. 8 x 1/2 r/hds mach

1шт.

15

1304297C2

COVER

HARNESS ASSY, RH console leveling and wheel drive control

1шт.

17

1304252C91

POTENTIOMETER

POTENTIONMETER ASSY, wheel shift control

1шт.

1304699C1

KNOB

potentionmeter

1шт.

18

1304229C1

CONTROL

BOX ASSY, wheel auto shift control

1шт.

19

1304653C1

LIGHT ASSY.

LAMP ASSY, max level indicator

1шт.

20

1304654C1

LIGHT ASSY.

LAMP ASSY, wheel drive indicator

1шт.

21

COVER, instrument panel, refer to group 11 under instruments and gauges

1шт.

Выбрано товаров: 58