Запчасти Case IH 1470 (08-05) - ELECTRICAL, WIRING DIAGRAM, INSTRUMENT PANEL, SERIAL NO. 10001 AND ABOVE (06) - ELECTRICAL

Схема запчастей Case IH 1470 - (08-05) - ELECTRICAL, WIRING DIAGRAM, INSTRUMENT PANEL, SERIAL NO. 10001 AND ABOVE (06) - ELECTRICAL
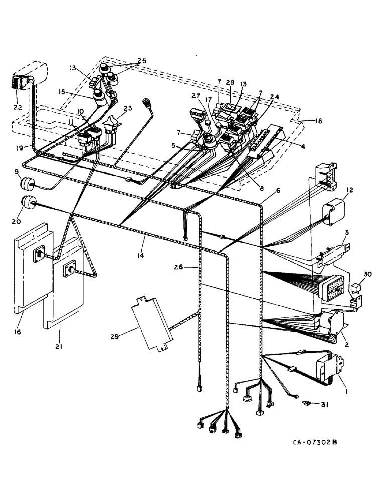
1
24
7
29
5
12
30
8
4
7
13
20
28
6
2
18
16
7
10
14
11
3
19
23
13
21
15
9
25
17
31
22
26
FIT
1:1
100%

Артикул

Название

Примечание

Количество

1

187609C1

RECTIFIER

ASSY, diode

1шт.

938016R1

FLANGE NUT,Flg, USR, 1/4"-20

1/4 flange lock

1шт.

937875R1

SCREW,Serr, 1/4" - 20

no. 1/4 x 3/4 t/hds

1шт.

2

107655C1

SOLENOID SWITCH

SWITCH ASSY, magnetic start

1шт.

938016R1

FLANGE NUT,Flg, USR, 1/4"-20

1/4 flange lock

1шт.

120376

NUT,5/16"-18, G5

1шт.

120614

NUT,Hex, #10 - 32

NUT, #10-32

1шт.

937875R1

SCREW,Serr, 1/4" - 20

1/4 x 3/4 t/hds

1шт.

80681

LOCK WASHER,5/16"

WASHER, LOCK, 5/16"

1шт.

120217

LOCK WASHER,#10

WASHER, LOCK, #10

1шт.

3

262965C91

BREAKER

circuit, 10 amp

1шт.

3

262969C91

FUSE

BREAKER, circuit, 30 amp

2шт.

245870C1

BRACKET

circuit breaker, replaces 1301156C1 and 1202952C1

1шт.

1301157C1

BAR

1шт.

120614

NUT,Hex, #10 - 32

NUT, #10-32

1шт.

120217

LOCK WASHER,#10

WASHER, LOCK, #10

1шт.

4

196875C1

BLOCK

fuse panel

1шт.

NLS

NO LONGER SERVICED

cartridge type, 5 amp

1шт.

117142

FUSE,10 Amp, Type 3AG

cartridge type, 10 amp

4шт.

A149800

FUSE,10 Amp

cartridge type, 10 amp

4шт.

432644

FUSE,20 Amp, Type SFE

cartridge type, 20 amp

2шт.

223-31

FUSE,10 Amp, Type 3AG

cartridge type, 30 amp

1шт.

120361

NUT,Hex Mach Screw, #10 - 24

1шт.

174097C1

FLANGE NUT,Flg, USR, #10-24

10-24 C-Z flange lock

1шт.

159920

SCREW,Cross Pan Hd, #10 - 24 x 1/2"

1шт.

120217

LOCK WASHER,#10

WASHER, LOCK, #10

1шт.

5

107682C1

SWITCH

ASSY, key starting

1шт.

365502R1

NUT

switch mounting

1шт.

131313C1

KEY, IGNITION

switch

1шт.

125793

LOCK, Int Tooth, 13/16"

1шт.

6

245298C1

HARNESS

ASSY, console, replaces 1301530C3

1шт.

463-11012

SCREW,Hex Hd, #10-24 x 3/4"

no. 10 x 3/4 znp h/hd mach

1шт.

174097C1

FLANGE NUT,Flg, USR, #10-24

10-24 C-Z flange lock

1шт.

7

198960C1

SWITCH

ASSY, ether starting, fan manual leveling and rotor

4шт.

159344

SCREW,Cross Pan Hd, #6 - 32 x 5/8"

no. 6 x 5/8 phc P/HDCR mach

1шт.

8

195605C1

SWITCH

ASSY, light

1шт.

159344

SCREW,Cross Pan Hd, #6 - 32 x 5/8"

no. 6 x 5/8 phc P/HDCR mach

1шт.

9

121628C1

BUZZER

audible alarm

1шт.

10

1304063C1

SWITCH

ASSY, feeder clutch

1шт.

11

1301521C1

SWITCH

ASSY, separator clutch

1шт.

12

121590C1

RELAY

alternator, Serial Range: 10001-20000

1шт.

REF 12 121590C1 DIODE REDUCES 12 VOLT SYSTEM TO 6 VOLT TO ACCEPT 6 VOLT RELAY. IF RELAY IS BURNING OUT, REPLACE DIODE. NOTE IN 1480 BOOK. CNS/CAM 3/13/98

1шт.

938016R1

FLANGE NUT,Flg, USR, 1/4"-20

1/4 flange lock

1шт.

937875R1

SCREW,Serr, 1/4" - 20

no. 1/4 x 3/4 t/hds

1шт.

13

1301004C1

SWITCH

ASSY, 2 position rocker

2шт.

156664

SCREW,Cross Oval Hd, #6 - 32 x 5/8"

1шт.

14

1304786C2

HARNESS

ASSY, RH console leveling and 4 wheel drive control

1шт.

15

1310847C1

POTENTIOMETER

POTENTIONMETER ASSY, reel speed, Serial Range: 10001-20000

1шт.

15

1301176C1

SWITCH

ASSY, reel speed, Start Serial: 20001

1шт.

1301036C1

BUTTON

KNOB, reel speed

1шт.

1310774C1

SUPPORT

BAR, reel speed switch

1шт.

134530

NUT,Hex, #6 - 32

Machine screw #6-32

1шт.

121839

SCREW,Sl Rnd Hd, #6 - 32 x 5/16"

no. 6 x 5/16 znp r/hds mach

1шт.

138526

LOCK WASHER

no. 6 int. tooth lcok

1шт.

156664

SCREW,Cross Oval Hd, #6 - 32 x 5/8"

1шт.

16

1310701C3

CONTROL

ASSY, 4 wheel auto shift

1шт.

231-4144

NUT,1/4"-20, GB

NUT, 1/4 caf P/T lock type 5

1шт.

160556

SCREW,Cross Pan Hd, 1/4" - 20 x 1"

1шт.

17

121684C91

LIGHT ASSY.

LAMP ASSY, 4 wheel drive indicator, serviceable items are

1шт.

71892C1

LENS

1шт.

200557H1

BULB,C2V, #1815, 14V

LAMP, no. 1815

1шт.

18

COVER, instrument panel, refer to group 11 under instruments and gauges

1шт.

19

1301079C1

HARNESS

ASSY, header lift handle

1шт.

20

1304757C1

BUZZER

4 wheel drive, Serial Range: -10075

1шт.

20

1265644C1

BUZZER

4 wheel drive, Start Serial: 10076

1шт.

21

1310875C2

CONTROL

ASSY, leveling

1шт.

22

91926C1

SWITCH

ASSY, header lift control, replaces 1301092C1

1шт.

23

1301175C1

SWITCH

reel lift

1шт.

159344

SCREW,Cross Pan Hd, #6 - 32 x 5/8"

no. 6 x 5/8 phc P/HDCR mach

1шт.

24

1301004C1

SWITCH

ASSY, head light on-off

1шт.

159344

SCREW,Cross Pan Hd, #6 - 32 x 5/8"

no. 6 x 5/8 phc P/HDCR mach

1шт.

25

1301443C1

POTENTIOMETER

POTENTIONMETER, Control (1) Header Height, (1) Sensitivity

2шт.

26

1301550C2

HARNESS

ASSY, header height control

1шт.

27

109369C91

LIGHT ASSY.

LAMP ASSY, max level indicator, serviceable items are

1шт.

71652C1

LENS

1шт.

200557H1

BULB,C2V, #1815, 14V

LAMP, no. 1815

1шт.

28

1310843C1

BREAKER

SWITCH ASSY, auto-manual leveling

1шт.

29

91479C91

CASE

PACKAGE, header height control, consists of module (NSS), instructions (NSS), mounting hardware

1шт.

937059R1

SCREW,Serr, M10 x 70mm, Cl 10.9

1/4-20 x 1/2 slt-truss-hd

1шт.

938016R1

FLANGE NUT,Flg, USR, 1/4"-20

1/4 flange lock

1шт.

30

146461C1

RELAY

miniature

1шт.

31

245952C1

HARNESS

alternator relay connector

1шт.

Выбрано товаров: 82