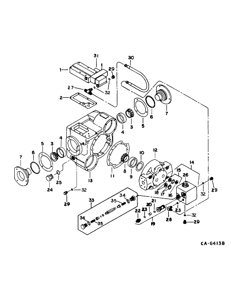
Запчасти Case IH 1470 (10-40) - HYDRAULICS, HYDROSTATIC MOTOR, 2 SPEED, VALVE BLOCK, EATON (07) - HYDRAULICS

Схема запчастей Case IH 1470 - (10-40) - HYDRAULICS, HYDROSTATIC MOTOR, 2 SPEED, VALVE BLOCK, EATON (07) - HYDRAULICS
22
32
29
34
28
12
15
23
5
20
1
34
29
5
24
11
13
9
33
35
21
16
32
30
4
29
3
35
26
6
18
7
3
17
32
8
7
32
27
6
2
31
14
19
25
4
23
29
10
FIT
1:1
100%

Артикул

Название

Примечание

Количество

1

1255068C91

KIT

VALVE ASSY, control

1шт.

92647C1

O-RING,7.52mm ID x 0.574" OD x 3.53mm

orifice retainer

1шт.

92649C1

KIT

valve body w/plug

1шт.

1272954C1

GASKET,0.43mm Thk

control block

2шт.

179824

BOLT,Hex, 5/16" - 18 x 1 3/4", Gr 5

1шт.

2

145337C1

GASKET

control valve

1шт.

3

399933C91

ROLLER BEARING,45.24mm ID x 19.81mm W

CONE ASSY, trunnion

2шт.

4

399934C1

BEARING CUP,73.43mm OD x 15.75mm W

CUP, trunnion

2шт.

5

142386C91

SHIM KIT

SHIM PACKAGE, trunnion

1шт.

6

707220R1

O-RING,0.139" Thk x 2.984" ID, -234, Cl 5, 75 Duro

3 x 3-1/4 x 1/8

2шт.

7

TRUNNION, not serviced separately, order motor 1255015C93

2шт.

179857

BOLT,Hex, 7/16" - 14 x 7/8", Gr 5

7/16 x 7/8 pln type 5

1шт.

8

400983R91

ROLLER BEARING,1.18775" ID x 2.5317" OD x 0.8478"

CONE ASSY, input shaft

1шт.

9

530741R1

BEARING CUP

CUP, input shaft

1шт.

10

142398C91

SHIM KIT

SHIM PACKAGE

1шт.

11

142397C1

GASKET

end cover

1шт.

12

COVER, motor end, not serviced separately, order motor 1255015C93

1шт.

179866

BOLT,Hex, 7/16" - 14 x 2", Gr 5

1шт.

179870

BOLT,Hex, 7/16" - 14 x 3", Gr 5

7/16 x 3 pln type 5

1шт.

13

HOUSING, variable, not serviced separately, order motor 1255015C93

1шт.

14

1261024C92

MANIFOLD VALVE

BLOCK ASSY, manifold valve kit, includes ref. no. 15

1шт.

186285

BOLT,Hex, 3/8" - 16 x 4", Gr 5

1шт.

15

140747C91

SEAL KIT

valve block seal, includes ref. nos. 16 thru 18

1шт.

16

133753C1

O-RING,7/16" ID x 3/4" OD x 1/16"

3/4 x 7/8 x 1/16 sq.

1шт.

17

384943R1

O-RING,0.739" ID x 0.07" Width

-018, 90 Duro, .739" ID x .070" Thk

2шт.

18

631458C1

RING

back-up

2шт.

19

1266867C91

VALVE

ASSY, relief, replaces 402626R94

1шт.

20

BUSHING, ball guide, not serviced separately, order valve assy, 1266867C91

1шт.

21

BALL, 1/4 cr-stl, not serviced separately, order valve assy, 1266867C91

1шт.

22

CONNECTOR, 37 deg flared tube, not serviced separately, order valve assy, 1266867C91

1шт.

23

O-RING, 1/4 OD, not serviced separately, order valve assy, 1266867C91

1шт.

24

9410361

PLUG

1-1/16-12 str thd

1шт.

25

368269R1

O-RING,0.116" Thk x 0.924" ID, -912, Cl 6, 90 Duro

3/4 OD tube class 6

1шт.

26

1266866C91

VALVE

ASSY, low pressure relief

1шт.

27

9411115

TEE,7/16"-20, 37 Degree x 7/8"-14, O-Ring Br

1/4 C-Z hyd fld tube adj

1шт.

28

9410974

ELBOW,90 Degree, 7/16"-20, 37 Degree x 7/16"-20, O-Ring

1/4 C-Z hyd fld adj 90D

1шт.

29

9410356

PLUG

1/4 C-Z str thd o-ring boss

4шт.

30

175760C1

HOSE ASSY.

HOSE ASSY, valve to valve block

1шт.

31

145338C1

SWITCH

VALVE ASSY, solenoid

1шт.

570828R1

O-RING,0.087" Thk x 0.644" ID, -908, Cl 6, 90 Duro

1/2 OD tube class 6

1шт.

355967R1

O-RING,0.364" ID x 0.003" Width

3/8 x 1/2 class 5

1шт.

32

369751R1

O-RING,0.072" Thk x 0.351" ID, -904, Cl 6, 90 Duro

4-1, 90 Duro, .351" ID x .072" Thk, 1/4 OD tube, class 6

4шт.

33

145559C91

KIT

shuttle valve

1шт.

34

364885R1

O-RING,0.097" Thk x 0.755" ID, -910, Cl 6, 90 Duro

5/8 OD shuttle valve

2шт.

35

145560C1

SPRING

shuttle valve

2шт.

393885R91

GASKET KIT

PACKAGE, relief valve seal, consists of

1шт.

20947R1

O-RING,0.103" Thk x 0.799" ID, -117, Cl 6, 90 Duro

13/16 x 1 class 6

1шт.

297459R1

O-RING,0.116" Thk x 1.048" ID, -914, Cl 6, 90 Duro

7/8 OD tube class 6

1шт.

393887R1

BACK-UP RING

RING, back-up

2шт.

Выбрано товаров: 49