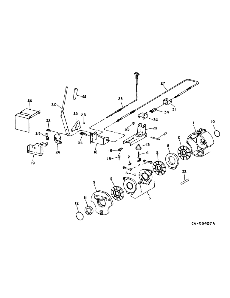
Запчасти Case IH 1470 (04-03) - BRAKE, PARKING BRAKE AND CONTROLS (5.1) - BRAKES

Схема запчастей Case IH 1470 - (04-03) - BRAKE, PARKING BRAKE AND CONTROLS (5.1) - BRAKES
3
15
22
2
10
9
31
17
21
32
4
1
34
28
33
2
25
16
2
29
6
30
14
27
12
13
23
11
7
19
20
35
18
26
24
8
34
5
FIT
1:1
100%

Артикул

Название

Примечание

Количество

1

184149C1

HOUSING

brake

2шт.

413-1036

BOLT,Hex, 5/8" - 11 x 2-1/4", Gr 5

5/8 x 2-1/4 pln type 5

1шт.

27434R1

BOLT,Hex, 5/8" - 11 x 2 1/4", Gr 8

5/8 x 2-1/4 phc P/T type 8

1шт.

20020R1

DOWEL,5/16" x 1"

PIN, 5/16 x 1.000 pln hdn dowel

1шт.

2

184121C92

DISC

ASSY, middle

6шт.

3

401868R91

BRAKE DISC

DISC ASSY, actuating, includes ref. no. 4 thru 7

2шт.

4

369237R1

LINK

actuating

4шт.

5

369238R1

BOLT,3/8" - 24 x 1 3/8", HT

STUD, actuating

4шт.

114494

NUT,Jam, 3/8"-24, G5

1шт.

6

17028R1

BALL,7/8" Dia

10шт.

7

619731C1

SPRING

extension

6шт.

8

401870R1

DISC

intermediate

2шт.

9

184123C91

COVER

ASSY, brake housing adapter, includes ref. no. 32

2шт.

24864R1

BOLT,Hex, 1/2" - 13 x 2", Gr 8

1шт.

120384

WASHER,1/2"

LOCK, 1/2"

1шт.

10

22292R1

O-RING,4.725" ID x 5.275" OD x 0.275"

4-3/4 x 5-1/4 x 1/4

2шт.

11

574273R91

BEARING ASSY,2.1654" ID x 3.937" OD x 0.8268"

differential shaft

2шт.

12

184131C1

SNAP RING,#393, 4.234", Int

RING, housing cover snap

2шт.

13

381699R1

BOOT

brake housing

2шт.

14

162323C91

ROD

ASSY, brake pull

2шт.

271506

DISC

7/16NF type 5

1шт.

103498

CLEVIS PIN,1/2" x 1.360"

PIN, 1/2 x 1.360 pln clevis

1шт.

103385

COTTER PIN,1/8" x 1"

PIN, SPLIT (COTTER), 1/8" x 1"

1шт.

15

168567C1

SPRING

brake lever return

2шт.

20328R1

COTTER PIN,3/16" x 1 1/2"

3/16" x 1 1/2"

1шт.

16

179218C1

ANGLE

brake lever return spring

2шт.

938017R1

FLANGE NUT,Flg, USR, 5/16"-18

5/16 flange lock

1шт.

135270

SERRATED SCREW,5/16" - 18 x 3/4"

5/16 x 3/4 znp slt-truss-hd

1шт.

17

162329C1

PIN

wheel brake lever

2шт.

648002

KNIFE

1/8" x 3/4"

1шт.

18

1304032C3

SUPPORT

ASSY, cable

1шт.

19

1304094C2

PIVOT

SUPPORT ASSY, brake

1шт.

938017R1

FLANGE NUT,Flg, USR, 5/16"-18

5/16 flange lock

1шт.

135270

SERRATED SCREW,5/16" - 18 x 3/4"

5/16 x 3/4 znp slt-truss-hd

1шт.

20

1304029C2

HANDLE

ASSY, brake

1шт.

21

198934C1

HANDLE

GRIP, brake handle

1шт.

22

1304039C1

SUPPORT

brake

1шт.

20153R1

BOLT,Hex, 3/8" - 16 x 1 1/2", Gr 8

3/8 x 1-1/2 type 8

1шт.

21318R1

BOLT,Hex, 3/8" - 16 x 2 1/2", Gr 8

3/8 x 2-1/2 phc type 8

1шт.

9411655

LOCK NUT,3/8"-16, GB

NUT, 3/8 cad P/T lock type 5

1шт.

120394

WASHER,3/8", SAE

WASHER, .406 x .812 x .051

1шт.

120388

.438 x 1.000 x .064

1шт.

23

561277R1

SPACER,5/8" Tube x 1/2"

.407 x .625 x .5

1шт.

24

1304701C1

RATCHET

brake

1шт.

25

1304098C1

SUPPORT

SUPPOR ASSY, brake locking

1шт.

24840R1

BOLT,Hex, 3/8" - 16 x 1", Gr 8

1шт.

9411655

LOCK NUT,3/8"-16, GB

NUT, 3/8 cad P/T lock type 5

1шт.

648002

KNIFE

1/8" x 3/4"

1шт.

24554R1

HEADED PIN,3/8" x 1"

PIN, 3/8 x 1 hd type 5

1шт.

NLS

NO LONGER SERVICED

.438 x 1.000 x .064

1шт.

26

1304036C2

COVER

ASSY, brake lock

1шт.

172427

SHIELD

1/4 x 1/2 h/hd tap

1шт.

27

1304023C91

CABLE

brake control

1шт.

426099

NUT,3/4"-16, G5

3/4NF type 5

1шт.

28

193292C1

BOWDEN CONTROL

CABLE, brake latch control

1шт.

425-117

NUT,7/16"-20, G5

7/16NF type 5

1шт.

29

1302452C2

BRACKET

SUPPORT ASSY, brake lever

2шт.

30

1304025C1

SUPPORT

ASSY, LH brake cable

1шт.

31

1304026C2

SUPPORT

ASSY, RH brake cable

1шт.

32

22274R1

DOWEL,7/8" x 5"

PIN, 7/8 x 5 dowel

2шт.

33

110322

CLEVIS, no. 10-32 adj rod

1шт.

137159

COTTER PIN

3/32" x 5/8"

1шт.

20286R1

SPLIT PIN/SAFETY PIN

PIN, 3/16 x 1.031 clevis

1шт.

34

144243

CLEVIS

3/8-24 adj rod

2шт.

121222

COTTER PIN,3/32" x 3/4"

PIN, SPLIT (COTTER), 3/32" x 3/4"

1шт.

138084

SPLIT PIN/SAFETY PIN

PIN, 3/8 x 1.060 clevis

1шт.

35

354630R1

NUT

pull rod adjusting

2шт.

Выбрано товаров: 67