Запчасти Case IH 1470 (07-04) - DRIVE TRAIN, TRANSMISSION, INPUT PINION SHAFT, GEARS AND SHIFTER RAILS Drive Train

Схема запчастей Case IH 1470 - (07-04) - DRIVE TRAIN, TRANSMISSION, INPUT PINION SHAFT, GEARS AND SHIFTER RAILS Drive Train
6
18
17
28
4
1
27
25
16
3
23
19
8
28
21
11
9
15
2
26
24
25
20
7
12
5
3
25
10
14
22
13
FIT
1:1
100%

Артикул

Название

Примечание

Количество

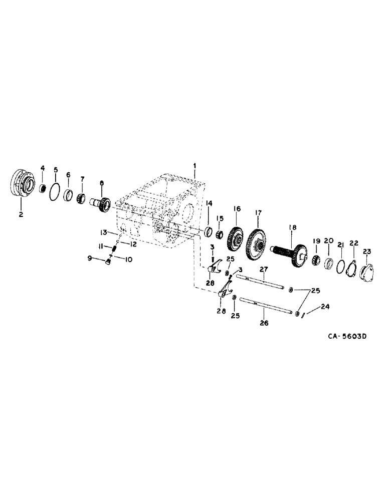
1

CASE, transmission, refer to this group under transmission, differential shaft and gears

1шт.

2

180944C1

HOUSING ASSY.

HOUSING ASSY, input

1шт.

NLS

NO LONGER SERVICED

1шт.

3

573985R1

SET SCREW,Sq Hd, 3/8"-24 x 1"

SCREW, shifter fork set

2шт.

114494

NUT,Jam, 3/8"-24, G5

1шт.

4

359950R91

NEEDLE BEARING

BEARING, needle

1шт.

5

22291R1

O-RING,0.21" Thk x 4.35" ID, -348, Cl 5, 75 Duro

4-3/8 x 4-3/4 x 3/16

1шт.

6

130503H

BEARING CUP

BEARING, input pinion shaft cup

1шт.

7

300426R91

BEARING ASSY,45.618 mm ID x 25.4 mm

CONE ASSY, input pinion shaft bearing

1шт.

8

401890R1

SHAFT

input pinion, 26T

1шт.

9

9410358

PLUG

9/16-18 str thd

2шт.

10

364839R1

O-RING,0.078" Thk x 0.468" ID, -906, Cl 6, 90 Duro

6-1, 90 Duro, .468" ID x .078" Thk

1шт.

11

64600C1

SPRING

gear shift lock ball

2шт.

12

17016R1

BALL,1/2" Dia

2шт.

13

17014R1

BALL

7/16 cr-stl

2шт.

14

50213V

BEARING CUP

CUP, change drive shaft bearing

1шт.

15

50212VA

ROLLER BEARING,33.35mm ID x 24.01mm W

CONE ASSY, change drive shaft bearing

1шт.

16

530700R1

GEAR

2nd and 3rd sliding, 26T and 46T

1шт.

17

401889R1

GEAR

1st sliding, 58T

1шт.

18

130753C3

GEAR

SHAFT AND GEAR, change drive, 34T, replaces 184241C2

1шт.

19

290099C91

TAPERED BEARING,39.69mm ID x 22.1mm W

CONE ASSY, input drive shaft bearing

1шт.

20

290100C1

BEARING CUP,73.05mm OD x 17.78mm W

CUP, input drive shaft bearing

1шт.

21

355740R1

O-RING,0.139" Thk x 3.734" ID, -240, Cl 5, 75 Duro

3-3/4 x 4 x 1/4

1шт.

22

401883R1

SHIM

bearing cup retainer, .003

1шт.

22

401884R1

SHIM

bearing cup retainer, .005

1шт.

22

401885R1

SHIM

bearing cup retainer, .007

1шт.

22

184195C1

SHIM

bearing cup retainer, .030

1шт.

23

130791C1

BEARING CAP,65.5 mm ID x 101.51 mm OD x 58.7 mm

CUP, bearing retainer

1шт.

179842

SPACER

BOLT, 3/8 x 1-3/8 pln type 5

1шт.

24

477589R1

WASHER

lower shift rail stop, Serial Range: -5500

1шт.

113-206

BOLT,Hex, 3/8" - 16 x 3/4", Gr 5, Full Thd

3/8 x 3/4 type 5

1шт.

120382

LOCK WASHER,Helical Spring, 3/8"

WASHER, LOCK, 3/8"

1шт.

25

G10450

OIL SEAL,19.05mm ID x 31.85mm OD x 6.35mm Thk

shifter rail oil

4шт.

26

121658C4

SHAFT

2nd and 3rd gear shifter

1шт.

576517R1

LOCK PIN,1/4" x 1 1/2", Slotted

Pin, 1/4" x 1 1/2", Slotted

1шт.

27

121659C2

SHAFT

1st gear shifter

1шт.

28

401897R2

FORK

gear shifter

2шт.

Выбрано товаров: 37