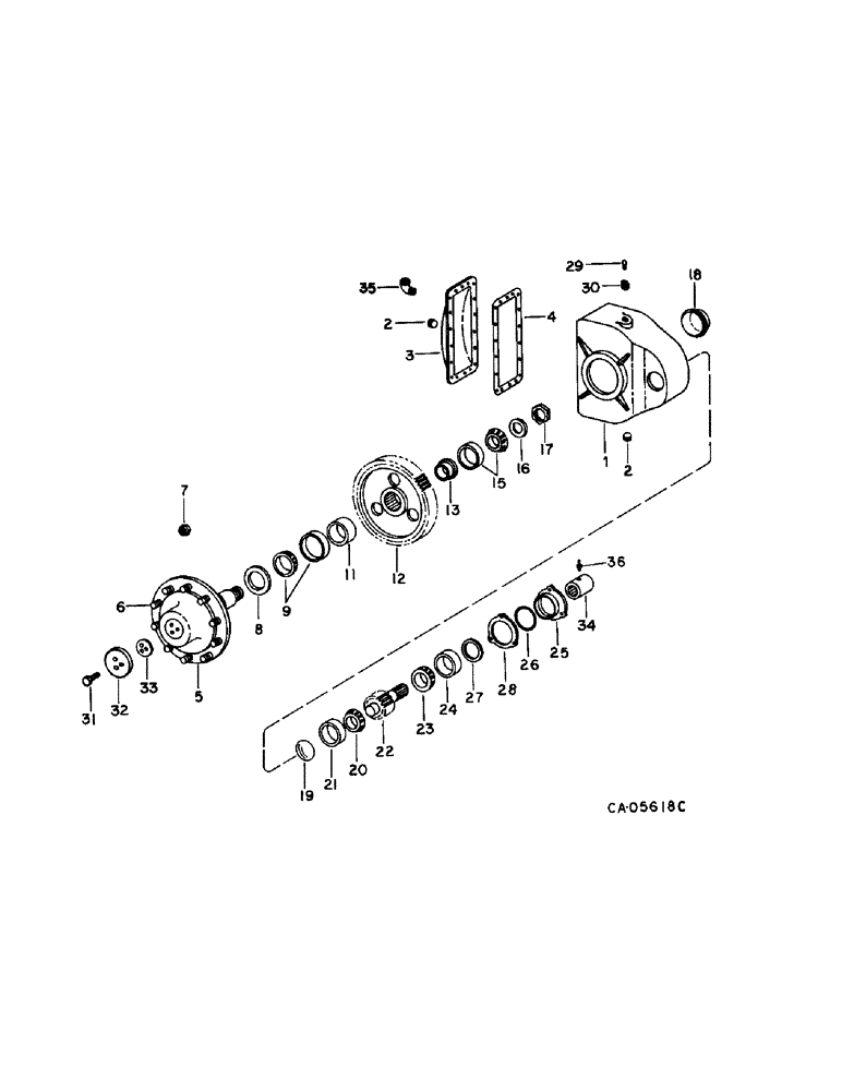
Запчасти Case IH 1470 (07-08) - DRIVE TRAIN, FINAL DRIVE, SERIAL NO. 20000 AND BELOW Drive Train

Схема запчастей Case IH 1470 - (07-08) - DRIVE TRAIN, FINAL DRIVE, SERIAL NO. 20000 AND BELOW Drive Train
16
7
2
32
26
31
9
29
4
2
30
22
35
13
18
25
11
36
34
6
19
23
33
17
24
8
1
20
21
3
15
28
12
27
5
FIT
1:1
100%

Артикул

Название

Примечание

Количество

184103C93

DRIVE

ASSY, final, order drive assy., 1315500C92

2шт.

21457R1

BOLT,Hex, 3/4" - 10 x 2 1/4", Gr 8

3/4 x 2-1/4 type 8

1шт.

21610R1

BOLT,Hex, 3/4" - 10 x 2 1/2", Gr 8

3/4 x 2-1/2 type 8

1шт.

24771R1

LOCK WASHER,3/4"

WASHER, LOCK, 3/4"

1шт.

390310C1

WASHER,Flat, 3/4" Bolt, 13/16" ID x 1 1/2" OD x 0.134", HDN, ZND

.812 x 1.500 x .134 hdn

1шт.

21452R1

BOLT,Hex, 3/4" - 10 x 2", Gr 8

3/4 x 2 type 8

1шт.

1

86851C2

HOUSING

final drive, replaces 401901C3 by also ordering:

2шт.

86839C2

COVER

final drive housing

1шт.

24862R1

BOLT,Hex, 1/2" - 13 x 1 1/2", Gr 8

12шт.

26273R1

WASHER

.531 x 1.062 x .134 phc hdn

12шт.

140483H

BOLT,Hex, 3/8" - 16 x 1 1/4", Gr 8, Full Thd

6шт.

25896R1

WASHER,13/32" x 13/16" x .09", HDN

.406 x .812 x .089 phc hdn

6шт.

94649C1

CAGE

pinion inner bearing

1шт.

86895C1

SHIM,117.4mm ID x 136.2mm OD x 0.08mm Thk

pinion inner bearing, .003 in.

1шт.

86896C1

SHIM,117.4mm ID x 136.2mm OD x 0.13mm Thk

pinion inner bearing, .005 in.

1шт.

86897C1

SHIM,117.4mm ID x 136.2mm OD x 0.18mm Thk

pinion inner bearing, .007 in.

1шт.

86898C1

SHIM,117.4mm ID x 136.2mm OD x 0.76mm Thk

pinion inner bearing, .030 in.

1шт.

2

9409947

DRAIN PLUG,Sq Soc, 3/4"-14 NPTF

PLUG, 3/4-14 auto sq-hd pipe

6шт.

3

403894R2

COVER ASSY

housing

2шт.

541313R1

BOLT,Hex Serr Flg, 3/8" - 16 x 3/4"

SCREW, 3/8 x 3/4 hex-hd flange

1шт.

4

196435C1

GASKET

final drive housing cover

2шт.

5

1315484C91

SHAFT

final drive, replaces 130880C92 and 1277042C92, includes ref. nos. 6, 31, 32, and 33

1шт.

6

565130R3

BOLT,3/4" - 16 x 2 5/8", Class 8

wheel

20шт.

7

429-112

3/4-16 wheel bolt

20шт.

25548R1

WASHER

.812 x 1.500 x .219 phc hdn

1шт.

8

401905R91

OIL SEAL,98.93mm ID x 152.58mm OD x 15.88mm Thk

outer bearing cage

2шт.

9

283445C91

BEARING ASSY,85.03mm ID x 150.09mm OD x 44.4.5mm W

ASSY, shaft roller outer

2шт.

10

(Not used this application)

1шт.

11

130809C1

SPACER

gear outer

2шт.

12

130885C1

GEAR

drive, 66T

2шт.

13

130808C1

SPACER

final drive

2шт.

14

(Not used this application)

1шт.

15

66116R91

BEARING ASSY,66.67mm ID x 112.71mm OD x 30.16mm W

ASSY, shaft roller inner

2шт.

16

403896R1

WASHER

WASHER, final drive

2шт.

17

147030R1

SLOTTED NUT

shaft 2-13 ns thread

2шт.

17233R1

COTTER PIN,1/8" x 2 1/2"

1/8" x 2 1/2"

1шт.

18

403895R1

COVER

main shaft

2шт.

19

(Not used this application)

1шт.

20

401911R91

BEARING ASSY,44.45mm ID x 31.75mm W

BEARING ASSY, pinion shaft outer cone

2шт.

21

61012R1

BEARING, CUP,93.66mm OD x 25.4mm W

BEARING, pinion shaft outer cup

2шт.

22

184104C1

SHAFT

pinion

2шт.

23

196454C91

BEARING ASSY,57.15mm ID x 30.96mm W

inner cone

2шт.

24

360325R1

BEARING, CUP,104.775 mm OD x 23.812 mm

BEARING, inner cup

2шт.

25

130886C1

CAGE

pinion inner bearing

2шт.

26

257642R1

O-RING,0.139" Thk x 4.234" ID, -244, Cl 5, 75 Duro

4-1/4 x 4-1/2 x 1/8

2шт.

27

196452C1

OIL SEAL

bearing cage

2шт.

26307R1

BOLT,Hex, 5/16" - 18 x 1", Gr 5

5/16 x 1 phc P/T type 5

1шт.

28

401915R1

SHIM

pinion inner bearing, .003

1шт.

28

401916R1

SHIM

pinion inner bearing, .005

1шт.

28

401917R1

SHIM

pinion inner bearing, .007

1шт.

28

184033C1

SHIM

pinion inner bearing, .030

1шт.

29

61991R91

BREATHER,1/8"-27 NPT, Short, w/washer

ASSY, oil

2шт.

30

21276R1

ADAPTER,3/4" NPT Male x 1/8" NPT Fem

REDUCER, 3/4 x 1/8 pipe

2шт.

31

875933C1

BOLT,Hex, 5/8" - 11 x 2 1/4", Drilled

1 x 3-3/4 phc P/T type 8, for use with final drive shaft 130880C92

2шт.

31

28103R1

BOLT,Hex, 1" - 8 x 3 3/4", Gr 8

1 x 3-3/4 phc P/T type 8, for use with final drive shaft 1277042C92 and 1315484C91

2шт.

32

121797C1

WASHER

final drive shaft, for use with final drive shaft 130880C92

2шт.

32

1277033C1

WASHER

final drive shaft, for use with final drive shaft 1277042C92 and 1315484C91

2шт.

33

121798C1

SHIM

final drive shaft, .015

1шт.

33

121799C1

SHIM

final drive shaft, .018

1шт.

33

121800C1

SHIM

final drive shaft, .021, for use with final drive shaft 130880C92

1шт.

33

1277039C1

SHIM

final drive shaft, .015

1шт.

33

1277040C1

DISC

SHIM, final drive shaft,. 018

1шт.

33

1277041C1

SHIM

final drive shaft, .021, for use with final drive shaft 1277042C92 and 1315484C91

1шт.

34

(Not used this application)

1шт.

35

141621

ELBOW,90 Degree, 3/4" NPT Street

3/4 x 90 deg st

2шт.

36

(Not used this application)

1шт.

Выбрано товаров: 0