Запчасти Case IH 1470 (25-10) - GRAIN AND TAILINGS ELEVATORS, TAILINGS DELIVERY AUGER Elevators

Схема запчастей Case IH 1470 - (25-10) - GRAIN AND TAILINGS ELEVATORS, TAILINGS DELIVERY AUGER Elevators
11
7
7
9
4
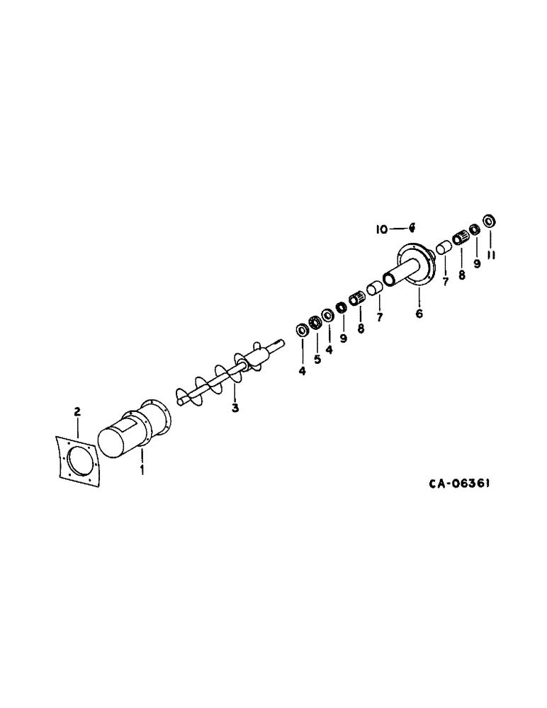
1
8
2
6
4
8
10
3
9
5
FIT
1:1
100%

Артикул

Название

Примечание

Количество

1

185225C1

TUBE,6.56" Length

ASSY, tailings delivery auger

1шт.

135270

SERRATED SCREW,5/16" - 18 x 3/4"

5/16 x 3/4 znp slt-truss-hd

1шт.

120376

NUT,5/16"-18, G5

1шт.

80681

LOCK WASHER,5/16"

WASHER, LOCK, 5/16"

1шт.

938017R1

FLANGE NUT,Flg, USR, 5/16"-18

5/16 flange lock

1шт.

2

186700C1

COVER

FLANGE, tailings delivery tube

1шт.

135270

SERRATED SCREW,5/16" - 18 x 3/4"

5/16 x 3/4 znp slt-truss-hd

1шт.

938017R1

FLANGE NUT,Flg, USR, 5/16"-18

5/16 flange lock

1шт.

3

193225C1

AUGER

ASSY, tailings delivery

1шт.

131019

SWEEP

1.062 x 2.000 x .108

1шт.

4

864982R1

THRUST WASHER,1.012" ID x 1.552" OD x 0.93"

delivery auger thrust

2шт.

5

1324864C91

THRUST BEARING

delivery auger, replaces 368372R91

1шт.

6

192783C1

BEARING HOUSING,2" ID x 8" OD x 6.3"

HUB, distributor auger bearing

1шт.

18764R1

HARDWARE,Hex, 5/16"-18 x 3/4", G2

BOLT, 5/16 x 3/4 type 1

1шт.

120376

NUT,5/16"-18, G5

1шт.

80681

LOCK WASHER,5/16"

WASHER, LOCK, 5/16"

1шт.

151670C1

SHIM

shim

1шт.

7

588997R1

BUSHING,34.99mm ID x 36.55mm OD x 25.27mm L

RACE, distributor auger brg.

2шт.

8

568029R91

BEARING ASSY,25.4mm ID x 35mm OD x 25.4mm W

BEARING, distributor auger hub

2шт.

9

564592R91

SEAL,23.5mm ID x 36.6mm OD x 6.5mm Thk

hub

2шт.

10

87569

LUBE NIPPLE,45 Degree, 1/4" NPT x 4/5" L, Drive

FITTING, 1/4-28 45 deg lub

1шт.

11

21885R1

WASHER

1.03 x 2.00 x .06 znd

4шт.

Выбрано товаров: 22