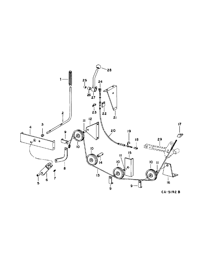
Запчасти Case IH 1470 (26-12) - GRAIN TANK, GRAIN TANK UNLOADER CONTROL Grain Tank

Схема запчастей Case IH 1470 - (26-12) - GRAIN TANK, GRAIN TANK UNLOADER CONTROL Grain Tank
7
23
10
26
8
16
10
9
22
19
1
27
28
13
14
21
3
9
11
18
10
20
2
29
25
9
17
24
12
11
1
6
4
5
15
11
FIT
1:1
100%

Артикул

Название

Примечание

Количество

1

193194C2

HANDLE

GRIP, unloader control lever hand

1шт.

2

193196C1

ROD

unloader control

1шт.

21830R1

LOCK PIN,3/16" x 1 1/4", Slotted

Pin, 3/16" x 1 1/4", Slotted

1шт.

3

193201C1

BUSHING

unloader control lower pivot

2шт.

4

195050C2

CHANNEL

control lever right support

1шт.

938017R1

FLANGE NUT,Flg, USR, 5/16"-18

5/16 flange lock

1шт.

482256R1

BEARING LOCK NUT,Flg, USR, 3/8"-16

3/8 flange lock

1шт.

135270

SERRATED SCREW,5/16" - 18 x 3/4"

5/16 x 3/4 znp slt-truss-hd

1шт.

165420C1

BOLT,Hex Serr, 3/8"-16 x 1 1/4", Spcl

3/8 x 1-1/4 hex-hd lock

1шт.

5

27251K

SPACER,5/8" Tube x 7/16"

.407 ID x .625 OD x .438 tubing

1шт.

482256R1

BEARING LOCK NUT,Flg, USR, 3/8"-16

3/8 flange lock

1шт.

454467

BOLT,Hex, 3/8" - 16 x 1 3/4", Gr 8

3/8 x 1-3/4 type 8

1шт.

6

161650C2

ARM

control

1шт.

454467

BOLT,Hex, 3/8" - 16 x 1 3/4", Gr 8

3/8 x 1-3/4 type 8

1шт.

21333R1

NUT,3/8"-16, G8

3/8 type 8

1шт.

366862C1

LOCK WASHER,3/8"

3/8"

1шт.

7

18465D

WASHER

control arm

1шт.

8

195549C1

LINK

SUPPORT, control link

1шт.

20803R1

WASHER

.406 x 1.000 x .105

1шт.

9

193209C1

CLIP

SUPPORT, unloader control cable

3шт.

10

193208C1

PULLEY

unloader control cable, 2.50 in. OD, 63.5 mm OD

4шт.

11

159716C1

SPACER,3/4" Tube x 5/8"

.532 ID x .750 OD x .562

3шт.

18496R1

BOLT,Hex, 1/2"-13 x 1 1/2", G2

1/2 x 1-1/2 type 1

1шт.

487374R1

BEARING LOCK NUT,Flg, USR, 1/2"-13

1/2 flange lock

1шт.

178373R1

WASHER

.531 x 1.000 x .056

1шт.

12

195551C1

SUPPORT

pulley

1шт.

938017R1

FLANGE NUT,Flg, USR, 5/16"-18

5/16 flange lock

1шт.

135270

SERRATED SCREW,5/16" - 18 x 3/4"

5/16 x 3/4 znp slt-truss-hd

1шт.

13

195550C1

CABLE

unloader control

1шт.

120368

NUT,5/16"-24, G5

1шт.

121222

COTTER PIN,3/32" x 3/4"

PIN, SPLIT (COTTER), 3/32" x 3/4"

1шт.

24660R1

CLEVIS PIN,5/16" x .719"

PIN, 5/16 x .719 clevis

1шт.

14

195553C1

PIN

cable pulley

1шт.

938017R1

FLANGE NUT,Flg, USR, 5/16"-18

5/16 flange lock

1шт.

151446C1

SERRATED SCREW,Flg Lock, Sl Truss Hd, 5/16" - 18 x 1 1/4"

5/16 x 1-1/4 slt-truss-hd

1шт.

15

193207C1

ANGLE

cable guide

1шт.

16

193795C1

SUPPORT

rear pulley

1шт.

17

194893C1

PIVOT

unloader control cable rear

1шт.

18481R1

COTTER PIN,3/16" x 1"

PIN, SPLIT (COTTER), 3/16" x 1"

1шт.

NLS

NO LONGER SERVICED

.531 x 1.062 x .074

1шт.

18

409852C1

CLEVIS

unloader swing control lower

1шт.

112726

COTTER PIN,1/16" x 1/2"

PIN, SPLIT (COTTER), 1/16" x 1/2"

1шт.

20286R1

SPLIT PIN/SAFETY PIN

PIN, 3/16 x 1.031 clevis

1шт.

120391

WASHER,#10

.219 x .500 x .036

1шт.

19

198525C1

CLAMP

swing control cable lower

1шт.

938017R1

FLANGE NUT,Flg, USR, 5/16"-18

5/16 flange lock

1шт.

20

198601C1

CABLE

unloader swing control

1шт.

120613

JAM NUT,Hex, 1/4" - 28, Gr 5

1шт.

21

195589C1

SUPPORT

unloader swing control lever

1шт.

18673R1

CARRIAGE BOLT,Short Sq Nk, 5/16" - 18 x 1/2", Gr 2

BOLT, 5/16 x 1/2 crg type 1

1шт.

938017R1

FLANGE NUT,Flg, USR, 5/16"-18

5/16 flange lock

1шт.

22

198606C1

SHIM

unloader swing control cable

2шт.

23

198605C1

CLAMP

swing control cable upper

1шт.

174097C1

FLANGE NUT,Flg, USR, #10-24

10-24 C-Z flange lock

1шт.

463-11012

SCREW,Hex Hd, #10-24 x 3/4"

no. 10 x 3/4 znp h/hd mach

1шт.

24

116383

CLEVIS

unloader swing control upper

1шт.

121223

COTTER PIN,1/16" x 3/4"

PIN, SPLIT (COTTER), 1/16" x 3/4"

1шт.

138083

PIN

1/4 x .770 clevis

1шт.

25

156064C1

SPACER

unloader swing control

1шт.

26

568921R1

BUSHING,15.9mm ID x 19.02mm OD x 22.23mm L

unloader swing control

1шт.

27

198602C91

LEVER

ASSY, unloader swing control, includes ref. no. 26

1шт.

18780R1

BOLT,Hex, 3/8"-16 x 1 3/4", G2

3/8 x 1-3/4 type 1

1шт.

482256R1

BEARING LOCK NUT,Flg, USR, 3/8"-16

3/8 flange lock

1шт.

20803R1

WASHER

.406 x 1.000 x .105

1шт.

22258R1

WASHER

.656 x 1.000 x .027

1шт.

28

198956C1

KNOB

unloader swing control lever

1шт.

29

ARM ASSY, unloader belt tightener, refer to this group under grain tank unloader drive

1шт.

Выбрано товаров: 67