Запчасти Case IH 1470 (12-07) - POWER, FUEL LINES Power

Схема запчастей Case IH 1470 - (12-07) - POWER, FUEL LINES Power
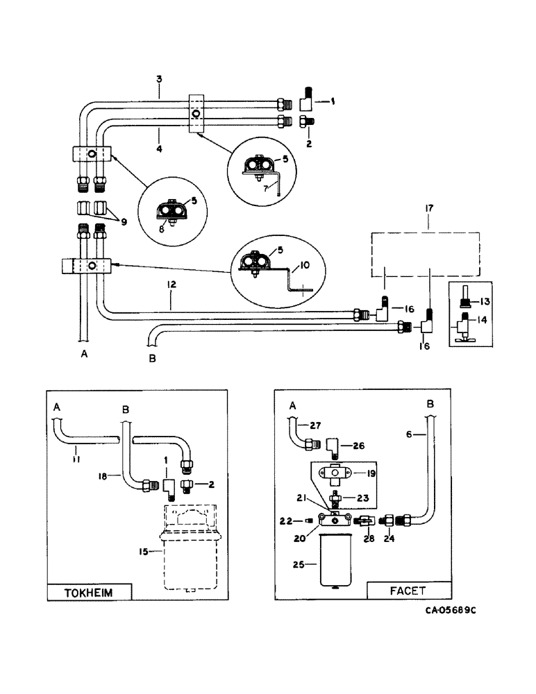
2
5
26
7
1
9
2
20
23
3
13
19
27
22
16
10
24
14
6
28
21
11
17
8
18
12
4
15
5
25
16
5
1
FIT
1:1
100%

Артикул

Название

Примечание

Количество

1

442412

ELBOW

1/4-189 90 deg inverted flared tube

1шт.

2

442323

CONNECTOR, ELEC

CONNECTOR, 1/4-18 znd inverted flared tube

1шт.

3

198009C1

FUEL TUBE

TUBE ASSY, fuel line upper

1шт.

4

198008C1

FUEL TUBE

TUBE ASSY, fuel line return upper

1шт.

5

183825C1

CLAMP

fuel line tubes

3шт.

87716

BOLT,1/4"-20 x 1-1/4", Cl 5

1шт.

938016R1

FLANGE NUT,Flg, USR, 1/4"-20

1/4 flange lock

1шт.

6

1301207C1

TUBE

ASSY, filter base to tank, Serial Range: -20000

1шт.

6

1315507C1

FUEL TUBE,0.375" OD, 662.9, 292.1 mm Length

TUBE ASSY, filter base to tank, Start Serial: 20001

1шт.

7

196518C1

SUPPORT TUBE

ANGLE, fuel line upper support

1шт.

18764R1

HARDWARE,Hex, 5/16"-18 x 3/4", G2

BOLT, 5/16 x 3/4 type 1

1шт.

80681

LOCK WASHER,5/16"

WASHER, LOCK, 5/16"

1шт.

8

198462C1

PLATE

upper support

1шт.

9

442338

UNION

5/8-18 inverted flared tube

2шт.

10

196517C1

SUPPORT TUBE

SUPPORT, fuel line tubes

1шт.

938017R1

FLANGE NUT,Flg, USR, 5/16"-18

5/16 flange lock

1шт.

161945C1

SERRATED SCREW,Sl Truss Hd, 5/16" - 18 x 1"

5/16 x 1 znp slt-truss-hd

1шт.

11

183652C1

FUEL TUBE

TUBE ASSY, fuel line lower, Serial Range: -20000

1шт.

12

183653C2

FUEL TUBE

TUBE ASSY, fuel line return lower

1шт.

13

217-42

REDUCER,3/8" - 18 NPT x 1/4" - 18 NPT

ADAPTOR, 3/8 to 1/4 pln out/h/hd pipe, Serial Range: 12001-20000

1шт.

14

161707C1

VALVE,5/8" - 18 x 1/4" NPTF

VALVE ASSY, fuel shut-off, Serial Range: -20000

1шт.

15

PUMP ASSY, fuel, refer to this group under fuel pump, Tokheim

1шт.

16

144535R1

ELBOW

3/8-18 90 deg inverted flared tube

2шт.

17

TANK, fuel, refer to this group under fuel tank

1шт.

18

183654C1

TUBE

ASSY, fuel pump to tank, Serial Range: -20000

1шт.

19

183721C1

PUMP

ASSY, fuel, facet, Serial Range: -20000

1шт.

20

612277C2

FILTER HEAD

BASE ASSY, fuel filter

1шт.

18773R1

BOLT,Hex, 5/16" - 18 x 4", Gr 2

5/16 x 4 type 1

1шт.

938017R1

FLANGE NUT,Flg, USR, 5/16"-18

5/16 flange lock

1шт.

21

444614

PLUG,Hex Hd, 1/8"-27, Brass

1/8-27 auto hex-hd pipe

1шт.

22

20988R1

PLUG,Hex Hd, 1/4"-18, Brass

1/4-18 auto hex-hd pipe

2шт.

23

443986

REDUCER,1/4"-18 NPTF x 1/8"-27 NPTF

NIPPLE, 1/4 to 1/8 pipe reducer, Serial Range: -20000

1шт.

24

442323

CONNECTOR, ELEC

CONNECTOR, 1/4 x 5/8 flared tube

1шт.

25

702255C1

FILTER ASSY

fuel

1шт.

26

1301253C1

ELBOW

1/8 x 5/8 90 deg flared tube, Serial Range: -20000

1шт.

26

193004

ELBOW

3/8 pln inv flared tube 90D, Start Serial: 20001

1шт.

27

1301206C1

FUEL TUBE

TUBE ASSY, fuel line pressure lower, Serial Range: -20000

1шт.

27

1315506C1

FUEL TUBE

TUBE ASSY, fuel line pressure lower, Start Serial: 20001

1шт.

28

1315522C1

FAUCET

VALVE ASSY, fuel shut-off, Start Serial: 20001

1шт.

Выбрано товаров: 39