Качественные детали и логистика
Оригинальные и аналоговые запчасти с доставкой по России, Казахстану и Беларуси
©2022 PartSell ООО "Система" ИНН 2463123282 ОГРН 1212400004838
Центральный офис: г. Красноярск, Академика Киренского, д.87, пом.4
Телефон: 8 (800) 777-65-74 Email: zakaz@partsell.ru
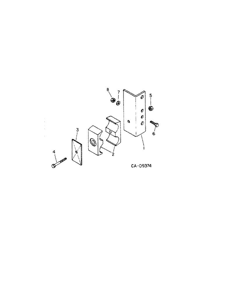
(15-10) - WHEEL AND TRACTION, POWER GUIDE AXLE MOUNTING KIT, S/N 50025 AND ABOVE
№
Артикул
Название
Примечание
Количество
1315505C1
KIT
power guide axle mounting
1шт.
1
1324467C1
ANGLE
hose bracket
2
1324473C1
CLAMP
hose
3
1324469C1
PLATE
hose clamp
4
25678R1
BOLT,Hex, 5/16" - 18 x 3 1/4", Gr 8
5/16 x 3-1/4 PHC type 8
5
9413977
NUT
5/16 PHC P/T lock type 8
2шт.
6
24840R1
BOLT,Hex, 3/8" - 16 x 1", Gr 8
7
NLS
NO LONGER SERVICED
.438 x 1.000 x .064
8
9411655
LOCK NUT,3/8"-16, GB
NUT, CAD P/T lock type 5
1324450C1
SLEEVE
Cordura hose, 3.29 ID x 36 in. long
Выбрано товаров: 0