Запчасти Case IH 1440 (08-27) - ELECTRICAL, SHAFT SPEED MONITOR CONTROL, SERIAL NO. 1500 AND BELOW (06) - ELECTRICAL

Схема запчастей Case IH 1440 - (08-27) - ELECTRICAL, SHAFT SPEED MONITOR CONTROL, SERIAL NO. 1500 AND BELOW (06) - ELECTRICAL
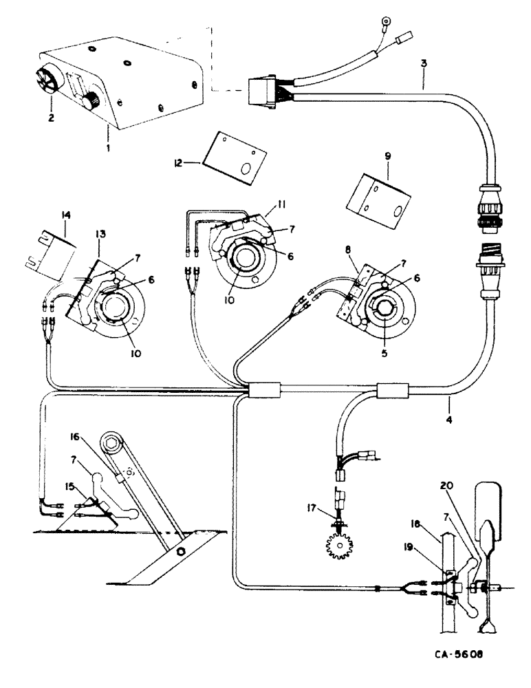
7
3
2
8
1
15
7
6
16
10
12
7
6
6
20
5
17
13
7
10
18
7
4
19
14
11
9
FIT
1:1
100%

Артикул

Название

Примечание

Количество

1

245257C1

REMAN-INSTR CLUSTER

PANEL ASSY, shaft speed monitor, replaces R196981C2, renewed

1шт.

18763R1

BOLT,Hex, 5/16" - 18 x 1/2", Gr 2

5/16 x 1/2 type 1

1шт.

80681

LOCK WASHER,5/16"

WASHER, LOCK, 5/16"

1шт.

2

178876C1

SUPPRESSOR

audible alarm

1шт.

3

196982C1

WIRE HARNESS

HARNESS ASSY, cab section

1шт.

4

196983C1

HARNESS

ASSY, machine section

1шт.

5

178802C1

COLLAR CLAMP

COLLAR, beater

1шт.

6

178800C1

CLAMP

ASSY, sensor

3шт.

7

196984C1

SWITCH

ASSY, shaft speed monitor

5шт.

8

187629C1

SUPPORT

beater shaft sensor

1шт.

9

187630C1

SUPPORT

beater shaft

1шт.

23986R1

SELF-TAP SCREW,Hex Wash Hd, 1/4" x 1/2"

SCREW, SELF TAPPING, Hex Wash Hd, 1/4" x 1/2"

1шт.

10

178801C1

COLLAR

clean grain and tailings sensor

2шт.

11

178794C1

BRACKET

clean grain

1шт.

12

187642C2

COVER

ASSY, clean grain auger sensor

1шт.

23986R1

SELF-TAP SCREW,Hex Wash Hd, 1/4" x 1/2"

SCREW, SELF TAPPING, Hex Wash Hd, 1/4" x 1/2"

1шт.

13

187615C2

BRACKET

tailings sensor

1шт.

14

187616C1

SUPPORT

tailings sensor

1шт.

23986R1

SELF-TAP SCREW,Hex Wash Hd, 1/4" x 1/2"

SCREW, SELF TAPPING, Hex Wash Hd, 1/4" x 1/2"

1шт.

15

196986C1

SUPPORT ASSY.

SUPPORT, shoe sensor

1шт.

202107C1

BOLT,Hex Serr Flg, 5/16" - 18 x 3/4"

5/16 x 3/4 znp hex-hd flange lock

1шт.

938017R1

FLANGE NUT,Flg, USR, 5/16"-18

5/16 flange lock

1шт.

16

196985C1

MAGNET

ASSY, shoe

1шт.

68530C1

BOLT,Hex Serr, 1/4" - 20 x 3/4"

1/4 x 3/4 flange lock

1шт.

938016R1

FLANGE NUT,Flg, USR, 1/4"-20

1/4 flange lock

1шт.

17

GAGE, reluctance pickup, refer to group 24 under cleaning fan and shields

1шт.

18

187501C1

SUPPORT

rotary screen sensor

1шт.

26326R1

SCREW

no. 8 x 1/2 znp t/hds mach

1шт.

120622

NUT,#8-32

1шт.

121841

LOCK WASHER,#8

WASHER, LOCK, #8

1шт.

131015

WASHER

.188 x .438 x .036

1шт.

19

187502C1

SUPPORT

rotary screen sensor

1шт.

26326R1

SCREW

no. 8 x 1/2 znp t/hds mach

1шт.

120622

NUT,#8-32

1шт.

121841

LOCK WASHER,#8

WASHER, LOCK, #8

1шт.

NLS

NO LONGER SERVICED

.188 x .438 x .036

1шт.

20

196987C1

MAGNET

ASSY, rotary screen

1шт.

Выбрано товаров: 37