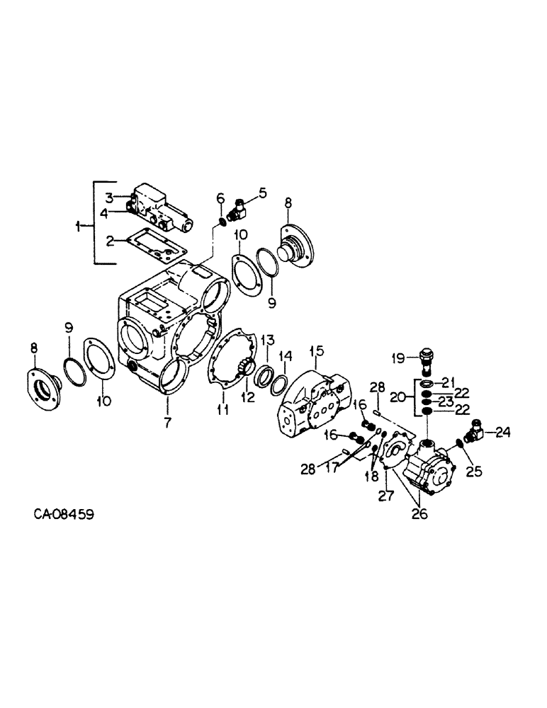
Запчасти Case IH 1440 (10-26) - HYDRAULICS, HYDROSTATIC PUMP, EATON, VALVE BLOCK (07) - HYDRAULICS

Схема запчастей Case IH 1440 - (10-26) - HYDRAULICS, HYDROSTATIC PUMP, EATON, VALVE BLOCK (07) - HYDRAULICS
3
15
6
8
9
22
16
4
16
10
23
18
19
11
1
28
28
2
17
14
24
26
7
12
20
9
5
10
22
25
21
27
13
8
FIT
1:1
100%

Артикул

Название

Примечание

Количество

1

VALVE ASSY, control, refer to this group under control valve, Eaton hydrostatic pump

1шт.

179824

BOLT,Hex, 5/16" - 18 x 1 3/4", Gr 5

1шт.

179818

BOLT,Hex, 5/16" - 18 x 1", Gr 5

1шт.

2

133756C1

GASKET

control valve

1шт.

3

404782R1

HANDLE

control valve shaft

1шт.

178532

LOCK WASHER,Ext-Int Tooth, 5/16"

WASHER, 5/16 ext-int tooth lock

1шт.

114502

JAM NUT,Jam, 5/16"-18, G5

1шт.

4

1255148C1

SHAFT ASSY.

SHAFT, control valve

1шт.

5

(Not used this application)

1шт.

6

(Not used this application)

1шт.

7

HOUSING, variable, not serviced separately, order pump 1252339C92

1шт.

8

TRUNNION, not serviced separately, order pump 1252339C92

1шт.

179857

BOLT,Hex, 7/16" - 14 x 7/8", Gr 5

7/16 x 7/8 pln type 5

1шт.

9

707220R1

O-RING,0.139" Thk x 2.984" ID, -234, Cl 5, 75 Duro

3 x 3-1/4 x 1/8 trunnion

2шт.

10

142386C91

SHIM KIT

PACKAGE, trunnion shim

1шт.

11

140782C1

GASKET

end cover

1шт.

12

401221R91

BEARING ASSY,1" ID x 2.3437" OD x 0.92"

BEARING ASSY, input shaft cone

1шт.

13

401220R1

BEARING, CUP

BEARING, input shaft cup

1шт.

14

140783C91

PACKAGE

shim

1шт.

15

COVER, pump end, not serviced separately, order pump 1252339C92

1шт.

179866

BOLT,Hex, 7/16" - 14 x 2", Gr 5

1шт.

179869

BOLT,Hex, 7/16" - 14 x 2 3/4", Gr 5

1шт.

16

140769C1

CHECK VALVE

VALVE ASSY, check

2шт.

17

377952R1

O-RING,0.103" Thk x 0.549" ID, -113, Cl 6, 90 Duro

9/16 x 3/4 x 3/32 check valve

2шт.

18

140770C1

RING

check valve back up

2шт.

19

140771C1

VALVE

ASSY, low pressure relief

1шт.

20

393885R91

GASKET KIT

PACKAGE, relief valve seal, consists of ref. nos. 21, 22 and 23

1шт.

21

297459R1

O-RING,0.116" Thk x 1.048" ID, -914, Cl 6, 90 Duro

1-3/64 x 1-7/32 x 7/64

1шт.

22

393887R1

BACK-UP RING

RING, relief valve back-up

2шт.

23

20947R1

O-RING,0.103" Thk x 0.799" ID, -117, Cl 6, 90 Duro

13/16 x 1 x 3/32

1шт.

24

(Not used this application)

1шт.

25

(Not used this application)

1шт.

26

133761C91

PUMP

ASSY, RH charge, includes ref. no. 27

1шт.

186270

BOLT,Hex, 5/16" - 18 x 3 1/2", Gr 5

1шт.

24496R1

O-RING,-041, 70 Duro, 2.989" ID x .070" Thk

3 x 3-1/8 x 1/16, spacer seal

1шт.

27

133760C1

GASKET

charge pump

1шт.

28

140754C1

PIN

charge pump dowl

2шт.

Выбрано товаров: 37