Запчасти Case IH 1440 (10-31) - HYDRAULICS, HYDROSTATIC MOTOR, EATON (07) - HYDRAULICS

Схема запчастей Case IH 1440 - (10-31) - HYDRAULICS, HYDROSTATIC MOTOR, EATON (07) - HYDRAULICS
31
42
9
17
21
29
46
12
30
49
16
34
6
14
23
44
11
36
18
45
14
43
2
25
47
10
50
48
26
23
14
14
15
41
28
16
3
35
5
27
24
50
7
19
13
40
38
8
1
13
20
32
4
37
33
15
37
22
20
FIT
1:1
100%

Артикул

Название

Примечание

Количество

1252344C92

MOTOR, HYDRAULIC

MOTOR ASSY, hydrostatic, Eaton, renewed

1шт.

1958075C1

MOTOR, HYDRAULIC

MOTOR ASSEMBLY, Eaton

1шт.

1958076C1

REMAN-HYDROSTAT MOTO

Remanufactured, Hydraulic Motor

1шт.

1958077C1

CORE-HYDROSTAT MOTOR

Return Number

1шт.

180179

BOLT,Hex, 1/2" - 13 x 1 3/4", Gr 5

BOLT, 1/2 x 1-3/4 type 5

1шт.

120384

WASHER,1/2"

WASHER, LOCK, 1/2"

1шт.

283856C1

WASHER

WASHER, 17/32 x 1 x .188

1шт.

166506C1

GASKET,0.81mm Thk

GASKET, hyd motor

1шт.

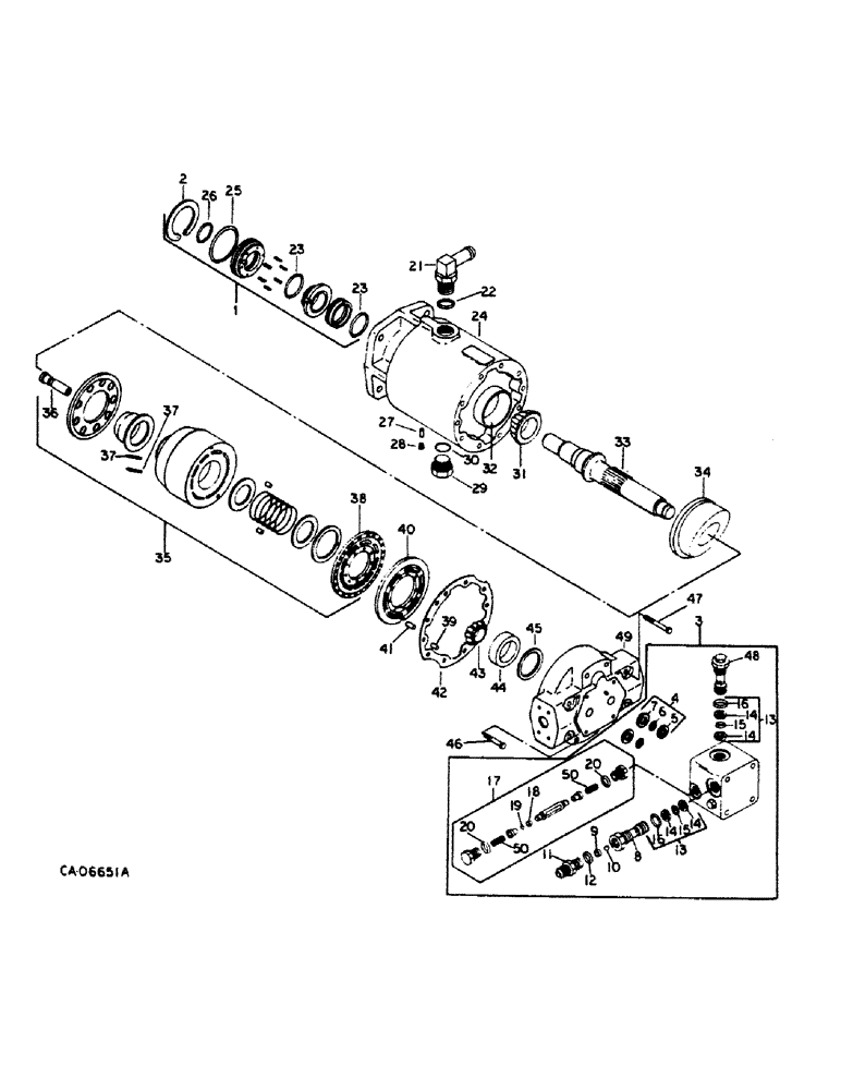
1

142518C92

PACKAGE

KIT, shaft seal assy w/ring, replaces 133751C92

1шт.

2

606937C1

SNAP RING,2.835", Int, #281

Ring, Snap, 2.835", Int, #281

1шт.

3

145554C92

BLOCK

KIT, relief valve block assy w/ring, replaces 133752C91

1шт.

4

140747C91

SEAL KIT

KIT, valve block seal

1шт.

5

133753C1

O-RING,7/16" ID x 3/4" OD x 1/16"

RING, 3/4 x 7/8 x 1/16 sq

1шт.

6

384943R1

O-RING,0.739" ID x 0.07" Width

2шт.

7

631458C1

RING

RING, back-up

2шт.

8

1266867C91

VALVE

VALVE ASSY, relief, replaces 402626R94

2шт.

9

BUSHING, ball guide, not serviced separately, order valve assy 1266867C91

1шт.

10

BALL, 1/4 cr-stl, not serviced separately, order valve assy 1266867C91

1шт.

11

CONNECTOR, 37 deg flared tube special, not serviced separately, order valve assy 1266867C91

1шт.

12

O-RING, 1/4 OD tube, not serviced separately, order valve assy 1266867C91

1шт.

13

393885R91

GASKET KIT

PACKAGE, relief valve seal

1шт.

14

393887R1

BACK-UP RING

RING, relief valve back-up

2шт.

15

20947R1

O-RING,0.103" Thk x 0.799" ID, -117, Cl 6, 90 Duro

O-RING, 13/16 x 1 x 3/32

1шт.

16

297459R1

O-RING,0.116" Thk x 1.048" ID, -914, Cl 6, 90 Duro

O-RING, 1-3/64 x 1-7/32 x 7/64

1шт.

17

145559C91

KIT

KIT, shuttle valve, replaces 138224C91

1шт.

18

(Not used this application)

1шт.

19

(Not used this application)

1шт.

20

364885R1

O-RING,0.097" Thk x 0.755" ID, -910, Cl 6, 90 Duro

O-RING, 5/8 OD tube

2шт.

21

(Not used this application)

1шт.

22

(Not used this application)

1шт.

23

22278R1

O-RING,0.103" Thk x 1.674" ID, -131, Cl 5, 75 Duro

O-RING, 1-11/16 x 1-7/8 x 3/32 shaft seal

2шт.

24

HOUSING, fixed, not serviced separately, order motor assy 1252344C91

1шт.

25

383017R1

O-RING,0.103" Thk x 2.55" ID, -145, Cl 5, 75 Duro

O-RING, 2-9/16 x 2-3/4 x 3/32 shaft seal

1шт.

26

24472R1

O-RING,0.07" Thk x 1.334" ID, -28, Cl 6, 90 Duro

O-RING, 1-3/8 x 1-1/2 x 1/16 shaft seal

1шт.

27

20020R1

DOWEL,5/16" x 1"

PIN, 5/16 x 1.000 pln hdn dowel

1шт.

28

444688

PLUG

PLUG, 1/8-27 sol-hd pipe

1шт.

29

9410361

PLUG

PLUG, 1-1/16-12 str thd O-ring Boss

1шт.

30

368269R1

O-RING,0.116" Thk x 0.924" ID, -912, Cl 6, 90 Duro

O-RING, 3/4 OD tube

1шт.

31

636826R91

BEARING ASSY,44.45 mm ID x 51 mm OD x 25.4 mm

BEARING, output shaft cone

1шт.

32

130503H

BEARING CUP

BEARING, output shaft cup

1шт.

33

140748C1

SHAFT

SHAFT, output

1шт.

34

142410C1

HOUSING

HOUSING, fixed swashplate

1шт.

35

140750C92

KIT

KIT, rotating group

1шт.

36

140751C1

PISTON ASSY.

PISTON ASSY, cyl block

9шт.

37

140752C1

PIN

PIN, pre-load dowel

6шт.

38

140753C1

PLATE

PLATE, bearing

1шт.

39

140754C1

PIN

PIN, bearing plate dowel

2шт.

40

140755C1

PLATE

PLATE, motor valve

1шт.

41

140754C1

PIN

PIN, valve plate dowel

1шт.

42

140756C1

GASKET

GASKET, end cover

1шт.

43

140758C91

ROLLER BEARING,0.88" ID x 2.25" OD x 0.6875"

BEARING ASSY, output shaft cone

1шт.

44

140759C1

BEARING CUP

BEARING, output shaft cup

1шт.

45

140760C91

SHIM KIT

PACKAGE, shim service

1шт.

46

179843

BOLT,Hex, 3/8" - 16 x 1 1/2", Gr 5

End cover Hex, 3/8"-16 x 1 1/2", G5

2шт.

47

179850

BOLT,Hex, 3/8" - 16 x 2 3/4", Gr 5

BOLT, 3/8 x 2-3/4 pln type 5, end cover

6шт.

48

140761C1

VALVE PRESSURE RELIE

VALVE Assy, low pressure relief

1шт.

49

COVER, end, not serviced separately, order motor assy 1252344C92

1шт.

50

145560C1

SPRING

SPRING, shuttle valve

2шт.

393885R91

GASKET KIT

PACKAGE, relief valve seal, consists of

1шт.

393887R1

BACK-UP RING

RING, relief valve back-up

2шт.

20947R1

O-RING,0.103" Thk x 0.799" ID, -117, Cl 6, 90 Duro

O-RING, 13/16 x 1 x 3/32

1шт.

297459R1

O-RING,0.116" Thk x 1.048" ID, -914, Cl 6, 90 Duro

O-RING, 1-3/64 x 1-7/32 x 7/64

1шт.

Выбрано товаров: 62