Запчасти Case IH 1440 (33-17) - FEEDER, FEEDER REVERSER, MACHINES W/ROCK TRAP (13) - FEEDER

Схема запчастей Case IH 1440 - (33-17) - FEEDER, FEEDER REVERSER, MACHINES W/ROCK TRAP (13) - FEEDER
24
15
15
8
3
7
22
17
25
14
3
4
23
23
23
10
11
8
16
3
9
18
9
1
20
2
6
21
5
12
26
16
FIT
1:1
100%

Артикул

Название

Примечание

Количество

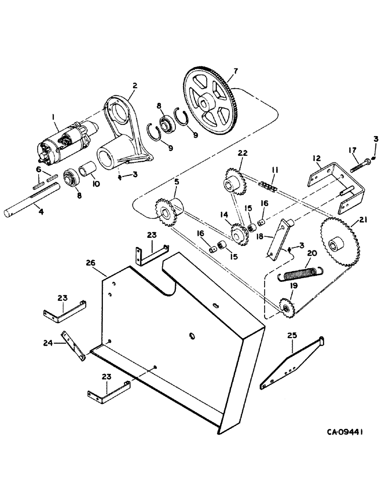
1323568C92

FEEDER

PACKAGE, feeder reverser, consists of ref nos 1 thru plus additional parts shown in group 8, group 10 and group 33

1шт.

1

245927C91

STARTING MOTOR

MOTOR, feeder reverser, refer to group 8 for details under feeder reverser motor

1шт.

1

245927C93R

REMAN-STARTER

REMANUFACTURED STARTING MOTOR

1шт.

1

245927C93C

CORE-STARTER

Return Number, STARTING MOTOR

1шт.

180132

BOLT,Hex, 3/8" - 16 x 2 1/4", Gr 5

BOLT, 3/8 x 2-1/4 znd type 5

1шт.

482256R1

BEARING LOCK NUT,Flg, USR, 3/8"-16

NUT, 3/8 flange lock

1шт.

2

1321539C1

HOUSING

HOUSING, feeder reverser

1шт.

187620C1

BOLT,Hex Serr Flg, 3/8" - 16 x 1 1/2"

SCREW, 3/8 x 1-1/2 h/hd flange

1шт.

482256R1

BEARING LOCK NUT,Flg, USR, 3/8"-16

NUT, 3/8 flange lock

1шт.

3

87414

LUBE NIPPLE,1/4" - 28

FITTING, 1/4 lub

3шт.

4

1321534C1

SHAFT

SHAFT, reverser

1шт.

28340R1

PIN,1/2" x 3", Coiled

Pin, 1/2" x 3", Coiled

1шт.

30190R1

WASHER,M39 x 78.5 x 7, HT

WASHER, 38.8 x 78 x 7 MM phc

1шт.

22042R1

WASHER

WASHER, .531 x 2.000 x .105

1шт.

174985C1

BOLT,Hex Serr, 1/2" - 13 x 1"

SCREW, 1/2-13 x 1.0 hex flange

1шт.

5

1329717C1

SPROCKET

SPROCKET ASSY, drive, 20 T

1шт.

6

Q51

KEY,3/8" Sq x 2 1/2", Par

KEY, 3/8" Sq x 2 1/2", Par

2шт.

7

1321537C91

FLYWHEEL

FLYWHEEL W/RING GEAR, reverser

1шт.

8

597537R91

BEARING ASSY,38.1mm ID x 80mm OD x 18mm W

BEARING ASSY, ball

2шт.

9

659676R1

SNAP RING,3.156", Int, #315

RING, 3.523 int ret

2шт.

10

1321523C1

SPACER

SPACER, bearing

1шт.

11

CHAIN, feeder reverser, use 117 links from 10 ft. roll marked 1793D, 2, connecting links 1317D and, 1, roller link, 1316D

1шт.

12

1329880C1

SUPPORT

SUPPORT ASSY, idler outer

1шт.

165420C1

BOLT,Hex Serr, 3/8"-16 x 1 1/4", Spcl

BOLT, 3/8 x 1-1/4 hex-hd lock

1шт.

482256R1

BEARING LOCK NUT,Flg, USR, 3/8"-16

NUT, 3/8 flange lock

1шт.

14

1321531C92

DRIVE SPROCKET

SPROCKET W/BRGS, fixed idler, 16 T, includes ref no. 15

1шт.

15

545320R91

NEEDLE BEARING,Needle, 25.39mm ID x 31.76mm OD x 20.62mm W

BEARING, needle

2шт.

16

1327990C1

BOLT,Hex, 3/4" - 10 x 4, Type 5, Drilled

RING, inner bearing

2шт.

17

1327990C1

BOLT,Hex, 3/4" - 10 x 4, Type 5, Drilled

BOLT, , Idler shaft Hex, 3/4"-10 x 4, Drilled

1шт.

25548R1

WASHER

WASHER, .812 x 1.500 x .219 phc hdn

1шт.

87340

LOCK WASHER,Helical Spring, 0.759" ID, CST, ZND

WASHER, LOCK, 3/4"

1шт.

280954

NUT,3/4"-10, G5

NUT, 3/4"-10, G5

1шт.

18

1321933C3

SUPPORT

SUPPORT ASSY, idler

1шт.

19

541857R92

SPROCKET,15T

SPROCKET ASSY, idler, 15 T

1шт.

413-1072

BOLT,Hex, 5/8" - 11 x 4-1/2", Gr 5

BOLT, 5/8 x 4-1/2 znd type 5

1шт.

25547R1

WASHER,21/32" x 1 5/16" x .188", HDN

WASHER, .656 x 1.312 x .188 phc hdn

1шт.

131016

WASHER

.656 x 1.312 x .074

1шт.

9413969

NUT,5/8"-11, GB

NUT, 5/8 cad P/T lock type 5

1шт.

187217C1

SPACER,7/8" Tube x 1 13/16"

SPACER, 7/8 x 1.812 tube

1шт.

20

1330032C1

SPRING

SPRING, idler return

1шт.

21

1329720C2

SPROCKET

SPROCKET ASSY, driver, 40 T

1шт.

22

1329719C2

SPROCKET

SPROCKET ASSY, drive, 20 T

1шт.

23

1321780C1

SUPPORT

SUPPORT ASSY, shield

3шт.

154273C1

BOLT,Hex Serr, 3/8" - 16 x 1", Spcl

BOLT, 3/8-16 x 1 hex-hd lock

1шт.

482256R1

BEARING LOCK NUT,Flg, USR, 3/8"-16

NUT, 3/8 flange lock

1шт.

24

1321710C1

SUPPORT

SUPPORT ASSY, shield

1шт.

154273C1

BOLT,Hex Serr, 3/8" - 16 x 1", Spcl

BOLT, 3/8-16 x 1 hex-hd lock

1шт.

482256R1

BEARING LOCK NUT,Flg, USR, 3/8"-16

NUT, 3/8 flange lock

1шт.

25

1330003C1

BRACKET

BRACKET ASSY, rock trap shield

1шт.

26

1330503C1

SHIELD

SHIELD W/PRODUCT GRAPHIC, feeder, reverser

1шт.

179749C2

PRODUCT GRAPHIC

PRODUCT GRAPHIC, danger

1шт.

480523R1

HAIR PIN COTTER

HAIR PIN COTTER, quick attachable

1шт.

Выбрано товаров: 52