Запчасти Case IH 1440 (21-08) - THRESHING ROTOR AND CONCAVES, ROTOR DRIVE (14) - THRESHING

Схема запчастей Case IH 1440 - (21-08) - THRESHING ROTOR AND CONCAVES, ROTOR DRIVE (14) - THRESHING
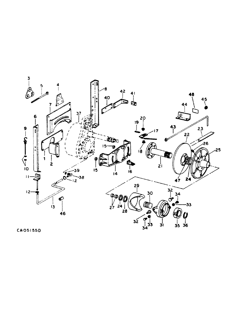
41
12
10
28
11
18
46
15
34
36
38
6
37
33
35
45
2
21
44
39
17
27
4
14
19
24
47
48
25
34
32
3
16
8
12
29
1
23
32
9
31
13
42
15
40
26
7
20
24
5
22
43
33
30
FIT
1:1
100%

Артикул

Название

Примечание

Количество

188234C91

KIT

PACKAGE, torque sensing spring removal, consists of bolt, spring removal (NSS), nut, 5/16 (NSS), washer, .344 x .750 x .105 (NSS), instructions (NSS), spacer, .364 x .54 x 1.50 pipe (NSS), Serial Range: -1500

1шт.

186364C1

RETAINER

torque sensing spring removal, Start Serial: 1501

1шт.

186365C1

BOLT

BOLT, torque sensing spring removal or

1шт.

1319996C1

ROD,Hex, 3/8" x 10"

ASSY, torque sensing spring removal, Start Serial: 1501

1шт.

120377

NUT,3/8" - 16, Gr 5

1шт.

1

194050C2

PLATE

front gear case support, Serial Range: -10000

1шт.

1

181315C1

PLATE

front gear case support, Start Serial: 10001

1шт.

180177

BOLT,Hex, 1/2" - 13 x 1 1/2", Gr 5

1/2 x 1-1/2 type 5

1шт.

120384

WASHER,1/2"

LOCK, 1/2"

1шт.

2

194054C2

BLOCK

front case support, Serial Range: -10000

2шт.

2

181314C2

BLOCK

front case support, Start Serial: 10001

2шт.

3

188141C1

SUPPORT

gear case anchor

1шт.

4

188142C1

SUPPORT

gear case anchor

1шт.

5

188143C1

EYEBOLT

BOLT, gear case

1шт.

124589

BALL STUD,Hex, 5/8" - 11 x 2", Gr 5

5/8 type 5

1шт.

18481R1

COTTER PIN,3/16" x 1"

PIN, SPLIT (COTTER), 3/16" x 1"

1шт.

21573R1

HEADED PIN,1/2" x 2"

PIN, 1/2 x 2 hd type 1

1шт.

23276R1

WASHER

.656 x 2.000 x .164

1шт.

6

194055C1

SUPPORT

gear case LH

1шт.

485734R1

CARRIAGE BOLT,Short NK, 1/2"-13 x 1 1/4", G5, Full Thd

BOLT, 1/2 x 1-1/4 crg type 5

1шт.

180175

BOLT,Hex, 1/2" - 13 x 1 1/4", Gr 5

1/2 x 1-1/4 type 5

1шт.

487374R1

BEARING LOCK NUT,Flg, USR, 1/2"-13

1/2 flange lock

1шт.

180122

BOLT,Hex, 3/8" - 16 x 1", Gr 5

3/8 x 1 type 5

1шт.

120382

LOCK WASHER,Helical Spring, 3/8"

WASHER, LOCK, 3/8"

1шт.

7

188137C1

SUPPORT ASSY.

SUPPORT ASSY, gear case

1шт.

8

194056C1

SUPPORT

gear case RH

1шт.

485734R1

CARRIAGE BOLT,Short NK, 1/2"-13 x 1 1/4", G5, Full Thd

BOLT, 1/2 x 1-1/4 crg type 5

1шт.

487374R1

BEARING LOCK NUT,Flg, USR, 1/2"-13

1/2 flange lock

1шт.

180175

BOLT,Hex, 1/2" - 13 x 1 1/4", Gr 5

1/2 x 1-1/4 type 5

1шт.

180122

BOLT,Hex, 3/8" - 16 x 1", Gr 5

3/8 x 1 type 5

1шт.

120382

LOCK WASHER,Helical Spring, 3/8"

WASHER, LOCK, 3/8"

1шт.

9

194066C91

DIPSTICK

GAGE ASSY, rotor gear case, includes ref. no. 10

1шт.

10

350684R1

O-RING,0.139" Thk x 0.734" ID, -210, Cl 5, 75 Duro

3/4 x 1 class 5

2шт.

11

193946C1

TUBE,12.7 mm OD

gear case oil gage

1шт.

938017R1

FLANGE NUT,Flg, USR, 5/16"-18

5/16 flange lock

1шт.

135270

SERRATED SCREW,5/16" - 18 x 3/4"

5/16 x 3/4 znp slt-truss-hd

1шт.

12

183699C1

CLAMP,#6, 0.44/0.78 Type M Worm

fill and drain hose

2шт.

13

HOSE, gear case grain and fill, use 19 in. of 1/2 ID from 50 ft. roll marked 180718C1

1шт.

14

194058C1

SUPPORT

gear case rear

1шт.

180179

BOLT,Hex, 1/2" - 13 x 1 3/4", Gr 5

1/2 x 1-3/4 type 5

1шт.

120384

WASHER,1/2"

LOCK, 1/2"

4шт.

15

194077C1

SPACER

gear case

2шт.

180190

LOCK SCREW,Hex, 1/2" - 13 x 3", Gr 5

BOLT, 1/2 x 3 type 5

1шт.

25555R1

WASHER,17/32" x 1 1/4" x .188", HDN

.531 x 1.250 x .188 PHC hdn

1шт.

16

188171C1

SUPPORT

gear case pivot

1шт.

9635884

BOLT,Hex, 5/16" - 18 1", Full Thd, Gr 5

5/16 x 1 type 5

1шт.

80681

LOCK WASHER,5/16"

WASHER, LOCK, 5/16"

1шт.

17

188172C2

LEVER ASSY.

LEVER ASSY, rotor drive shift

1шт.

18481R1

COTTER PIN,3/16" x 1"

PIN, SPLIT (COTTER), 3/16" x 1"

1шт.

20601R1

WASHER

.531 x 1.250 x .105

1шт.

18

277523R1

BUSHING

shift lever

1шт.

19

188169C1

BAR

shift lever

2шт.

21886R1

HEADED PIN,1/4" x 1"

PIN, 1/4 x 1 hd type 1

1шт.

648002

KNIFE

PIN SPLIT (COTTER), 1/8" x 3/4"

1шт.

120392

WASHER,1/4", SAE

.281 x .625 x .051

1шт.

20

188170C1

NUT

NUT, shift lever

1шт.

180124

BOLT,Hex, 3/8" - 16 x 1 1/4", Gr 5

3/8 x 1-1/4 type 5

1шт.

120382

LOCK WASHER,Helical Spring, 3/8"

WASHER, LOCK, 3/8"

1шт.

21

193962C2

HUB

fixed variable pulley

1шт.

22

185433C1

PULLEY

fixed half variable, 17.75 in. OD, Serial Range: -30000

1шт.

22

185433C1

PULLEY

fixed half variable, Start Serial: 30001

1шт.

455000

BOLT,Hex, 1/2" - 13 x 1 1/4", Gr 8

1/2 x 1-1/4 type 8

1шт.

366684C1

WASHER, 1/2 rib lock

1шт.

23

193923C3

BELT

Rotor variable drive

1шт.

24

193965C91

SEAL

adjustable variable pulley

3шт.

25

193928C93

PULLEY ASSY.

PULLEY ASSY, adjustable half variable, 17.75 in. OD, Serial Range: -30000

1шт.

25

185417C91

PULLEY ASSY.

PULLEY ASSY, adjustable half variable, includes ref. nos. 24, 26, 27 and 47, Start Serial: 30001

1шт.

455000

BOLT,Hex, 1/2" - 13 x 1 1/4", Gr 8

1/2 x 1-1/4 type 8

1шт.

366864C1

LOCK WASHER,1/2"

1/2"

1шт.

26

109461

LUBE NIPPLE,1/8"-27 x .66 lg

NIPPLE, LUBE, , NPT 1/8"-27 x .66 lg

1шт.

27

188839C91

BUSHING

ASSY, package variable pulley, consists of (2) bushing

1шт.

193965C91

SEAL

3шт.

LIQUID LOCTITE & INSTRUCTION MANUAL

1шт.

28

188210C91

CAM FOLLOWER

BEARING ASSY, rotor drive thrust

1шт.

29

193932C1

CAM

rotor drive torque sensing, Serial Range: -2388

1шт.

29

185416C1

CAM

rotor drive torque sensing, Start Serial: 2389

1шт.

30

193936C2

SPRING

rotor drive torque sensing

1шт.

31

195247C91

YOKE

ASSY, torque sensing cam follower, includes ref. no. 33

1шт.

32

193943C91

BEARING ASSY

BEARING, cam follower

2шт.

33

193941C1

BUSHING,22.23mm ID x 25.41mm OD x 15.88mm L

cam follower yoke pivot

2шт.

34

194167C1

SCREW,5/8 - 11" x 1"

cam follower yoke pivot

2шт.

120371

NUT,1/2"-20, G5

1шт.

366864C1

LOCK WASHER,1/2"

1/2"

1шт.

35

193938C1

HUB

cam follower

1шт.

36

360171R1

SNAP RING,M66.67 x 3.23mm Thk, Ext

hub cam follower retainer

1шт.

37

CASE ASSY, rotor drive, refer to this group under rotor drive gear case

1шт.

38

188272C1

ELBOW

gear case

1шт.

39

570828R1

O-RING,0.087" Thk x 0.644" ID, -908, Cl 6, 90 Duro

1/2 OD tube class 6

1шт.

40

185397C1

SUPPORT

BAR, gage angle

1шт.

41

186031C2

ANGLE

rotor driven pulley gage

1шт.

938017R1

FLANGE NUT,Flg, USR, 5/16"-18

5/16 flange lock

1шт.

135270

SERRATED SCREW,5/16" - 18 x 3/4"

5/16 x 3/4 znp slt-truss-hd

1шт.

42

185398C1

ANGLE

gage support, Serial Range: -30000

1шт.

42

184246C1

ANGLE

gage support, Start Serial: 30001

1шт.

938017R1

FLANGE NUT,Flg, USR, 5/16"-18

5/16 flange lock

1шт.

135270

SERRATED SCREW,5/16" - 18 x 3/4"

5/16 x 3/4 znp slt-truss-hd

1шт.

80280173

BOLT,Hex, 3/4" - 10 x 2 3/4", Gr 5

3/4 x 2-3/4 type 5

1шт.

43

186648C2

ROD

lever shaft control linkage, replaces 186649C2, Start Serial: 1501

1шт.

44

188816C91

ANGLE

rod lever control link, includes ref. no. 48, Start Serial: 1501

1шт.

180175

BOLT,Hex, 1/2" - 13 x 1 1/4", Gr 5

1/2 x 1-1/4 type 5

1шт.

487374R1

BEARING LOCK NUT,Flg, USR, 1/2"-13

1/2 flange lock

1шт.

45

198825C1

GROMMET,15.88mm ID x 41.1mm OD x 26.9mm Thk

control rod, Start Serial: 1501

1шт.

46

163493C1

STRIP,19.05mm ID x 25.4mm OD x 45.7mm L

oil hose cover

1шт.

47

537602R1

RING

pulley seal snap

1шт.

48

188815C1

DECAL

PRODUCT GRAPHIC, caution

1шт.

Выбрано товаров: 105