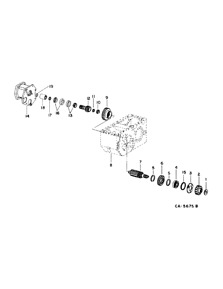
Запчасти Case IH 1440 (07-01) - DRIVE TRAIN, TRANSMISSION, INPUT DRIVE SHAFT Drive Train

Схема запчастей Case IH 1440 - (07-01) - DRIVE TRAIN, TRANSMISSION, INPUT DRIVE SHAFT Drive Train
3
6
14
12
19
9
13
16
8
5
17
2
5
4
11
18
1
15
7
10
FIT
1:1
100%

Артикул

Название

Примечание

Количество

1

382900R1

LOCK WASHER

input drive shaft lock

1шт.

2

402845R1

GEAR

change drive pinion, 27T

1шт.

2

405437R1

GEAR

change drive pinion, 30T

1шт.

3

379481R1

RETAINER

input drive shaft light

19шт.

27970R1

BOLT,Hex, 5/16" - 18 x 7/8", Gr 8

5/16 x 7/8 PHC pre-torq type 8

1шт.

4

379438R91

ROLLER BEARING,34.99mm ID x 80mm OD x 21mm W

input drive shaft

1шт.

5

100070R1

RING

input drive shaft snap

2шт.

6

402844R1

GEAR

second speed driven, 30T

1шт.

7

402842R3

SHAFT

input drive

1шт.

382879R1

NUT

input drive shaft

1шт.

382901R1

LOCK WASHER,26.16mm ID x 47.8mm OD x 3.18mm Thk

input drive shaft

1шт.

8

CASE, transmission, refer to this group under differential shaft

1шт.

9

395652R1

GEAR

first and third sliding, 38T and 20T

1шт.

10

358035R91

BEARING, ROLLER, CYL,25mm ID x 44.82mm OD x 20.64mm W

input drive shaft

1шт.

11

555601R1

RING, SNAP

RING, input drive shaft snap

1шт.

12

402846R2

SHAFT

input pinion

1шт.

13

671028R91

BEARING ASSY,38.1mm ID x 72.02mm OD x 20.64mm W

ASSY, pinion shaft inner

1шт.

14

402849R1

HOUSING

motor adapter

1шт.

700518C1

PLUG

1/4 magnetic pipe

1шт.

26315R1

BOLT,Hex, 7/16" - 14 x 1 1/4", Gr 8

7/16 x 1-1/4 PHC P/T type 8

1шт.

15

ST419

RING

input drive shaft bearing snap

1шт.

16

184076C91

BEARING ASSY,33.45mm ID x 69.04mm OD x 19.9mm W

1шт.

17

359141R1

RING, SNAP

RING, input pinion shaft bearing

1шт.

18

80644C91

SPLINED COUPLING

COUPLING ASSY, input, replaces 402847R11

1шт.

19

402848R1

RING

retaining

1шт.

Выбрано товаров: 25