Запчасти Case IH 1440 (12-04) - POWER, ASPIRATED PRE-CLEANER PRE-SCREENER, S/N 1501 AND ABOVE FOR FACTORY INSTALLED ASPIRATOR ATTACH Power

Схема запчастей Case IH 1440 - (12-04) - POWER, ASPIRATED PRE-CLEANER PRE-SCREENER, S/N 1501 AND ABOVE FOR FACTORY INSTALLED ASPIRATOR ATTACH Power
5
2
4
12
10
6
9
3
6
7
11
1
8
FIT
1:1
100%

Артикул

Название

Примечание

Количество

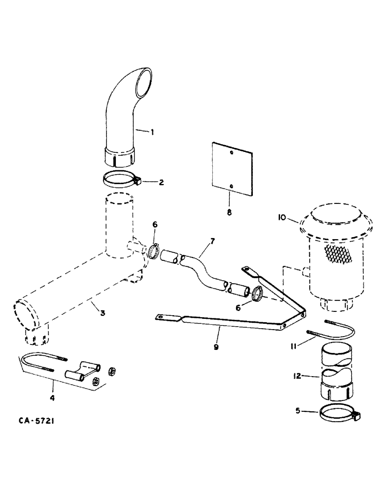
1

397178R2

EXHAUST SYSTEM PIPE,76.2 mm OD

PIPE, exhaust

1шт.

2

663432C1

CLAMP,69.85mm - 82.65mm

exhaust pipe

1шт.

120377

NUT,3/8" - 16, Gr 5

1шт.

636722R1

SCREW

3/8 x 2 cap

1шт.

120382

LOCK WASHER,Helical Spring, 3/8"

WASHER, LOCK, 3/8"

1шт.

3

MUFFLER, refer to this group under muffler

1шт.

4

68219C91

KIT

PACKAGE, muffler clamp

1шт.

535993R1

NUT

clamp

1шт.

5

650986C1

CLAMP,69.85mm - 82.55mm

air cleaner intake pipe

1шт.

180126

BOLT,Hex, 3/8" - 16 x 1 1/2", Gr 5

3/8 x 1-1/2 type 5

1шт.

120377

NUT,3/8" - 16, Gr 5

1шт.

5

390462R91

CLAMP

air cleaner intake pipe, for use with 32.5 in. air cleaner tube only

1шт.

6

311164C91

HOSE CLAMP,#20, 0.81/1.75 Type F Worm

CLAMP, ejector hose

2шт.

7

131399C1

HOSE,31.75 mm ID x 469.9 mm, SAE 20R4 CLASS D2

31.75 mm ID x 469.90 mm, SAE 20R4, CLASS D-2 or D-1, Exhaust Ejector; Used With 22.5-in. Air Cleaner Tube

1шт.

7

HOSE, exhaust ejector, used with 32.5 in. air cleaner tube, furnish 19 in. from bulk hose 407001R2

1шт.

8

121985C1

PLATE

air intake cover

1шт.

477-73108

SERRATED SCREW,Sl Truss Hd, 5/16" - 18 x 1/2"

5/16 x 1/2 slt-truss-hd

1шт.

938017R1

FLANGE NUT,Flg, USR, 5/16"-18

5/16 flange lock

1шт.

9

121840C1

SUPPORT

pre-cleaner

1шт.

10

130918C91

PRESCREENER ASSY.

PRE-CLEANER PRE-SCREENER ASSY

1шт.

11

121839C1

BOLT,5/16" - 18 x 4.88" W x 5.30" L

U-BOLT, support

1шт.

120376

NUT,5/16"-18, G5

1шт.

12

131065C2

TUBE

air cleaner intake, 32.5 in.

1шт.

Выбрано товаров: 23