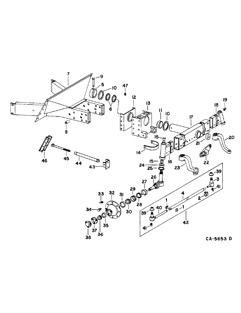
Запчасти Case IH 1460 (14-03) - SUSPENSION, STEERING AXLE, SUPPORT AND TIE ROD, ADJUSTABLE FOR GRAIN AND CORN Suspension

Схема запчастей Case IH 1460 - (14-03) - SUSPENSION, STEERING AXLE, SUPPORT AND TIE ROD, ADJUSTABLE FOR GRAIN AND CORN Suspension
41
44
6
12
23
46
19
45
26
31
29
24
38
39
10
27
43
8
4
3
11
14
1
30
20
32
17
22
1
13
33
5
18
47
15
21
34
36
2
41
35
10
25
37
39
28
40
16
7
42
15
9
FIT
1:1
100%

Артикул

Название

Примечание

Количество

1

A43369

CLAMP

WASHER, tie rod end clamp LH

2шт.

25779R1

BOLT,Hex, 3/8" - 24 x 3", Gr 8

3/8-NF x 3 PHC type 8

1шт.

2

225265R1

CLAMP

tie rod end

1шт.

180185

BOLT,Hex, 1/2" - 13 x 2 1/2", Gr 5

1/2 x 2-1/2 type 5

1шт.

9413967

LOCK NUT,1/2"-13, GB

NUT, 1/2 CAD p/t lock type 5

1шт.

3

179228C1

END ASSY.

END ASSY, tie rod RH, for 56 to 68 in., for 67 to 91 in.

1шт.

3

1302687C1

JOINT

END ASSY, tie rod RH, for 92 to 120 in.

1шт.

NLS

NO LONGER SERVICED

5/8-NF slt type 5

1шт.

137204

COTTER PIN,1/8" x 1 1/2"

PIN, SPLIT (COTTER), 1/8" x 1 1/2"

1шт.

4

185174C1

TUBE

tie rod, for wide adj, 67 to 91 in.

1шт.

4

1300170C1

TUBE

tie rod, for wide adj, 92 to 120 in.

1шт.

4

185176C1

TUBE

tie rod, for narrow adj, 56 to 68 in.

1шт.

5

182795C1

BUSHING,101.68mm ID x 127mm OD x 44.7mm L

axle pivot, Start Serial: 5501

1шт.

6

177751C1

BUSHING,101.7mm ID x 106.36mm OD x 38.1mm L

pivot, Serial Range: -5500

1шт.

6

182794C1

BUSHING,101.77mm ID x mm OD x 19.1mm L

BUSHING, pivot, Start Serial: 5501

2шт.

7

194024C1

SUPPORT

ASSY, steering axle, Serial Range: -14025

1шт.

7

1308816C2

SUPPORT

ASSY, steering axle, Start Serial: 14026

1шт.

454998

BOLT,Hex, 1/2" - 13 x 1", Gr 8

1/2 x 1 type 8

1шт.

380916R1

BOLT,Hex, 3/4" - 10 x 1 1/2", Gr 8

3/4 x 1-1/2 type 8

1шт.

195312C1

FLANGE NUT,Flg, USR, 1/2"-13, G8

1/2 PHC flange lock type 8

1шт.

177744C1

FLANGE NUT,Flg, USR, 3/4"-10

3/4 znd flange lock

1шт.

25712R1

WASHER

.812 x 1.500 x .179 hdn

1шт.

8

177748C1

SPACER

steering axle support 13/16 x 1-1/4 x 2-13/16

1шт.

9

177762C1

PIN

pivot tube, Serial Range: -5500

1шт.

9

28147R1

HEADED PIN,3/4" x 5 1/2"

PIN, 3/4 x 5-1/2 std. hd., Start Serial: 5501

1шт.

217973

COTTER PIN,1/4" x 1 1/4"

Pin, Split (Cotter), 1/4" x 1-1/4"

1шт.

10

168385C2

WASHER,102.6mm ID x 127mm OD x 3.3mm Thk

pivot tube

1шт.

11

177751C1

BUSHING,101.7mm ID x 106.36mm OD x 38.1mm L

pivot

1шт.

12

177781C92

SUPPORT ASSY.

SUPPORT ASSY, front pivot, Serial Range: -5500

1шт.

12

182792C92

SUPPORT ASSY.

SUPPORT ASSY, front pivot, includes ref. no. 6, Start Serial: 5501

1шт.

24895R1

BOLT,Hex, 3/4" - 10 x 4 1/2", Gr 8

1шт.

177744C1

FLANGE NUT,Flg, USR, 3/4"-10

3/4 znd flange lock

1шт.

25712R1

WASHER

.812 x 1.500 x .179 hdn

1шт.

13

177749C92

SUPPORT ASSY.

SUPPORT ASSY, pivot, 67 to 91 in.

1шт.

13

186599C92

SUPPORT ASSY.

SUPPORT ASSY, pivot, 92 to 120 in., includes ref. no. 11

1шт.

24895R1

BOLT,Hex, 3/4" - 10 x 4 1/2", Gr 8

1шт.

177744C1

FLANGE NUT,Flg, USR, 3/4"-10

3/4 znd flange lock

1шт.

25712R1

WASHER

.812 x 1.500 x .179 hdn

1шт.

25360R1

BOLT,Hex, 3/4" - 10 x 5 1/2", Gr 8

3/4 x 5-1/2 PHC type 8

1шт.

14

196084C2

CHANNEL

combine tow, 67 to 91 in.

1шт.

14

1302625C1

CHANNEL

combine tow, 92 to 120 in. only

1шт.

24876R1

BOLT,Hex, 5/8" - 11 x 2 1/4", Gr 8

1шт.

24878R1

BOLT,Hex, 5/8" - 11 x 2 3/4", Gr 8

1шт.

195313C1

FLANGE NUT,Flg, USR, 5/8"-12

5/8 PHC flange lock type 8

1шт.

15

358958R2

BUSHING,42.57mm ID x 46.08mm OD x 51.05mm L

spindle pivot

4шт.

16

177763C91

EXTENSION ASSY.

EXTENSION ASSY, axle LH, for wide adjustable, 67 to 91 in.

1шт.

16

183454C91

EXTENSION

ASSY, axle LH, for wide adjustable, 92 to 120 in.

1шт.

16

178488C91

EXTENSION

ASSY, axle LH, for narrow adjustable 56 to 68 in., includes ref no. 15

1шт.

177744C1

FLANGE NUT,Flg, USR, 3/4"-10

3/4 znd flange lock

1шт.

271781

BOLT (SPREADER),Hex, 3/4" - 10 x 4 1/2", Gr 5

BOLT, 3/4 x 4-1/2 type 5

1шт.

17

185155C1

HITCH PIN

AXLE ASSY, wide adjustable, 67 to 91 in. S/N 1500 and below

1шт.

17

180969C91

HITCH PIN

AXLE & PIVOT SUPPORT PACKAGE WIDE ADJUSTABLE, 67 to 91 in., includes 182799C2 & ref nos. 5, 9 & 12, Serial Range: 1501-5500

1шт.

17

182799C2

AXLE

ASSY, wide adjustable, 67 to 91 in., Serial Range: 5501-12000

1шт.

17

182799C2

AXLE

ASSY, wide adjustable, 67 to 91 in., for grain, Start Serial: 5501

1шт.

17

1302520C2

AXLE

ASSY, wide adjustable, 67 to 91 in., for corn, Start Serial: 12001

1шт.

17

1302520C2

AXLE

ASSY, wide adjustable, 67 to 91 in., for grain, Start Serial: 22001

1шт.

17

186317C2

AXLE

ASSY, wid adjustable, 92 to 120 in., for corn, Start Serial: 12001

1шт.

17

1302522C2

STEERING AXLE

AXLE ASSY, wide adjustable, 92 to 120 in., for corn, Start Serial: 12001

1шт.

17

1302522C2

STEERING AXLE

AXLE ASSY, wide adjustable, 92 to 120 in., for grain, Start Serial: 22001

1шт.

17

195336C2

CENTER AXLE

AXLE ASSY, narrow adjustable, Serial Range: -5500

1шт.

17

182800C2

AXLE

ASSY, narrow adjustable, 56 to 68 in., Start Serial: 5501

1шт.

464623R1

WASHER

.656 x 1.500 x .105, used on steering cylinder anchor as a spacer washer

1шт.

17

1302523C2

AXLE

ASSY, narrow adjustable, 56 to 68 in., for corn, Start Serial: 12001

1шт.

17

1302523C2

AXLE

ASSY, narrow adjustable, 56 to 68 in., for grain, Start Serial: 22001

1шт.

464623R1

WASHER

.656 x 1.500 x .105, used on steering cylinder anchor as a spacer washer

1шт.

18

177764C91

EXTENSION ASSY.

EXTENSION ASSY, axle RH, for wide adjustable 67 to 91 in.

1шт.

18

183455C91

EXTENSION

ASSY, axle RH, for wide adjustable, 92 to 120 in.

1шт.

18

178489C91

EXTENSION

ASSY, axle RH, for narrow adjustable, 56 to 68 in., includes ref no. 15

1шт.

177744C1

FLANGE NUT,Flg, USR, 3/4"-10

3/4 znd flange lock

1шт.

NLS

NO LONGER SERVICED

BOLT, 3/4 x 4-1/2 type 5

1шт.

232-4636

LOCK NUT,3/8"-24, GC

NUT, LOCK, 3/8"-24, GC

1шт.

413-1280

BOLT,Hex, 3/4" - 10 x 5", Gr 5

3/4 x 5 type , Course threads

1шт.

25712R1

WASHER

.812 x 1.500 x .179 hdn

1шт.

19

80722

LUBE NIPPLE,3/16" x .55" lg, Drive

FITTING, 3/16 str lub

2шт.

20

193912C2

LEVER

knuckle RH

1шт.

21

167955C2

SEAL

steering hose

2шт.

22

193917C1

ANCHOR

steering cylinder, for wide adjustable, 67 to 91 in.

1шт.

22

182782C1

ANCHOR

steering cylinder, for wide adjustable, 92 to 120 in.

1шт.

177744C1

FLANGE NUT,Flg, USR, 3/4"-10

3/4 znd flnage lock

1шт.

19873R1

HARDWARE,Hex, 3/4"-10 x 5 1/2", G5

BOLT, 3/4 x 5-1/2 type 5

1шт.

26523R1

BOLT,Hex, 3/4" - 10 x 5 1/4", Gr 8

3/4 x 5-1/4 PHC type 8

1шт.

25712R1

WASHER

.812 x 1.500 x .179 hdn

1шт.

23

193911C2

LEVER

knuckle LH

1шт.

24

185106C91

BEARING ASSY,44.2mm ID x 70.1mm OD x 19.05mm W

knuckle thrust

2шт.

25

15943DA

SEALING WASHER,60.33mm ID x 72.23mm OD x 4.76mm Thk

Knuckle pivot felt

2шт.

26

196334C2

KNUCKLE

ASSY, steering, includes ref. nos. 27 and 28

2шт.

Combines with S/N 42555 and below

1шт.

26963R1

NUT,7/8"-14, G8

NUT, 7/8-NF slt type 8

1шт.

427547

JAM NUT,Jam, 1 3/8"-12, G5

1-3/8-NF jam type 5

1шт.

137228

COTTER PIN,5/32" x 1 1/2"

PIN, SPLIT (COTTER), 5/32" x 1 1/2"

1шт.

370255R2

WASHER,22.63mm ID x 47.75mm OD x 4.18mm Thk

.89 x 1.88 x 5 ga hard

1шт.

22827R1

WASHER

1.406 x 2.750 x .042

1шт.

26

1315374C91

STEERING KNUCKLE

KNUCKLE ASSY, steering, includes ref. nos. 21 and 22

2шт.

Combines with S/N 42556 and above

1шт.

934797R1

COTTER PIN,M6.3 x 63

PIN, 6.3 x 60mm pln cot.

1шт.

427547

JAM NUT,Jam, 1 3/8"-12, G5

1-3/8-NF jam type 5

1шт.

22827R1

WASHER

1.406 x 2.750 x .042

1шт.

1259683C1

NUT

M30 x 1.5 pln slt

1шт.

27

48701D

SHIELD

knuckle dust

2шт.

Combines with S/N 42555 and below

1шт.

27

1259522C1

SHIELD

steering knuckle dust

2шт.

Combines with S/N 42556 and above

1шт.

28

370254R91

OIL SEAL,57.02mm ID x 82.55mm OD x 6.86mm Thk

knuckle oil

2шт.

Combines with S/N 42555 and below

1шт.

28

491641C1

SEAL

steering knuckle oil, replaces 1259523C1

2шт.

Combines with S/N 42556 and above

1шт.

29

48703D

RETAINER

hub seal

2шт.

Combines with S/N 42555 and below

1шт.

29

1264549C1

SEALING WASHER,106mm ID x 130mm OD x 1.6mm Thk

RETAINER, steering hub seal

2шт.

Combines with S/N 42556 and above

1шт.

30

G15215

ROLLER BEARING

BEARING ASSY, steering hub inner cone

2шт.

Combines with S/N 42555 and below

1шт.

30

ST753B

BEARING ASSY,66.67mm ID x 22mm W

steering hub inner cone

2шт.

Combines with S/N 42556 and above

1шт.

31

619387R1

BEARING CUP

BEARING, steering hub inner cup

2шт.

Combines with S/N 42555 and below

1шт.

31

A26744

BEARING CUP,110.025 mm OD x 18.875 mm

BEARING, steering hub inner cup

2шт.

Combines with S/N 42556 and above

1шт.

32

1323559C1

HUB

ASSY, axle, replaces 391824R11, includes ref. nos. 29, 31 and 35

2шт.

Combines with S/N 42555 and below

1шт.

32

1259528C91

WHEEL

HUB ASSY, steering tire, includes ref nos. 29, 31 and 35

2шт.

Combines with S/N 42556 and above

1шт.

33

19700R91

FITTING

3/16 45 deg drive type lub

2шт.

34

414064C1

BOLT,Hex, 9/16" - 18 x 1 1/2"

hub, replaces 364451R1

16шт.

35

618024R1

BEARING CUP,65.113mm OD x 13.97mm W

Steering hub outer

2шт.

Combines with S/N 42555 and below

1шт.

35

ST987

BEARING CUP

BEARING, steering hub outer cup

2шт.

Combines with S/N 42556 and above

1шт.

36

G57452

ROLLER BEARING

BEARING ASSY, steering hub outer cone

2шт.

Combines with S/N 42555 and below

1шт.

36

130504H

ROLLER BEARING,42.887 mm ID x 25.48 mm

BEARING ASSY, steering hub outer cone

2шт.

Combines with S/N 42556 and above

1шт.

37

369860R1

GASKET,0.79mm Thk

hub cap

2шт.

38

369859R1

CAP

hub

2шт.

Combines with S/N 42555 and below

1шт.

38

189425C1

HUB CAP

CAP, steering hub

2шт.

Combines with S/N 42556 and above

1шт.

30181R1

WASHER,M30 x 56.5 x 5, HT

32.8 x 56 x 5 mm PHC

1шт.

25228R1

BOLT,Hex, 5/16" - 18 x 3/4", Gr 8

5/16 x 3/4 PHC type 8

1шт.

80681

LOCK WASHER,5/16"

WASHER, LOCK, 5/16"

1шт.

39

382562R1

SEAL

tie rod stud

2шт.

40

193371C1

END ASSY.

END ASSY, tie rod LH, for wide adjustable, 67 to 91 in.

1шт.

40

1302686C1

JOINT

END ASSY, tie rod LH, for wide adjustable, 92 to 120 in.

1шт.

40

196321C1

END

ASSY, tie rod LH, for narrow adjustable, 56 to 68 in

1шт.

NLS

NO LONGER SERVICED

5/8-NF slt type 5

1шт.

137204

COTTER PIN,1/8" x 1 1/2"

PIN, SPLIT (COTTER), 1/8" x 1 1/2"

1шт.

41

109461

LUBE NIPPLE,1/8"-27 x .66 lg

NIPPLE, LUBE, 1/8"-27 x .66 lg

2шт.

42

ROD ASSY, axle tie, furnish applicable ref. nos. 1 thru 4 and 40, for 67 to 91 in. wide adjustable axle

1шт.

42

ROD ASSY, axle tie, furnish applicable ref. nos. 1 thru 4 and 40, for 92 to 120 in. wide adjustable axle

1шт.

42

ROD ASSY, axle tie, furnish applicable ref. nos. 1 thru 4 and 40, for 56 to 68 in. narrow adjustable axle

1шт.

43

183494C1

SUPPORT ASSY.

SUPPORT ASSY, rod rear, for wide adjustable, 92 to 120 in

2шт.

44

181444C1

TIE-ROD,1" - 8

ROD ASSY, axle rod rear eye, for wide adjustable, 92 to 120 in.

2шт.

23313R1

HEADED PIN,7/8" x 3 1/2"

PIN, HEADED, 7/8" x 3 1/2"

1шт.

217973

COTTER PIN,1/4" x 1 1/4"

Pin, Split (Cotter), 1/4" x 1-1/4"

1шт.

9849633

NUT,1"-8, G5

1шт.

45

181442C2

BOLT

axle rod front eye, for wide adjustable, 92 to 120 in.

2шт.

23729R1

HEADED PIN,22.23mm OD x 76.2mm L

PIN, 7/8 x 3. hd type 5

1шт.

217973

COTTER PIN,1/4" x 1 1/4"

Pin, Split (Cotter), 1/4" x 1-1/4"

1шт.

46

183491C1

SUPPORT ASSY.

SUPPORT ASSY, rod front, for wide adjustable, 92 to 120 in.

1шт.

47

80722

LUBE NIPPLE,3/16" x .55" lg, Drive

FITTING, 3/16 hole lub

2шт.

1323078C91

PACKAGE

steering knuckle and hub, consists of

2шт.

Combines with S/N 42555 and below

1шт.

Refer to group 15 under main and steering wheel rims and disc for wheels that must be ordered for use with this package

1шт.

1315374C91

STEERING KNUCKLE

KNUCKLE ASSY, steering

1шт.

934797R1

COTTER PIN,M6.3 x 63

PIN, 6.3 x 60mm pln cot.

1шт.

427547

JAM NUT,Jam, 1 3/8"-12, G5

1-3/8-NF jam type 5

1шт.

22827R1

WASHER

1.406 x 2.750 x .042

1шт.

1259522C1

SHIELD

dust

1шт.

491641C1

SEAL

hub

1шт.

1259683C1

NUT

M30 x 1.5 pln slt

1шт.

ST753B

BEARING ASSY,66.67mm ID x 22mm W

BEARING, inner cone, 2-5/8 inch ID

1шт.

130504H

ROLLER BEARING,42.887 mm ID x 25.48 mm

BEARING, outer cone

1шт.

1259528C91

WHEEL

HUB ASSY, steering wheel

1шт.

A26744

BEARING CUP,110.025 mm OD x 18.875 mm

BEARING, inner cup

1шт.

ST987

BEARING CUP

BEARING, outer cup

1шт.

1264549C1

SEALING WASHER,106mm ID x 130mm OD x 1.6mm Thk

WASHER, hub seal

1шт.

19700R91

FITTING

lube

1шт.

189425C1

HUB CAP

CAP, steering wheel hub

1шт.

30181R1

WASHER,M30 x 56.5 x 5, HT

32.8 x 56 x 5 mm

1шт.

414064C1

BOLT,Hex, 9/16" - 18 x 1 1/2"

9/16 x 1-1/2 h/hd flange (NSS) instructions

1шт.

Выбрано товаров: 180