Запчасти Case IH 1460 (10-22) - HYDRAULICS, HYDROSTATIC PUMP, VALVE BLOCK, SUNDSTRAND (07) - HYDRAULICS

Схема запчастей Case IH 1460 - (10-22) - HYDRAULICS, HYDROSTATIC PUMP, VALVE BLOCK, SUNDSTRAND (07) - HYDRAULICS
4
12
11
6
7
15
5
14
17
19
22
3
21
1
19
10
20
12
14
7
11
15
19
9
13
2
18
8
13
16
23
9
FIT
1:1
100%

Артикул

Название

Примечание

Количество

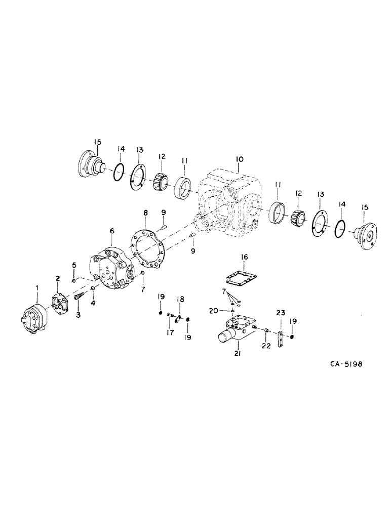
1

404777R92

PUMP, HYDRAULIC

PUMP ASSY, hyd, charge RH, includes Ref. no. 5

1шт.

26285R1

BOLT,Hex, 1/4" - 20 x 3", Gr 8

1/4 x 3 phc type 8

1шт.

21784R1

WASHER

.266 x .500 x .054

1шт.

2

533858R1

GASKET

charge pump

1шт.

3

394238R91

VALVE

ASSY, charge pump check

2шт.

4

371544R1

O-RING,0.07" Thk x 0.551" ID, -15, Cl 5, 75 Duro

9/16 x 11/16 x 1/16

25шт.

5

364885R1

O-RING,0.097" Thk x 0.755" ID, -910, Cl 6, 90 Duro

5/8 tube

1шт.

6

530733R1

CAP

transmission pump rear end

1шт.

24852R1

BOLT,Hex, 7/16" - 14 x 2 1/4", Gr 8

7/16 x 2-1/4 phc type 8

1шт.

70428R1

BOLT,Hex, 7/16" - 14 x 3 1/4", Gr 8

7/16 x 3-1/4 phc type 8

1шт.

61252H

WASHER

.469 x 750 x .105 pln

1шт.

7

382997R1

O-RING,0.07" Thk x 0.489" ID, -14, Cl 6, 90 Duro

1/2 x 5/8 x 1/16

1шт.

8

405147R1

GASKET

transmission pump rear end cover

1шт.

9

21061R1

DOWEL,3/8" x 1/2"

PIN, 3/8 x 1/2 dowel

4шт.

10

HOUSING, transmission pump, refer to this group under hydrostatic pump

1шт.

11

ST977

TAPERED BEARING,1.7715" ID x 3.277" OD x 0.9575"

BEARING, swashplate cup

2шт.

12

ST2118

TAPERED BEARING,1.75" ID x 3.27" OD x 0.9375"

BEARING ASSY, swashplate cone

2шт.

13

405144R1

SHIM

GASKET SET, swashplate brg trunnion

1шт.

14

254091R1

O-RING,0.139" Thk x 2.734" ID, -232, Cl 5, 75 Duro

2-3/4 x 3 x 1/8

2шт.

15

405143R1

TRUNNION

swashplate brg

2шт.

24849R1

BOLT,Hex, 7/16" - 14 x 1", Gr 8

7/16 x 1 phc type 8

1шт.

61252H

WASHER

.469 x .750 x .105 pln

1шт.

16

394237R2

GASKET

control valve housing

1шт.

17

394215R1

PIN

control valve link front

1шт.

18

128030C1

LINK

control valve

1шт.

19

21346R1

SNAP RING,#25, Ext, E-Type

Ring, Retaining, , control valve link #25, Ext, E-Type

6шт.

20

394219R1

PLUG

control valve orifice

1шт.

21

CONTROL VALVE, refer to this group under control valve, hyd. trans pump

1шт.

22

404783R1

SPACER

control valve handle

1шт.

124818

JAM NUT,Hex, 1/4" - 20, Gr 5

1шт.

121753

WASHER

1/4 ext tooth lock

1шт.

23

404782R1

HANDLE

control vlave shaft (Replaces F23131)

1шт.

Выбрано товаров: 32