Запчасти Case IH 1460 (10-31) - HYDRAULICS, HYDROSTATIC MOTOR, MANIFOLD VALVE, SUNDSTRAND (07) - HYDRAULICS

Схема запчастей Case IH 1460 - (10-31) - HYDRAULICS, HYDROSTATIC MOTOR, MANIFOLD VALVE, SUNDSTRAND (07) - HYDRAULICS
3
20
21
2
4
3
8
17
1
23
6
6
22
19
5
16
1
14
12
7
18
11
15
5
5
9
7
13
10
7
2
FIT
1:1
100%

Артикул

Название

Примечание

Количество

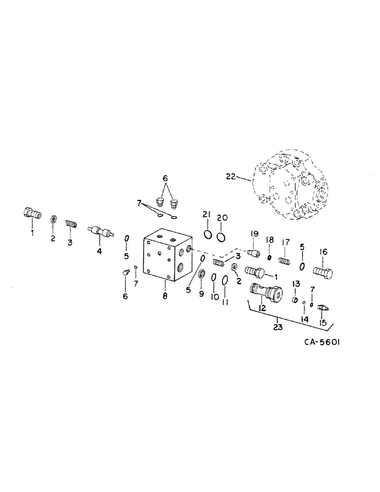
394171R91

VALVE

ASSY, hyd motor, includes Ref. os. 1 thru 8 and 16 thru 19

1шт.

26043R1

BOLT,Hex, 5/16" - 18 x 3 3/4", Gr 8

5/16 x 3-3/4 phc type 8

1шт.

394880R1

WASHER

11/32 x 19/32 x

1шт.

1

63432C1

PLUG

manifold shuttle valve

2шт.

2

394177R1

WASHER

manifold shuttle valve

2шт.

3

394176R1

SPRING

manifold shuttle valve

2шт.

4

SPOOL, shuttle valve, not serviced separately order housing 529426R1

1шт.

5

364885R1

O-RING,0.097" Thk x 0.755" ID, -910, Cl 6, 90 Duro

3/4 x 15/16 x 3/32

3шт.

6

9410356

PLUG

7/16-20 str-thd

3шт.

7

369751R1

O-RING,0.072" Thk x 0.351" ID, -904, Cl 6, 90 Duro

4-1, 90 Duro, .351" ID x .072" Thk

4шт.

8

529426R1

HOUSING

manifold valve, includes Ref. no. 4

1шт.

9

393887R1

BACK-UP RING

RING, relief valve back-up

4шт.

10

20947R1

O-RING,0.103" Thk x 0.799" ID, -117, Cl 6, 90 Duro

13/16 x 1 x 3/32

2шт.

11

297459R1

O-RING,0.116" Thk x 1.048" ID, -914, Cl 6, 90 Duro

1-3/16 x 1-7/32 x 7/16

2шт.

12

BODY, not serviced separately order 402626R94 valve assy

1шт.

13

402629R1

BUSHING

ball guide

1шт.

14

17008R1

BALL,1/4" Dia

Chrome-Steel 1/4" Dia

1шт.

15

402630R2

CONNECTOR, ELEC

CONNECTOR, 37 deg. flared tube special

1шт.

16

394173R1

PLUG

relief valve

1шт.

17

531174R1

SPRING

manifold relief valve

1шт.

18

394279R91

KIT

PACKAGE, relief valve shim

1шт.

19

531175R1

PISTON

manifold relief valve

1шт.

20

G34000

O-RING,0.103" Thk x 0.924" ID, -119, Cl 6, 90 Duro

15/16 x 1-1/8 x 3/32

2шт.

21

610547C1

O-RING,0.07" Thk x 0.864" ID, -20, Cl 7, 75 Duro

7/8 x 1 x 1/16

1шт.

22

COVER, motor bearing rear end, refer to this group under hydrostatic motor housing

1шт.

23

1971415C1

VALVE

ASSY, high pressure relief, includes Ref. no. 7, 12 thru 15 (Replaces 402626R94)

2шт.

393884R91

KIT

PACKAGE, manifold valve housing seal, consists of o-ring 610547C1, (2) o-ring G34000, (2) washer 393886R1

1шт.

393885R91

GASKET KIT

PACKAGE, relief valve seal, consists of o-ring 20947R1, o-ring 297459R1, (2) o-ring 393887R1

1шт.

SB 067-87 10/19/95

1шт.

Выбрано товаров: 29