Запчасти Case IH 1460 (33-09) - FEEDER, FEEDER DRIVE (13) - FEEDER

Схема запчастей Case IH 1460 - (33-09) - FEEDER, FEEDER DRIVE (13) - FEEDER
38
13
39
8
24
42
19
11
23
17
28
27
43
10
37
40
44
31
7
5
9
14
45
1
36
12
30
16
25
22
3
6
15
4
33
29
20
15
35
2
46
32
34
26
18
21
41
FIT
1:1
100%

Артикул

Название

Примечание

Количество

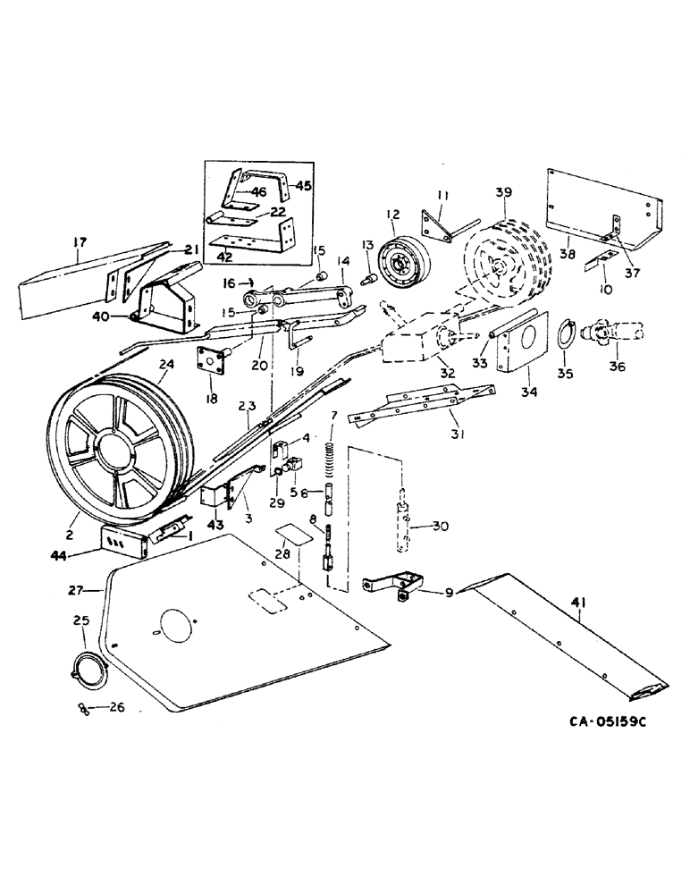
1

188043C1

SUPPORT ASSY.

SUPPORT ASSY, belt guard lower

1шт.

482256R1

BEARING LOCK NUT,Flg, USR, 3/8"-16

3/8 znd flange lock

1шт.

477-73812

SERRATED SCREW,Truss HD, 3/8" - 16 x 3/4"

3/8 x 3/4 znd slt-truss-hd

1шт.

2

194380C1

GUARD ASSY.

GUARD ASSY, feeder belt

1шт.

482256R1

BEARING LOCK NUT,Flg, USR, 3/8"-16

3/8 flange lock

1шт.

477-73812

SERRATED SCREW,Truss HD, 3/8" - 16 x 3/4"

3/8 x 3/4 slt-truss-hd

1шт.

179464C1

SERRATED SCREW,Sl Truss Hd, 3/8" - 16 x 1 1/4"

3/8 x 1-1/4 slt-truss-hd

1шт.

3

188045C2

SUPPORT ASSY.

SUPPORT ASSY, belt guard rear

1шт.

482256R1

BEARING LOCK NUT,Flg, USR, 3/8"-16

3/8 znd flange lock

1шт.

477-73812

SERRATED SCREW,Truss HD, 3/8" - 16 x 3/4"

3/8 x 3/4 znp slt-truss-hd

1шт.

4

194357C2

CHANNEL

CLIP, drive belt tightener

1шт.

5

186890C1

PIVOT

feeder drive arm spring rod

1шт.

23047R1

WASHER

1.53 x 2.5 x .06 znd

1шт.

6

194356C1

TUBE

tightener spring rod

1шт.

7

PO23

SPRING

tightener rod

1шт.

8

194216C2

ROD

ASSY, feeder drive tightener

1шт.

120378

NUT,Hex, 1/2" - 13, Gr 5

NUT, 1/2"-13, G5

1шт.

121222

COTTER PIN,3/32" x 3/4"

PIN, SPLIT (COTTER), 3/32" x 3/4"

1шт.

23304R1

CLEVIS PIN,3/8" x 1 9/16"

PIN, CLEVIS, 3/8" x 1 9/16"

1шт.

460908R1

WASHER

.531 x 1.5 x .105 znd

1шт.

9

194369C2

SUPPORT

ASSY, cylinder

1шт.

195312C1

FLANGE NUT,Flg, USR, 1/2"-13, G8

1/2 PHC flange lock type 8

1шт.

648002

KNIFE

1/8" x 3/4"

1шт.

23948R1

HEADED PIN,3/8" x 3 1/4"

PIN, HEADED, 3/8" x 3 1/4"

1шт.

180173

BOLT,Hex, 1/2" - 13 x 1", Gr 5

1шт.

10

194383C3

BRACKET

SUPPORT, upper belt guide

1шт.

938017R1

FLANGE NUT,Flg, USR, 5/16"-18

5/16 flange lock

1шт.

161945C1

SERRATED SCREW,Sl Truss Hd, 5/16" - 18 x 1"

5/16 x 1 znp slt-truss-hd

1шт.

11

195109C1

ROD ASSY.

ROD ASSY, feeder drive belt trap

1шт.

482256R1

BEARING LOCK NUT,Flg, USR, 3/8"-16

3/8 flange lock

1шт.

477-73816

SERRATED SCREW,Sl Truss Hd, 3/8" x 1"

3/8 x 1 slt-truss-hd

1шт.

12

174757C1

PULLEY

feeder drive flat idler, 8 in. OD

1шт.

13

559205R91

BEARING ASSY,15.92 mm ID x 30 mm OD x 82.55 mm

ASSY, idler arm pulley

1шт.

14

192105C93

LEVER

ASSY, feeder drive idler, includes ref. nos. 12, 13 and 15

1шт.

20340R1

COTTER PIN,1/4" x 1 1/2"

Pin, Split (Cotter), 1/4" x 1 1/2"

1шт.

591715R1

WASHER

1.031 x 1.500 x .054

1шт.

15

559154R1

BUSHING,25.45mm ID x 28.6mm OD x 25.4mm L

feeder drive idler arm, used w/lub fitting

2шт.

15

1302308C1

BUSHING,25.65mm ID x 31.85mm OD x 28.57mm L

feeder drive idler arm, used w/out lub fitting

2шт.

16

80717

LUBE NIPPLE,45 Degree, 1/8" NPT x 7/8" lg

FITTING, 1/8-27 PTF 45 deg lub

1шт.

17

185382C2

GUARD

COVER, feeder drive belt upper

1шт.

477-73812

SERRATED SCREW,Truss HD, 3/8" - 16 x 3/4"

3/8 x 3/4 znp slt-truss-hd

1шт.

482256R1

BEARING LOCK NUT,Flg, USR, 3/8"-16

3/8 flange lock

1шт.

113-233

BOLT,Hex, 3/8" - 16 x 1-3/4", Gr 5

1шт.

179464C1

SERRATED SCREW,Sl Truss Hd, 3/8" - 16 x 1 1/4"

3/8 x 1-1/4 slt-truss-hd

1шт.

25709R1

WASHER

.406 x .812 x .089 hdn

1шт.

18

185414C2

SUPPORT

ASSY, feeder drive idler pivot

1шт.

482256R1

BEARING LOCK NUT,Flg, USR, 3/8"-16

3/8 flange lock

1шт.

477-73816

SERRATED SCREW,Sl Truss Hd, 3/8" x 1"

3/8 x 1 slt-truss-hd

1шт.

19

192111C1

ROD

feeder belt retainer

1шт.

18481R1

COTTER PIN,3/16" x 1"

PIN, SPLIT (COTTER), 3/16" x 1"

1шт.

20

194358C1

GUIDE

ASSY, feeder drive belt, without rock trap

1шт.

20

1315076C1

GUIDE

ASSY, feeder drive belt, with rock trap

1шт.

18481R1

COTTER PIN,3/16" x 1"

PIN, SPLIT (COTTER), 3/16" x 1"

1шт.

21

192131C3

SUPPORT

belt guard upper

1шт.

22

194364C2

HINGE

retainer pivot

1шт.

482256R1

BEARING LOCK NUT,Flg, USR, 3/8"-16

3/8 flange lock

1шт.

179464C1

SERRATED SCREW,Sl Truss Hd, 3/8" - 16 x 1 1/4"

3/8 x 1-1/4 slt-truss-hd

1шт.

23

192738C1

BELT,22.225 mm W x 3814.70 mm L, 3, Ribs

V-BELT , Feeder drive, Without rock trap, OC 22.225 mm W x 3814.70 mm L, 3, Ribs

1шт.

23

1315168C1

V-BELT,22.23 mm W x 4228.70 mm L

Drive, Feeder, With Rock Trap 22.23 mm W x 4228.70 mm L

1шт.

24

197387C1

PULLEY

feeder driven, 22.56 in. OD, Serial Range: -12000

1шт.

24

1305297C1

PULLEY

feeder driven, 22.56 in. OD, also used with rock trap, Start Serial: 12001

1шт.

25

188315C1

DOOR

drive belt cover access

1шт.

937059R1

SCREW,Serr, M10 x 70mm, Cl 10.9

1/4-20 x 1/2 slt-truss-hd

1шт.

18653R1

BOLT,Hex, 1/4" - 20 x 1/2", Gr 2

1/4 x 1/2 znd hex-hd mach

1шт.

86625061

NUT,1/4"-20, GB

NUT, 1/4 znd hex-lock type 5

1шт.

26

86627130

WING NUT,1/4"-20

NUT, 1/4 wing

1шт.

27

186189C93

GUARD

SHIELD ASSY, feeder drive belt, includes ref. no. 28

1шт.

477-73812

SERRATED SCREW,Truss HD, 3/8" - 16 x 3/4"

3/8 x 3/4 znp slt-truss-hd

1шт.

482256R1

BEARING LOCK NUT,Flg, USR, 3/8"-16

3/8 flange lock

1шт.

28

188199C1

PRODUCT GRAPHIC

caution

1шт.

29

69339R1

SNAP RING,#150, Ext

Ring, Snap, , spring rod pivot #150, Ext

1шт.

30

CYLINDER ASSY, refer to group 10 under feeder and separator clutch cylinder

1шт.

31

194521C1

SUPPORT

gear case

1шт.

482256R1

BEARING LOCK NUT,Flg, USR, 3/8"-16

3/8 flange lock

1шт.

477-73812

SERRATED SCREW,Truss HD, 3/8" - 16 x 3/4"

3/8 x 3/4 znp slt-truss-hd

1шт.

477-73816

SERRATED SCREW,Sl Truss Hd, 3/8" x 1"

3/8 x 1 slt-truss-hd

1шт.

178373R1

WASHER

.531 x 1.000 x .056

1шт.

32

CASE, feeder and cleaning fan drive gear, refer to group 7 under feeder drive forward gear case

1шт.

33

191497C1

SEALING STRIP

gear case support, 10.6 in.

1шт.

34

191399C1

SUPPORT

gear case rear

1шт.

482256R1

BEARING LOCK NUT,Flg, USR, 3/8"-16

3/8 flange lock

1шт.

477-73812

SERRATED SCREW,Truss HD, 3/8" - 16 x 3/4"

3/8 x 3/4 znp slt-truss-hd

1шт.

35

191496C1

SEALING STRIP

gear case support, 11.8 in.

1шт.

36

JOINT ASSY, universal drive, refer to group 7 under separator drive

1шт.

37

186081C1

ANGLE

feeder drive belt upper shield

1шт.

938017R1

FLANGE NUT,Flg, USR, 5/16"-18

5/16 flange lock

1шт.

477-73108

SERRATED SCREW,Sl Truss Hd, 5/16" - 18 x 1/2"

5/16 x 1/2 slt-truss-hd

1шт.

38

186080C2

SUPPORT

feeder drive belt upper

1шт.

39

PULLEY, feeder drive, refer to group 20 under belt drive, RH side

1шт.

40

(Not used this application)

1шт.

41

1315085C1

GUARD

SHIELD ASSY, belt extension, with rock trap

1шт.

482256R1

BEARING LOCK NUT,Flg, USR, 3/8"-16

3/8 flange lock

1шт.

477-73812

SERRATED SCREW,Truss HD, 3/8" - 16 x 3/4"

3/8 x 3/4 znp slt-truss-hd

1шт.

42

1315078C3

SUPPORT

pivot extension, with rock trap

1шт.

482256R1

BEARING LOCK NUT,Flg, USR, 3/8"-16

3/8 flange lock

1шт.

477-73816

SERRATED SCREW,Sl Truss Hd, 3/8" x 1"

3/8 x 1 slt-truss-hd

1шт.

179464C1

SERRATED SCREW,Sl Truss Hd, 3/8" - 16 x 1 1/4"

3/8 x 1-1/4 slt-truss-hd

1шт.

43

1315075C1

ANGLE

belt shield rear extension, with rock trap

1шт.

477-73812

SERRATED SCREW,Truss HD, 3/8" - 16 x 3/4"

3/8 x 3/4 znp slt-truss-hd

1шт.

482256R1

BEARING LOCK NUT,Flg, USR, 3/8"-16

3/8 flange lock

1шт.

44

1315083C1

SUPPORT

belt shield lower extension, with rock trap

1шт.

477-73812

SERRATED SCREW,Truss HD, 3/8" - 16 x 3/4"

3/8 x 3/4 znp slt-truss-hd

1шт.

482256R1

BEARING LOCK NUT,Flg, USR, 3/8"-16

3/8 flange lock

1шт.

45

1315232C1

SUPPORT

shield stiffener, with rock trap

1шт.

46

1315079C1

SUPPORT

shield upper, with rock trap

1шт.

49139D

WASHER,10.32mm ID x 38.1mm OD x 5mm Thk

.406 x 1.50 x .188 flat

1шт.

Выбрано товаров: 106