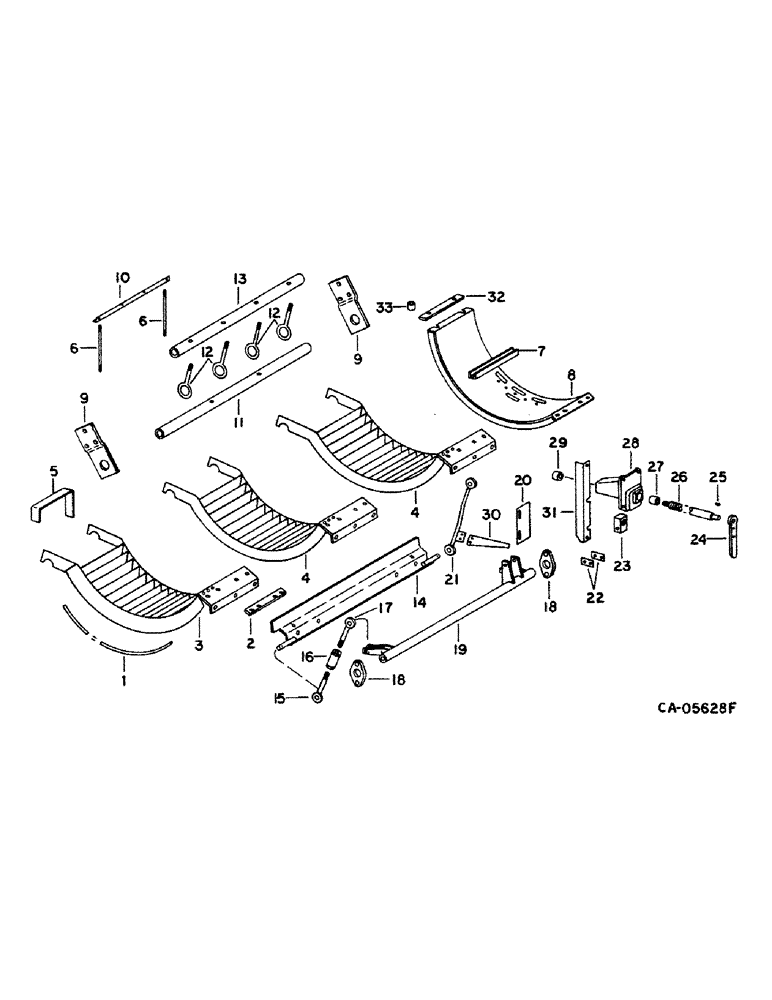
Запчасти Case IH 1460 (21-21) - THRESHING ROTOR AND CONCAVES, CONCAVE AND CONTROL (14) - THRESHING

Схема запчастей Case IH 1460 - (21-21) - THRESHING ROTOR AND CONCAVES, CONCAVE AND CONTROL (14) - THRESHING
19
23
5
1
32
6
16
21
12
13
10
4
29
20
30
9
25
27
3
7
6
17
28
26
31
22
24
8
2
18
14
15
9
11
33
4
18
FIT
1:1
100%

Артикул

Название

Примечание

Количество

1

195311C1

ROD

concave, 3/16 in. dia x 29.06 in. lg, Serial Range: -9048

90шт.

1

1302602C2

ROD

concave, 3/16 in. dia. x 28.81 in. lg, Start Serial: 9049

90шт.

1

191479C1

ROD

concave, 1/4 in. dia. x 29.10 in. lg, Serial Range: -9048

42шт.

1

1302601C2

STEM

ROD, concave, 1/4 in. dia. x 28.85 in. lg, Start Serial: 9049

42шт.

2

193859C1

PLATE

BAR, concave wire retainer

6шт.

482256R1

BEARING LOCK NUT,Flg, USR, 3/8"-16

3/8 flange lock

1шт.

1319406C1

SERRATED SCREW,Cross Rec Truss Hd, 3/8" - 16 x 1", Spcl

3/8 x 1 t/hd serrated

1шт.

3

1309208C3

CONCAVE

ASSY, front, small, replaces 195309C3, 1309391C1 and 1302608C5, includes ref. no. 1 1302602C2

1шт.

3

1302606C5

CONCAVE

ASSY, front, large, replaces 193780C3, 1309390C1 and 1306209C2, includes ref. no. 1, 1302601C2

1шт.

4

1309210C3

CONCAVE

ASSY, no. 2 and 3, small, replaces 195310C3, 1309395C1, and 1302609C4, includes ref. no. 1, 1302602C2

2шт.

4

1302607C4

CONCAVE

ASSY, no. 2 and 3, large, replaces 193781C3 1309394C1, and 1309211C2, includes ref. no. 1, 1301601C2

2шт.

5

1309424C1

CHANNEL

concave filler, for 1/4 in. dia. rod, for corn

1шт.

5

1309425C1

CHANNEL

concave filler, for 3/16 in. dia. rod

1шт.

6

186776C1

ROD

BOLT, concave filler, Start Serial: 1501

2шт.

120378

NUT,Hex, 1/2" - 13, Gr 5

NUT, 1/2"-13, G5

1шт.

7

191536C1

CHANNEL

grate adjusting

21шт.

938017R1

FLANGE NUT,Flg, USR, 5/16"-18

5/16 flange lock

1шт.

135270

SERRATED SCREW,5/16" - 18 x 3/4"

5/16 x 3/4 znp slt-truss-hd

1шт.

8

191538C3

GRATE ASSY.

GRATE ASSY, slotted

3шт.

8

1302562C1

CONCAVE

GRATE ASSY, keystock, replaces 182737C4

3шт.

8

1319750C1

GRATE

ASSY, smooth, used for sunflower harvesting

1шт.

482256R1

BEARING LOCK NUT,Flg, USR, 3/8"-16

3/8-16 flange lock

1шт.

1302788C1

FLANGE BOLT,Serr, Hex, 3/8" - 16 x 1 1/4", Gr 8

SCREW, 3/8 x 1 hex-hd lock

1шт.

1302787C1

FLANGE BOLT,Serr, Hex, 3/8" - 16 x 1", Gr 8

BOLT, Hex Flg, 3/8"-16 x 1", Serr, G8

1шт.

9

195253C1

SUPPORT

concave anchor

2шт.

195312C1

FLANGE NUT,Flg, USR, 1/2"-13, G8

1/2 PHC flange lock type 8

1шт.

1302142C1

BOLT,Flng, 1/2" - 13 x 1-1/4"

1/2 x 1-1/4 hex-hd flange w/scotch grip

1шт.

10

186399C1

SUPPORT

concave truss rod, Start Serial: 1501

1шт.

477-73812

SERRATED SCREW,Truss HD, 3/8" - 16 x 3/4"

3/8 x 3/4 znp slt-truss-hd

1шт.

482256R1

BEARING LOCK NUT,Flg, USR, 3/8"-16

3/8 flange lock

1шт.

11

195255C1

PIPE

concave control, Serial Range: -1500

1шт.

Ref.11 P/N 195255 C1 has no Holes.

1шт.

11

186392C1

PIPE

concave control, Start Serial: 1501

1шт.

186392C1 has two Holes 10/19/95

1шт.

1302787C1

FLANGE BOLT,Serr, Hex, 3/8" - 16 x 1", Gr 8

BOLT, Hex Flg, 3/8"-16 x 1", Serr, G8

1шт.

12

195254C1

BOLT,1/2" - 13 x 6"

concave clamp eye

4шт.

120378

NUT,Hex, 1/2" - 13, Gr 5

NUT, 1/2"-13, G5

1шт.

13

193790C2

TUBE

PIPE, concave pipe

1шт.

14

191401C1

SUPPORT ASSY.

SUPPORT ASSY, concave anchor

1шт.

1302787C1

FLANGE BOLT,Serr, Hex, 3/8" - 16 x 1", Gr 8

BOLT, Hex Flg, 3/8"-16 x 1", Serr, G8

1шт.

482256R1

BEARING LOCK NUT,Flg, USR, 3/8"-16

3/8 flange lock

1шт.

18481R1

COTTER PIN,3/16" x 1"

PIN, SPLIT (COTTER), 3/16" x 1"

1шт.

25710R1

WASHER

.531 x 1.062 x .134 hdn

1шт.

15

191411C1

BOLT,1/2" - 13 x 147mm, RH Thd

concave adj RH thread

1шт.

25933R1

JAM NUT,Jam, 1/2"-13, G8

1/2 PHC jam type 8

1шт.

16

M383D

TURNBUCKLE

concave adjusting

1шт.

17

191410C1

BOLT,1/2" - 13 x 147mm, LH Thd

concave adj LH thread

1шт.

18

1319251C2

SUPPORT

HUB, concave control shaft, replaces 192890C1

2шт.

195312C1

FLANGE NUT,Flg, USR, 1/2"-13, G8

1/2 PHC flange lock type 8

1шт.

180177

BOLT,Hex, 1/2" - 13 x 1 1/2", Gr 5

1/2 x 1-1/2 type 5

1шт.

19

191423C1

LEVER ASSY.

LEVER ASSY, concave control

1шт.

18481R1

COTTER PIN,3/16" x 1"

PIN, SPLIT (COTTER), 3/16" x 1"

1шт.

21939R1

HEADED PIN,1/2" x 1 7/16"

PIN, 1/2 x 1.438 hd type 1

1шт.

20

188168C1

PLATE

BAR, concave indicator

1шт.

22844R1

SELF-TAP SCREW,Hex Hd, #10 x 1/2"

SCREW, SELF TAPPING, Hex Hd, #10 x 1/2"

1шт.

21

188345C2

ROD ASSY.

ROD ASSY, concave control

1шт.

22

192888C1

PLATE

BAR, concave control upper

2шт.

18481R1

COTTER PIN,3/16" x 1"

PIN, SPLIT (COTTER), 3/16" x 1"

1шт.

22899R1

HEADED PIN,1/2" x 2 3/8"

PIN, HEADED, 1/2" x 2 3/8"

1шт.

21814R1

HEADED PIN,1/2" x 3"

PIN, 1/2 x 3. hd type 1

1шт.

23

192886C1

NUT

concave control adjusting

1шт.

24

170282C1

HANDLE

concave control ratchet

1шт.

25

124549

WOODRUFF KEY,#9, 3/16" x 3/4", HT

Replaces 106751 #9, 3/16" x 3/4", HT

1шт.

26

192885C1

SHAFT

concave adjusting

1шт.

20033R1

LOCK NUT

NUT, 5/8 CAD p/t lock type 5

1шт.

19689R1

PIN,1/4" x 1 1/4", Coiled

1шт.

25537R1

WASHER,21/32" x 1 5/16" x .095", HDN

.656 x 1.312 x .095 PHC hdn

1шт.

27

551068R1

BUSHING,22.28mm ID x 25.43mm OD x 22.23mm L

concave control housing

1шт.

28

192883C93

SUPPORT

HOUSING ASSY, concave control, includes ref. nos. 27 and 29

1шт.

482256R1

BEARING LOCK NUT,Flg, USR, 3/8"-16

3/8 flange lock

1шт.

179464C1

SERRATED SCREW,Sl Truss Hd, 3/8" - 16 x 1 1/4"

3/8 x 1-1/4 slt-truss-hd

1шт.

29

568921R1

BUSHING,15.9mm ID x 19.02mm OD x 22.23mm L

concave control housing

1шт.

30

194091C1

BAR

concave indicator

1шт.

938016R1

FLANGE NUT,Flg, USR, 1/4"-20

1/4 flange lock

1шт.

937059R1

SCREW,Serr, M10 x 70mm, Cl 10.9

1/4-20 x 1/2 slt-truss-hd

1шт.

31

182577C1

ANGLE

housing support, Start Serial: 12001

1шт.

477-73812

SERRATED SCREW,Truss HD, 3/8" - 16 x 3/4"

3/8 x 3/4 znp slt-truss-hd

1шт.

482256R1

BEARING LOCK NUT,Flg, USR, 3/8"-16

3/8 flange lock

1шт.

32

186784C2

BAR

grate hanger

3шт.

33

600179R1

SPACER,13.9mm ID x 21.34mm OD x 14.3mm L

Grate and cage bar 1/2" X-Strng Pipe x 9/16"

6шт.

236484R1

BOLT,Hex, 1/2" - 13 x 2", Gr 8

1шт.

25710R1

WASHER

.531 x 1.062 x .134 hdn

1шт.

359787C1

LOCK NUT,1/2"-13, GC

NUT, 1/2 CAD p/t lock type 8

1шт.

25710R1

WASHER

.531 x 1.062 x .134 hdn

1шт.

1300673C91

PACKAGE

concave filler, for 3/16 in. dia. rod, parts accessory, consists of

1шт.

1309425C1

CHANNEL

concave filler, small wire

6шт.

1300716C91

CHANNEL

PACKAGE, concave filler, for 1/4-in dia. rod, parts accessory, consists of

1шт.

1309424C1

CHANNEL

concave filler, large wire

6шт.

1300211C91

SPACER

PACKAGE, concave front bar, consists of, (3) bar (NSS), instructions (NSS), Serial Range: -9048

1шт.

482256R1

BEARING LOCK NUT,Flg, USR, 3/8"-16

3/8 flange lock

1шт.

179464C1

SERRATED SCREW,Sl Truss Hd, 3/8" - 16 x 1 1/4"

3/8 x 1-1/4 slt-truss-hd

1шт.

21403R1

WASHER

.406 x 1.000 x .120

1шт.

SB 034-87 - Concave interruptions 1324046C1

1шт.

34.1-87 - revised to include large wire.

1шт.

Выбрано товаров: 94