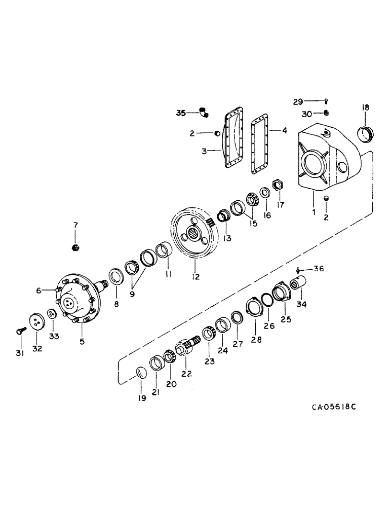
Запчасти Case IH 1460 (07-09) - DRIVE TRAIN, FINAL DRIVE, TWO PIECE DRIVE SHAFT Drive Train

Схема запчастей Case IH 1460 - (07-09) - DRIVE TRAIN, FINAL DRIVE, TWO PIECE DRIVE SHAFT Drive Train
19
15
29
7
6
16
18
12
20
33
25
36
11
28
27
24
31
2
4
30
1
9
23
5
8
13
21
34
17
22
3
32
35
2
26
FIT
1:1
100%

Артикул

Название

Примечание

Количество

DRIVE ASSY, final, on orders for drive assy., 121803C91 furnish drive assy., 92769C93

2шт.

24889R1

BOLT,Hex, 3/4" - 10 x 2 1/4", Gr 8

3/4 x 1/4 znd hex-hd type 8

1шт.

21452R1

BOLT,Hex, 3/4" - 10 x 2", Gr 8

3/4 x 2 type 8

1шт.

24771R1

LOCK WASHER,3/4"

WASHER, LOCK, 3/4"

1шт.

25712R1

WASHER

.812 x 1.500 x .179 hdn

1шт.

1

HOUSING, final drive, on order for housing, 401901R3 furnish housing, 86851C2 plus

1шт.

86839C2

COVER

1шт.

86845C1

CAGE

1шт.

24862R1

BOLT,Hex, 1/2" - 13 x 1 1/2", Gr 8

1шт.

26273R1

WASHER

1шт.

140483H

BOLT,Hex, 3/8" - 16 x 1 1/4", Gr 8, Full Thd

1шт.

25896R1

WASHER,13/32" x 13/16" x .09", HDN

1шт.

86895C1

SHIM,117.4mm ID x 136.2mm OD x 0.08mm Thk

1шт.

86896C1

SHIM,117.4mm ID x 136.2mm OD x 0.13mm Thk

1шт.

86897C1

SHIM,117.4mm ID x 136.2mm OD x 0.18mm Thk

1шт.

86898C1

SHIM,117.4mm ID x 136.2mm OD x 0.76mm Thk

1шт.

2

217-470

DRAIN PLUG,Sq Soc, 3/4" - 14 NPTF

PLUG, 3/4-14 auto sq-hd pipe

6шт.

3

403894R2

COVER ASSY

housing, for use with housing 401901R3

2шт.

541313R1

BOLT,Hex Serr Flg, 3/8" - 16 x 3/4"

SCREW, 3/8 x 3/4 hex-hd flange

1шт.

3

86839C2

COVER

ASSY, housing, for use with housing 86851C2

2шт.

24862R1

BOLT,Hex, 1/2" - 13 x 1 1/2", Gr 8

1шт.

26273R1

WASHER

.531 x 1.062 x .134 phc hdn

1шт.

140483H

BOLT,Hex, 3/8" - 16 x 1 1/4", Gr 8, Full Thd

1шт.

25896R1

WASHER,13/32" x 13/16" x .09", HDN

.406 x .812 x .089 phc hdn

1шт.

4

196435C1

GASKET

final drive housing cover, for use with cover 403894R2

2шт.

5

1315484C91

SHAFT

ASSY, one piece final drive, replaces two piece shaft, 63284C93, inc., Ref. no 6

2шт.

6

565130R3

BOLT,3/4" - 16 x 2 5/8", Class 8

wheel

20шт.

7

25632R1

NUT,3/4"-16, G8

3/4-16 wheel bolt

20шт.

25548R1

WASHER

.812 x 1.500 x .219 phc hdn

1шт.

8

401905R91

OIL SEAL,98.93mm ID x 152.58mm OD x 15.88mm Thk

outer bearing cage

2шт.

9

283445C91

BEARING ASSY,85.03mm ID x 150.09mm OD x 44.4.5mm W

ASSY, shaft roller, replaces cone 283444C91 & cup 18241H

2шт.

10

(Not used this application)

1шт.

11

401906R1

SPACER

gear outer

2шт.

12

401907R1

GEAR

drive, 66T

2шт.

13

401908R2

SPACER

final drive

2шт.

14

(Not used this application)

1шт.

15

66116R91

BEARING ASSY,66.67mm ID x 112.71mm OD x 30.16mm W

ASSY, shaft inner, replaces cone ST2018A and cup ST967

2шт.

16

403896R1

WASHER

WASHER, final drive

2шт.

17

147030R1

SLOTTED NUT

2-13 NS thread

2шт.

17233R1

COTTER PIN,1/8" x 2 1/2"

1/8" x 2 1/2"

1шт.

18

403895R1

COVER

main shaft

2шт.

19

57719C1

PLUG

expansion, Serial Range: -1500

2шт.

20

401911R91

BEARING ASSY,44.45mm ID x 31.75mm W

BEARING ASSY, pinion shaft outer cone

2шт.

21

61012R1

BEARING, CUP,93.66mm OD x 25.4mm W

BEARING, pinion shaft outer cup

2шт.

22

401912R1

SHAFT

pinion

2шт.

23

M53320

BEARING ASSY

inner cone

2шт.

24

50320R1

BEARING CUP

inner cup

2шт.

25

401913R2

CAGE

pinion inner bearing

2шт.

26678R1

BOLT,Hex, 5/16" - 18 x 1", Gr 8

5/16 x 1 phc p/t type 8, for use with housing 401901R3

2шт.

25

86845C1

CAGE

pinion inner bearing

2шт.

24842R1

BOLT,Hex, 3/8" - 16 x 1 3/4", Gr 8

For use with housing 86851C2 Hex, 3/8"-16 x 1 3/4", G8

1шт.

26

257642R1

O-RING,0.139" Thk x 4.234" ID, -244, Cl 5, 75 Duro

4-1/4 x 4-1/2 class 5

1шт.

27

401914R91

OIL SEAL,54.28mm ID x 85.22mm OD x 11.13mm Thk

bearing cage

2шт.

28

401915R1

SHIM

pinion inner bearing, .003

1шт.

28

401916R1

SHIM

pinion inner bearing, .005

1шт.

28

401917R1

SHIM

pinion inner bearing, .007

1шт.

28

184033C1

SHIM

pinion inner bearing, .030, for use with cage 401913R2

1шт.

28

86895C1

SHIM,117.4mm ID x 136.2mm OD x 0.08mm Thk

pinion inner bearing, .003 in.

1шт.

28

86896C1

SHIM,117.4mm ID x 136.2mm OD x 0.13mm Thk

pinion inner bearing, .005 in.

1шт.

28

86897C1

SHIM,117.4mm ID x 136.2mm OD x 0.18mm Thk

pinion inner bearing, .007 in.

1шт.

28

86898C1

SHIM,117.4mm ID x 136.2mm OD x 0.76mm Thk

pinion inner bearing, .030 in., for use with cage 86845C1

1шт.

29

61991R91

BREATHER,1/8"-27 NPT, Short, w/washer

ASSY, oil

2шт.

30

21276R1

ADAPTER,3/4" NPT Male x 1/8" NPT Fem

REDUCER, 3/4 x 1/8 pipe

2шт.

31

875933C1

BOLT,Hex, 5/8" - 11 x 2 1/4", Drilled

axle retaining 5/8 x 2.50, for drive shaft 63284C93

6шт.

31

28103R1

BOLT,Hex, 1" - 8 x 3 3/4", Gr 8

axle retaining, for drive shaft 1315484C91

1шт.

32

121797C1

WASHER

final drive shaft, for drive shaft 63284C93

2шт.

32

1277033C1

WASHER

final drive shaft, for drive shaft 1315484C91

1шт.

33

121798C1

SHIM

final drive shaft, .015

1шт.

33

121799C1

SHIM

final drive shaft, .018

1шт.

33

121800C1

SHIM

final drive shaft, .021, for drive shaft 63284C93

1шт.

33

1277039C1

SHIM

final drive shaft, .015 in.

1шт.

33

1277040C1

DISC

SHIM, final drive shaft, .018 in.

1шт.

33

1277041C1

SHIM

final drive shaft, .021 in., for drive shaft 1315484C91

1шт.

34

401875R5

SLEEVE

axle drive shaft, includes Ref. no. 36, Serial Range: -32000

1шт.

34

184341C1

SLEEVE

axle drive shaft, includes Ref. no. 36, Start Serial: 32001

1шт.

27653R1

BOLT,Hex, 3/8" - 16 x 3 1/2", Gr 8

3/8 x 3-1/2 dld type 8

1шт.

21864R1

COTTER PIN

.114 dia. S type cot.

1шт.

654049R1

LOCK NUT

3/8-16 pln slt-hex

1шт.

35

141621

ELBOW,90 Degree, 3/4" NPT Street

3/4 90 deg street, for rice

1шт.

36

86504104

LUBE NIPPLE,1/4" x .56" lg, Drive

FITTING, 1/4 lube

2шт.

Выбрано товаров: 80