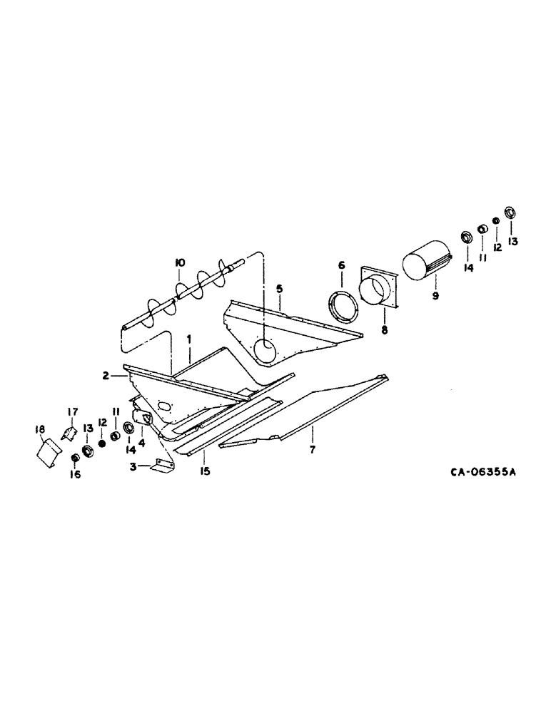
Запчасти Case IH 1460 (25-04) - GRAIN AND TAILINGS ELEVATORS, GRAIN AUGER TROUGH Elevators

Схема запчастей Case IH 1460 - (25-04) - GRAIN AND TAILINGS ELEVATORS, GRAIN AUGER TROUGH Elevators
12
15
14
13
14
1
3
11
9
13
12
16
8
4
5
10
11
16
7
6
2
17
FIT
1:1
100%

Артикул

Название

Примечание

Количество

1

188324C1

TROUGH

ASSY, grain bottom, corn, perforated, Serial Range: -15000

1шт.

1

186630C1

TRAY ASSY.

TROUGH ASSY, grain bottom grain and corn-perforated, Start Serial: 15001

1шт.

938017R1

FLANGE NUT,Flg, USR, 5/16"-18

5/16 flange lock

1шт.

477-73108

SERRATED SCREW,Sl Truss Hd, 5/16" - 18 x 1/2"

5/16 x 1/2 slt-truss-hd

1шт.

1

191713C2

TROUGH

grain bottom, non-perforated

1шт.

188471C1

FLANGE NUT,Flg, 5/16"-18

NUT, 5/16 high torque

1шт.

180077

BOLT,Hex, 5/16" - 18 x 3/4", Gr 5

5/16 x 3/4 type 5

1шт.

134238R1

WASHER

.344 x 1.000 x .054

1шт.

2

188018C2

SUPPORT ASSY.

SUPPORT ASSY, grain trough LH

1шт.

188471C1

FLANGE NUT,Flg, 5/16"-18

NUT, 5/16 high torque

1шт.

180077

BOLT,Hex, 5/16" - 18 x 3/4", Gr 5

5/16 x 3/4 type 5

1шт.

3

182715C1

ANGLE

trough LH support

1шт.

4

178602C1

PLATE

BAR, grain collecting auger LH access

1шт.

938017R1

FLANGE NUT,Flg, USR, 5/16"-18

5/16 flange lock

1шт.

5

191715C2

SUPPORT

grain trough RH

1шт.

180077

BOLT,Hex, 5/16" - 18 x 3/4", Gr 5

5/16 x 3/4 type 5

1шт.

188471C1

FLANGE NUT,Flg, 5/16"-18

NUT, 5/16 high torque

1шт.

6

194688C1

RING

grain trough RH support

1шт.

188471C1

FLANGE NUT,Flg, 5/16"-18

NUT, 5/16 high torque

1шт.

88574

BOLT,Hex, 5/16" - 18 x 1/2", Gr 5, Full Thd

1шт.

180077

BOLT,Hex, 5/16" - 18 x 3/4", Gr 5

5/16 x 3/4 type 5

1шт.

134238R1

WASHER

.344 x 1.000 x .054

1шт.

7

191716C1

EXTENSION

grain trough

1шт.

477-73108

SERRATED SCREW,Sl Truss Hd, 5/16" - 18 x 1/2"

5/16 x 1/2 slt-truss-hd

1шт.

938017R1

FLANGE NUT,Flg, USR, 5/16"-18

5/16 flange lock

1шт.

188471C1

FLANGE NUT,Flg, 5/16"-18

NUT, 5/16 high torque

1шт.

180077

BOLT,Hex, 5/16" - 18 x 3/4", Gr 5

5/16 x 3/4 type 5

1шт.

8

192661C2

TUBE

ASSY, grain trough

1шт.

477-73812

SERRATED SCREW,Truss HD, 3/8" - 16 x 3/4"

3/8 x 3/4 znp slt-truss-hd

1шт.

482256R1

BEARING LOCK NUT,Flg, USR, 3/8"-16

3/8 flange lock

1шт.

9

195073C1

EXTENSION

ASSY, grain auger trough grain and corn-perforated

1шт.

161945C1

SERRATED SCREW,Sl Truss Hd, 5/16" - 18 x 1"

5/16 x 1 znp slt-truss-hd

1шт.

938017R1

FLANGE NUT,Flg, USR, 5/16"-18

5/16 flange lock

1шт.

9

192664C1

CLAMP

ASSY, grain auger trough, non-perforated

1шт.

18474R1

BOLT,Hex, 5/16" - 18 x 1", Gr 2

5/16 x 1 type 1

1шт.

9412083

NUT,5/16"-18, GB

NUT, 5/16 CAD p/t lock type 5

1шт.

10

1319169C1

AUGER

ASSY, grain, 1.250 in. shaft, replaces 191737C1, furnish package 1319978C91 and auger 1319169C1ø, Serial Range: -33285

1шт.

P/N 1319169C1, S5016, converting from 1-1/8" to 1-1/4"

1шт.

22050R1

WASHER

1.281 x 1.750 x .054

1шт.

11

482303R92

BALL BEARING,1.0005" ID x 52 mm OD x 0.84375"

grain auger

2шт.

12

455102R21

COLLAR

W/SET SCREW, grain auger

2шт.

13

180383C91

FLANGED BEARING,3.75" OD x 0.4062"

FLANGE, w/45 deg lub fitting

2шт.

14

937517R1

FLANGE

auger brg grooved

2шт.

135270

SERRATED SCREW,5/16" - 18 x 3/4"

5/16 x 3/4 znp slt-truss-hd

1шт.

938017R1

FLANGE NUT,Flg, USR, 5/16"-18

5/16 flange lock

1шт.

15

188326C1

LID

COVER, grain trough, grain and corn perforated, Serial Range: -15000

1шт.

15

186627C1

COVER

grain trough, corn, perforated, Start Serial: 15001

1шт.

27569R1

SELF-TAP SCREW,Hex Washer, 5/16" - 18 x 1"

SCREW, 5/16 x 1 h/whd tap

1шт.

135270

SERRATED SCREW,5/16" - 18 x 3/4"

5/16 x 3/4 znp slt-truss-hd

1шт.

938017R1

FLANGE NUT,Flg, USR, 5/16"-18

5/16 flange lock

1шт.

16

178801C1

COLLAR

sensor

1шт.

17

178794C1

BRACKET

sensor

1шт.

18

187642C2

COVER

sensor

1шт.

23986R1

SELF-TAP SCREW,Hex Wash Hd, 1/4" x 1/2"

SCREW, SELF TAPPING, Hex Wash Hd, 1/4" x 1/2"

1шт.

1319978C91

PACKAGE

ASSY, clean grain auger, to convert to 1.250 in. diameter auger shaft, replaces 1300725C91, consists of

1шт.

When ordering package 1379978C91 for machines with S/N 33285 and below also order auger 1319978C91

1шт.

1319176C1

SPROCKET ASSY.

SPROCKET, elevator boot, 7T

1шт.

Q1443

KEY,5/16" Sq x 1 1/2", Par

5/16 x 1-1/2 sq-parallel

1шт.

1319181C1

SPACER

32.5 x 38.1 x 54 mm (NSS) instructions

1шт.

Выбрано товаров: 59