Запчасти Case IH 1460 (25-11) - GRAIN AND TAILINGS ELEVATORS, TAILINGS DELIVERY AUGER Elevators

Схема запчастей Case IH 1460 - (25-11) - GRAIN AND TAILINGS ELEVATORS, TAILINGS DELIVERY AUGER Elevators
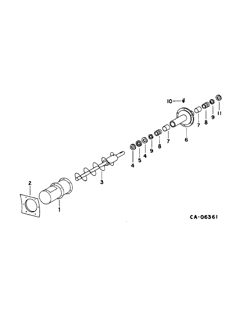
5
1
7
4
4
10
7
8
11
9
3
8
9
6
2
FIT
1:1
100%

Артикул

Название

Примечание

Количество

1

191848C1

TUBE,6.56" Length

ASSY, tailings delivery auger, Serial Range: -1500

1шт.

1

185225C1

TUBE,6.56" Length

ASSY, tailings delivery auger, Start Serial: 1501

1шт.

135270

SERRATED SCREW,5/16" - 18 x 3/4"

5/16 x 3/4 znp slt-truss-hd

1шт.

120376

NUT,5/16"-18, G5

1шт.

80681

LOCK WASHER,5/16"

WASHER, LOCK, 5/16"

1шт.

938017R1

FLANGE NUT,Flg, USR, 5/16"-18

5/16 flange lock

1шт.

2

186700C1

COVER

FLANGE, tailings delivery tube, Start Serial: 1501

1шт.

135270

SERRATED SCREW,5/16" - 18 x 3/4"

5/16 x 3/4 znp slt-truss-hd

1шт.

938017R1

FLANGE NUT,Flg, USR, 5/16"-18

5/16 flange lock

1шт.

3

193225C1

AUGER

ASSY, tailings delivery

1шт.

25847R1

WASHER

1.062 x 2.000 x .209 hdn

1шт.

4

T38017

WASHER,25.45mm ID x 39.42mm OD x 2.41mm Thk

delivery auger thrust

2шт.

5

1324864C91

THRUST BEARING

delivery auger, replaces 368372R91

1шт.

6

192783C1

BEARING HOUSING,2" ID x 8" OD x 6.3"

HUB, distributor auger bearing

1шт.

18474R1

BOLT,Hex, 5/16" - 18 x 1", Gr 2

5/16 x 1 type 1

1шт.

120376

NUT,5/16"-18, G5

1шт.

80681

LOCK WASHER,5/16"

WASHER, LOCK, 5/16"

1шт.

151670C1

SHIM

delivery auger hub

1шт.

7

588997R1

BUSHING,34.99mm ID x 36.55mm OD x 25.27mm L

distributor auger brg

2шт.

8

568029R91

BEARING ASSY,25.4mm ID x 35mm OD x 25.4mm W

BEARING

2шт.

9

564592R91

SEAL,23.5mm ID x 36.6mm OD x 6.5mm Thk

hub

2шт.

10

87569

LUBE NIPPLE,45 Degree, 1/4" NPT x 4/5" L, Drive

FITTING, 1/4-28 45 deg lub

1шт.

11

21162R1

WASHER

1.031 x 2.000 x .164

4шт.

Выбрано товаров: 23