Запчасти Case IH 1460 (07-005) - TRANS. DIFFERENTIAL PINION SHAFT AND GEARS (04) - Drive Train

Схема запчастей Case IH 1460 - (07-005) - TRANS. DIFFERENTIAL PINION SHAFT AND GEARS (04) - Drive Train
4
9
10
2
7
7
3
11
14
8
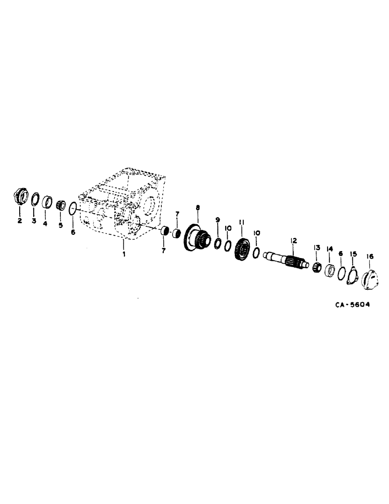
1
16
13
10
6
12
6
15
5
FIT
1:1
100%

Артикул

Название

Примечание

Количество

1

CASE, TRANSMISSION - SEE TRANSMISSION, DIFFERENTIAL SHAFT AND GEARS

1шт.

2

188893C1

BEARING COVER,59.75 mm ID x 101.51 mm OD x 47.5 mm

BEARING CAP L.H.

1шт.

179841

BOLT,Hex, 3/8" - 16 x 1 1/4", Gr 5

1шт.

3

530704R1

THRUST WASHER

WASHER, THRUST

1шт.

4

131312R1

BEARING, CUP DIFFERENTIAL PINION SHAFT

1шт.

5

131311C91

ROLLER BEARING,1.3755" ID x 2.8448" OD x 1"

CONE DIFFERENTIAL PINION SHAFT

1шт.

6

355740R1

O-RING,0.139" Thk x 3.734" ID, -240, Cl 5, 75 Duro

2шт.

7

675708R91

NEEDLE BEARING

SPOOL GEAR

2шт.

8

530699R1

PINION

GEAR, SPOOL - 59, 39, 27T

1шт.

9

401879R1

SPACER,54.1mm ID x 79.2mm OD x 6.28mm L

SPOOL GEAR

1шт.

10

196693H1

RING

CHANGE DRIVEN GEAR SNAP

2шт.

11

406606R1

GEAR

CHANGE DRIVEN - 41T

1шт.

11

130750C1

GEAR

CHANGE DRIVEN - 42T

1шт.

12

401878R1

SHAFT

SHAFT AND GEAR, DIFFERENTIAL - 14T

1шт.

13

ST791

TAPERED BEARING,1.6255" ID x 3.376" OD x 1.202"

ASSY, DIFFERENTIAL PINION SHAFT

1шт.

14

ST951

TAPERED BEARING,1.6255" ID x 3.376" OD x 1.202"

DIFFERENTIAL PINION SHAFT

1шт.

15

401883R1

SHIM

BEARING CAP RETAINER .003

1шт.

15

401884R1

SHIM

BEARING CAP RETAINER .005

1шт.

15

401885R1

SHIM

BEARING CAP RETAINER .007

1шт.

15

184195C1

SHIM

BEARING CAP RETAINER .030

1шт.

16

403363R1

BEARING CAP,73.4 mm ID x 101.5 mm OD x 54.1 mm

CAGE, BEARING CAP R.H.

1шт.

413-622

BOLT,Hex, 3/8" - 16 x 1-3/8", Gr 5

1шт.

Выбрано товаров: 0