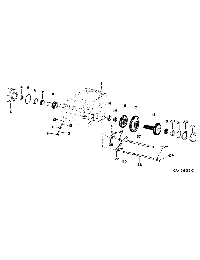
Запчасти Case IH 1460 (07-007) - INPUT PINION SHAFT, GEARS AND SHIFTER RAILS (04) - Drive Train

Схема запчастей Case IH 1460 - (07-007) - INPUT PINION SHAFT, GEARS AND SHIFTER RAILS (04) - Drive Train
25
6
14
26
16
19
2
24
12
3
27
15
22
20
1
28
4
3
8
10
17
13
25
5
18
28
23
7
25
21
11
9
FIT
1:1
100%

Артикул

Название

Примечание

Количество

1

CASE, TRANSMISSION - SEE TRANSMISSION, DIFFERENTIAL SHAFT AND GEARS

1шт.

2

180944C1

HOUSING ASSY.

INPUT

1шт.

179839

BOLT,Hex, 3/8" - 16 x 1", Gr 5

1шт.

3

573985R1

SET SCREW,Sq Hd, 3/8"-24 x 1"

SHIFTER FORK SET

2шт.

114494

NUT,Jam, 3/8"-24, G5

1шт.

4

359950R91

NEEDLE BEARING

NEEDLE

1шт.

5

22291R1

O-RING,0.21" Thk x 4.35" ID, -348, Cl 5, 75 Duro

1шт.

6

130503H

BEARING CUP

INPUT PINION SHAFT

1шт.

7

300426R91

BEARING ASSY,45.618 mm ID x 25.4 mm

ASSY, INPUT PINION SHAFT

1шт.

8

401890R1

SHAFT

INPUT PINION - 26T

1шт.

9

9410358

PLUG

9/16-18 STR THD

2шт.

10

364839R1

O-RING,0.078" Thk x 0.468" ID, -906, Cl 6, 90 Duro

1шт.

11

64600C1

SPRING

GEAR SHIFT LOCK BALL

2шт.

12

17016R1

BALL,1/2" Dia

2шт.

13

17014R1

BALL

7/16 CR-STL

2шт.

14

50213V

BEARING CUP

CUP CHANGE DRIVE SHAFT

1шт.

15

50212VA

ROLLER BEARING,33.35mm ID x 24.01mm W

ASSY, CHANGE DRIVE SHAFT

1шт.

16

184239C1

PINION

GEAR, SET 2ND AND 3RD SLIDING - 26 AND 46T, WITH 18

1шт.

17

401889R1

GEAR

1ST SLIDING - 58T, FOR GRAIN - 32T, FOR CORN AND GRAIN, WITH 16

1шт.

19

290099C91

TAPERED BEARING,39.69mm ID x 22.1mm W

ASSY, INPUT DRIVE SHAFT

1шт.

20

290100C1

BEARING CUP,73.05mm OD x 17.78mm W

CUP INPUT DRIVE SHAFT

1шт.

21

355740R1

O-RING,0.139" Thk x 3.734" ID, -240, Cl 5, 75 Duro

1шт.

22

401883R1

SHIM

BEARING CAP RETAINER .003

1шт.

22

401884R1

SHIM

BEARING CAP RETAINER .005

1шт.

22

401885R1

SHIM

BEARING CAP RETAINER .007

1шт.

22

184195C1

SHIM

BEARING CAP RETAINER .030

1шт.

23

130791C1

BEARING CAP,65.5 mm ID x 101.51 mm OD x 58.7 mm

BEARING RETAINER

1шт.

413-622

BOLT,Hex, 3/8" - 16 x 1-3/8", Gr 5

1шт.

24

477589R1

WASHER

LOWER SHIFT RAIL STOP

1шт.

113-206

BOLT,Hex, 3/8" - 16 x 3/4", Gr 5, Full Thd

1шт.

120382

LOCK WASHER,Helical Spring, 3/8"

Used with item 26 with tapped hole in end

1шт.

24

576517R1

LOCK PIN,1/4" x 1 1/2", Slotted

USED WITH ITEM 26 WITH PIN HOLE NEAR END

1шт.

25

549712R1

OIL SEAL

SHIFTER RAIL OIL

4шт.

26

121658C4

SHAFT

2ND AND 3RD GEAR SHIFTER

1шт.

27

121659C2

SHAFT

1шт.

28

401897R2

FORK

GEAR SHIFTER

2шт.

Выбрано товаров: 36