Запчасти Case IH 1460 (10-011) - HYDROSTATIC MOTOR, DUAL PUMP AND HEADER LIFT, GERMAN REGULATIONS (07) - HYDRAULICS

Схема запчастей Case IH 1460 - (10-011) - HYDROSTATIC MOTOR, DUAL PUMP AND HEADER LIFT, GERMAN REGULATIONS (07) - HYDRAULICS
61
14
37
60
13
16
67
31
44
50
26
73
46
63
21
26
29
26
52
26
9
7
10
71
58
10
64
72
26
62
22
38
38
24
47
35
34
10
75
30
35
41
45
47
49
5
36
51
11
19
27
33
48
56
34
8
12
32
4
55
14
40
15
13
66
38
25
2
13
65
57
26
39
54
6
26
68
17
53
60
43
42
69
23
77
47
30
74
76
18
13
11
3
26
10
8
38
20
1
28
70
59
FIT
1:1
100%

Артикул

Название

Примечание

Количество

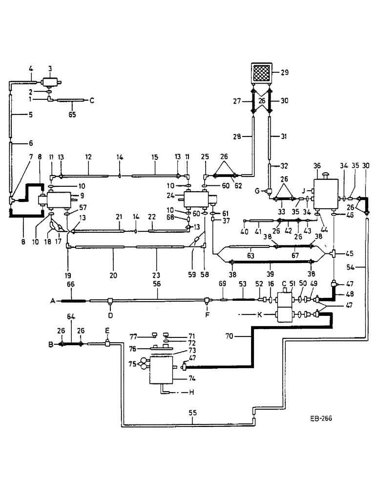
ARTWORK LEGEND FOR A - K

1шт.

2

369384R1

O-RING,0.072" Thk x 0.414" ID, -905, Cl 6, 90 Duro

5/16 OD tube

1шт.

a

CONTROL VALVE PRESSURE

1шт.

b

CONTROL VALVE RETURN

1шт.

c

FOOT-N-INCH RETURN

1шт.

d

FEEDER CLUTCH PRESSURE

1шт.

e

FEEDER CLUTCH RETURN

1шт.

f

SEPARATOR CLUTCH PRESSURE

1шт.

g

SEPARATOR CLUTCH RETURN

1шт.

h

STEERING RETURN

1шт.

j

REEL DRIVE RETURN

1шт.

k

STEERING PUMP PRESSURE

1шт.

1

164596C1

ELBOW

1шт.

3

VALVE ASSY, FOOT-N-INCH, SEE FOOT-N-INCH VALVE

1шт.

4

187730C1

HYD TUBE

FOOT-N-INCH UPPER

1шт.

5

187731C1

TUBE

FOOT-N-INCH CENTRE

1шт.

6

196764C1

HYD TUBE

FOOT-N-INCH LOWER

1шт.

7

9402979

TEE,7/16"-20, 37 Degree

1/4 HYD FLARED 3-WAY C-Z

1шт.

8

175760C1

HOSE ASSY.

FOOT-N-INCH

1шт.

9

MOTOR, HYDROSTATIC - SEE HYDROSTATIC MOTOR

1шт.

10

296247R1

O-RING,16-1, 90 Duro, 1.171" ID x .116" Thk

1" OD TUBE

6шт.

11

595408R1

90 ELBOW

1-5/16 90 DEG X 1 INCH

2шт.

12

196532C2

TUBE

TUBE ASSY, HYDRO DRIVE REVERSE LOWER PRESSURE, WITH 13

1шт.

13

165722C1

SLEEVE

RUBBER - TUBE NUT

4шт.

14

343906R1

O-RING,0.139" Thk x 1.296" ID, -219, Cl 6, 90 Duro

2шт.

15

196528C2

HYD TUBE

TUBE ASSY, HYDRO DRIVE REVERSE UPPER PRESSURE, WITH 13

1шт.

20513R1

NUT

BOLT, 3/8 X 1-1/2

4шт.

123920

LOCK WASHER,3/8"

4шт.

16

364885R1

O-RING,0.097" Thk x 0.755" ID, -910, Cl 6, 90 Duro

5/8 OD TUBE

1шт.

17

163915C1

FITTING

1-5/16-12 37 DEG FLARED

1шт.

18

NOT USED

1шт.

19

9410978

ELBOW,90 Degree, 7/8"-14, 37 Degree x 7/8"-14, O-Ring

7/8-14 37 DEG HYD FLARED 90 DEG, FOR SUNDSTRAND

1шт.

19

9410979

ELBOW,90 Degree, 1 1/16"-12, 37 Degree x 1 1/16"-12, O-Ring

1-1/4-12 37 DEG HYD FLARED 90 DEG, FOR EATON

1шт.

20

196758C1

HYD TUBE

HYDROSTATIC BLEED - LOWER, FOR SUNDSTRAND

1шт.

20

183589C2

TUBE ASSY.

HYDROSTATIC BLEED - LOWER, FOR EATON

1шт.

21

196530C2

TUBE

HYDROSTATIC DRIVE - FORWARD LOWER PRESSURE, WITH 13

1шт.

22

196526C2

TUBE

TUBE ASSY, HYDROSTATIC DRIVE - FORWARD UPPER - PRESSURE, WITH 13

1шт.

23

196759C1

HYD TUBE

HYDROSTATIC BLEED - UPPER, FOR SUNDSTRAND

1шт.

23

183590C1

TUBE ASSY.

HYDROSTATIC BLEED - UPPER, FOR EATON

1шт.

24

PUMP ASSY, SEE HYDROSTATIC PUMP

1шт.

25

387489R91

ELBOW

7/8-14 X 3/4 OD TUBE 90 DEG FLARE, FOR SUNDSTRAND

1шт.

25

387006R91

ELBOW

1-1/16-12 90 DEG HYD FLARED, FOR EATON

1шт.

26

122316R91

HOSE CLAMP,#12, 0.69/1.25 Type F Worm

HOSE

12шт.

27

HOSE, HYDRO PUMP TO OIL COOLER - 18 IN. - FROM BULK LENGTH

1шт.

180719C1

HOSE

BULK LENGTH - 25 FT

1шт.

28

183381C1

TUBE ASSY, HYD PUMP TO OIL COOLER

1шт.

29

COOLER ASSY, OIL, SEE OIL COOLER

1шт.

30

HOSE, RESERVOIR TO OIL COOLER AND HEADER LIFT RETURN - 18 IN. OF 3/4 ID HYD HOSE FROM BULK LENGTH

2шт.

180720C1

HOSE

BULK LENGTH - 25 FT

1шт.

31

183830C1

HYD TUBE

RESERVOIR TO OIL COOLER

1шт.

32

196762C1

HYD TUBE

RESERVOIR TO OIL COOLER

1шт.

33

HOSE, RESERVOIR TO OIL COOLER - 15 IN. OF 3/4 ID HYD HOSE FROM BULK LENGTH

1шт.

180720C1

HOSE

BULK LENGTH - 25 FT

1шт.

34

O-RING - SEE HYDRAULIC RESERVOIR

1шт.

35

FITTING, RETURN AND COOLER - SEE HYDRAULIC RESERVOIR

1шт.

36

RESERVOIR ASSY, HYDRAULIC - SEE HYDRAULIC RESERVOIR

1шт.

37

387488R1

CONNECTOR, ELEC

CONNECTOR 7/8-14 X 3/4 HYD TUBE REDUCER, FOR SUNDSTRAND

1шт.

37

9410207C1

CONNECTOR, 1 IN HYD TUBE SHORT SWIVEL, FOR EATON

1шт.

38

333710R91

HOSE CLAMP,#16, 0.81/1.50 Type F Worm

SWITCH MOUNTING, SUCTION HOSE, FOR SUNDSTRAND

4шт.

38

27724R1

HOSE CLAMP,#24, 1.06/2.00 Type F Worm, W/liner

SUCTION HOSE, FOR EATON

4шт.

39

HOSE, CHARGE SUCTION - 24.5 IN. OF 3/4 ID HOSE FROM BULK LENGTH

1шт.

180721C1

HOSE

BULK LENGTH - 25 FT

1шт.

40

9403373

CAP,37 Degree, 7/8"-14

5/8 TUBE C-Z

1шт.

41

187822C1

HYD TUBE,5/8" OD, 14, 1.2" Length

ASSY, RESERVOIR DRAIN

1шт.

42

HOSE, RESERVOIR DRAIN - 15 IN. OF 5/8 ID HOSE FROM BULK LENGTH

1шт.

180719C1

HOSE

BULK LENGTH - 25 FT

1шт.

43

FITTING - SEE HYDRAULIC RESERVOIR

1шт.

44

O-RING, - SEE HYDRAULIC RESERVOIR

1шт.

45

1301300C1

TEE

CHARGE PUMP SUCTION, FOR SUNDSTRAND

1шт.

45

1301506C1

TEE

CHARGE PUMP SUCTION, FOR EATON

1шт.

46

301016R1

O-RING,0.118" Thk x 1.720" ID, -924, Cl 6, 90 Duro

1/2 OD TUBE

1шт.

47

27724R1

HOSE CLAMP,#24, 1.06/2.00 Type F Worm, W/liner

HEADER LIFT SUCTION HOSE

4шт.

48

1322027C1

HOSE

HEADER LIFT SUCTION

1шт.

49

3168900R2

CONNECTOR, ELEC

CONNECTOR

2шт.

933833R1

LOCK WASHER,M6

8шт.

930638R1

SCREW,M6 x 20mm

M6 X 20 SOCK HD CAP

8шт.

50

3057400R1

O-RING,2.5mm Thk x 24mm ID, 70 Duro

2шт.

51

1311048C91

PUMP, HYDRAULIC

ASSY, DUAL

1шт.

52

1311049R1

UNION, PRESSURE DISTRIBUTOR

1шт.

933833R1

LOCK WASHER,M6

4шт.

930638R1

SCREW,M6 x 20mm

M6 X 20 SOCK HD CAP

4шт.

53

1322043C1

HOSE

HEADER LIFT PRESSURE

1шт.

54

196743C1

TUBE ASSY.

HEADER LIFT RETURN REAR

1шт.

55

196744C1

HYD TUBE

TUBE ASSY, HEADER LIFT RETURN FRONT

1шт.

56

196747C1

HYD TUBE

TUBE ASSY, HEADER LIFT PRESSURE

1шт.

57

364885R1

O-RING,0.097" Thk x 0.755" ID, -910, Cl 6, 90 Duro

5/8 OD TUBE, FOR SUNDSTRAND

1шт.

57

368269R1

O-RING,0.116" Thk x 0.924" ID, -912, Cl 6, 90 Duro

3/4 OD TUBE, FOR EATON

1шт.

58

9410978

ELBOW,90 Degree, 7/8"-14, 37 Degree x 7/8"-14, O-Ring

5/8 FLARED ADJ 90 DEG C-Z, FOR SUNDSTRAND

1шт.

59

9410205

HYD CONNECTOR,1 1/16"-12, 37 Degree x 1 1/16"-12, O-Ring

3/4, FOR EATON

1шт.

60

364885R1

O-RING,0.097" Thk x 0.755" ID, -910, Cl 6, 90 Duro

5/8 OD TUBE, FOR SUNDSTRAND

2шт.

60

368269R1

O-RING,0.116" Thk x 0.924" ID, -912, Cl 6, 90 Duro

3/4 OD TUBE, FOR EATON

2шт.

61

364885R1

O-RING,0.097" Thk x 0.755" ID, -910, Cl 6, 90 Duro

5/8 OD TUBE, FOR SUNDSTRAND

1шт.

61

296247R1

O-RING,16-1, 90 Duro, 1.171" ID x .116" Thk

1" OD TUBE, FOR EATON

1шт.

62

HOSE, HYDRO PUMP TO OIL COOLER - 7 IN. OF 3/4 ID HOSE FROM BULK LENGTH

1шт.

180720C1

HOSE

BULK LENGTH - 25 FT

1шт.

63

183593C1

HYD TUBE

CHARGE SUCTION, FOR EATON

1шт.

64

HOSE, HEADER LIFT RETURN - 7 IN. OF 3/4 ID HOSE FROM BULK LENGTH

1шт.

180720C1

HOSE

BULK LENGTH - 25 FT

1шт.

65

1311055C1

TUBE ASSY.

FOOT-N-INCH RETURN

1шт.

183825C1

CLAMP

1шт.

86977786

BOLT,Hex, M6 x 1 x 25mm, Cl 8.8

1шт.

3174964R1

LOCK NUT

M6 FLANGE LOCK

1шт.

66

156436C1

HOSE ASSY, CONTROL VALVE

1шт.

67

183601R1

HOSE, CHARGE SUCTION - 14 IN., FOR EATON

1шт.

68

163915C1

FITTING

1-5/16 37 DEG FLARED

1шт.

69

9410282

ELBOW,90 Degree, 7/8"-14, 37 Degree x 7/8"-14, 37 Degree Fem Sw

90 DEG SWIVEL 5/8 FLARED

1шт.

70

1322028C1

HOSE

STEERING SUCTION

1шт.

71

1405836R1

PLUG

1шт.

72

372764R1

O-RING,0.103" Thk x 1.11" ID, -122, Cl 5, 75 Duro

1шт.

73

3174713C1

SEAL, COVER

1шт.

74

1272967C91

TANK

ASSY, HYD OIL - STEERING

1шт.

75

1272971C1

ELECTRICAL GAUGE

OIL SIGHT

2шт.

76

1272972C91

COVER ASSY

1шт.

3170245R1

SEAL

8шт.

628-8020

BOLT,Hex, M8 x 20, 10.9, Full Thd

8шт.

77

923745C91

BREATHER ASSY.

1шт.

Выбрано товаров: 116