Запчасти Case IH 1460 (10-035) - HYDROSTATIC PUMP, VALVE BLOCK, SUNDSTRAND (07) - HYDRAULICS

Схема запчастей Case IH 1460 - (10-035) - HYDROSTATIC PUMP, VALVE BLOCK, SUNDSTRAND (07) - HYDRAULICS
19
19
15
13
7
9
14
20
7
12
3
4
2
11
22
1
18
8
23
16
19
21
9
10
11
14
12
6
17
15
13
5
FIT
1:1
100%

Артикул

Название

Примечание

Количество

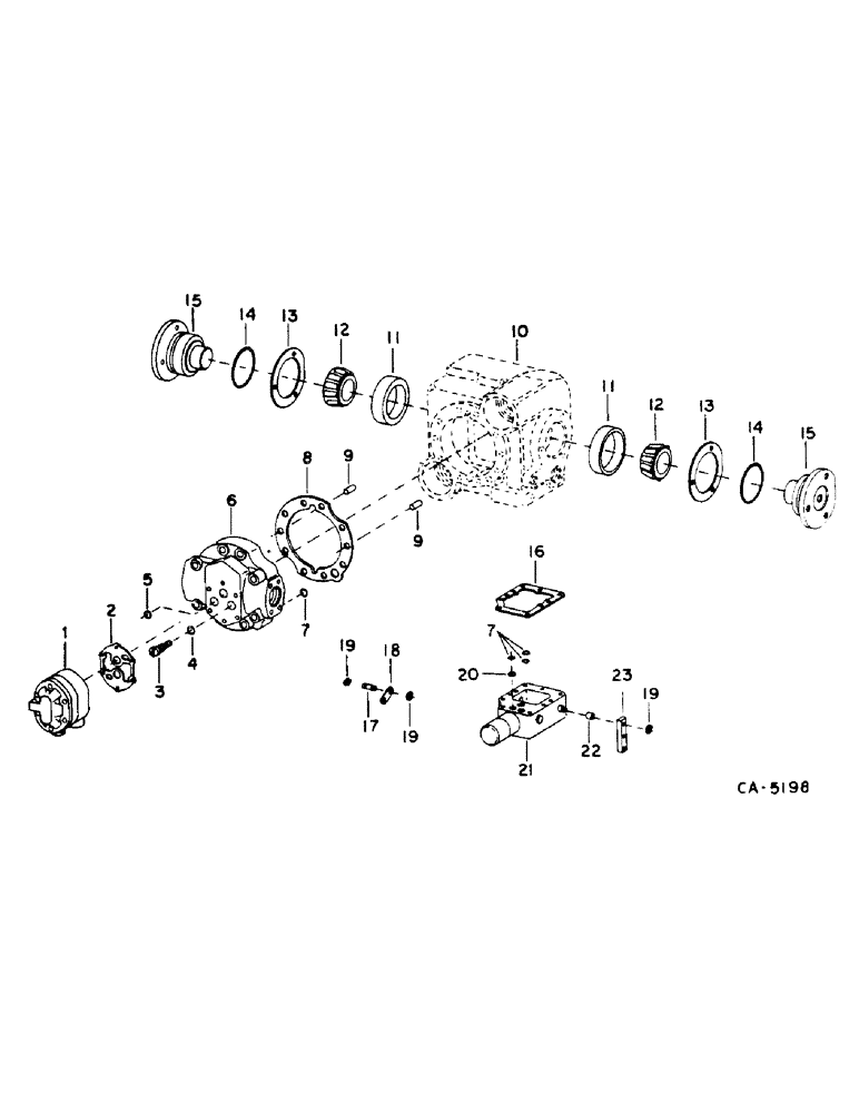
1

404777R92

PUMP, HYDRAULIC

ASSY, HYD CHARGE R.H., WITH 5

1шт.

179809

BOLT,Hex, 1/4" - 20 x 3", Gr 5

1шт.

385180R1

WASHER

9/32 X 1/2 X .065

1шт.

2

533858R1

GASKET

CHARGE PUMP

1шт.

3

394238R91

VALVE

ASSY, CHARGE PUMP CHECK

2шт.

4

371544R1

O-RING,0.07" Thk x 0.551" ID, -15, Cl 5, 75 Duro

2шт.

5

364885R1

O-RING,0.097" Thk x 0.755" ID, -910, Cl 6, 90 Duro

5/8 TUBE

1шт.

6

530733R1

CAP

TRANSMISSION PUMP REAR END

1шт.

179867

BOLT,Hex, 7/16" - 14 x 2 1/4", Gr 5

1шт.

179871

BOLT,Hex, 7/16" - 14 x 3 1/4", Gr 5

1шт.

61252H

WASHER

.469 X .750 X .105 PLN

1шт.

7

382997R1

O-RING,0.07" Thk x 0.489" ID, -14, Cl 6, 90 Duro

1шт.

8

504147R1

GASKET, TRANSMISSION PUMP REAR END COVER

1шт.

9

21061R1

DOWEL,3/8" x 1/2"

4шт.

10

HOUSING, TRANSMISSION PUMP, SEE HYDROSTATIC PUMP

1шт.

11

ST977

TAPERED BEARING,1.7715" ID x 3.277" OD x 0.9575"

SWASHPLATE CUP

2шт.

12

ST2118

TAPERED BEARING,1.75" ID x 3.27" OD x 0.9375"

ASSY, SWASHPLATE

2шт.

13

405144R1

SHIM

GASKET, SET SWASHPLATE BEARING TRUNNION

1шт.

14

254091R1

O-RING,0.139" Thk x 2.734" ID, -232, Cl 5, 75 Duro

2-3/4 X 3 X 1/8

2шт.

15

405143R1

TRUNNION

SWASHPLATE BEARING

2шт.

413-716

BOLT,Hex, 7/16" - 14 x 1", Gr 5

1шт.

61252H

WASHER

.469 X .750 X .105 PLN

1шт.

16

394237R2

GASKET

CONTROL VALVE HOUSING

1шт.

17

394215R1

PIN

CONTROL VALVE LINK FRONT

1шт.

18

128030C1

LINK

CONTROL VALVE

1шт.

19

21346R1

SNAP RING,#25, Ext, E-Type

CONTROL VALVE LINK

6шт.

20

394219R1

PLUG

CONTROL VALVE ORIFICE

1шт.

21

VALVE, CONTROL - SEE CONTROL VALVE HYD TRANSMISSION PUMP

1шт.

22

404783R1

SPACER

CONTROL VALVE HANDLE

1шт.

114501

JAM NUT,Jam, 1/4"-20, G5

1шт.

493-41026

LOCK WASHER,Ext Tooth, 1/4"

1шт.

23

404782R1

HANDLE

CONTROL VALVE SHAFT

1шт.

Выбрано товаров: 32