Запчасти Case IH 1460 (10-038) - CONTROL VALVE, HYDROSTATIC PUMP, SUNDSTRAND (07) - HYDRAULICS

Схема запчастей Case IH 1460 - (10-038) - CONTROL VALVE, HYDROSTATIC PUMP, SUNDSTRAND (07) - HYDRAULICS
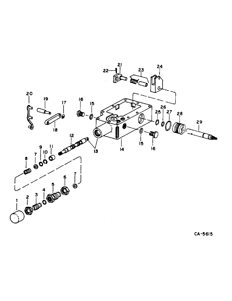
20
28
22
29
25
18
24
15
5
13
3
17
1
12
23
7
2
26
11
8
14
6
7
16
4
27
16
21
15
10
9
19
FIT
1:1
100%

Артикул

Название

Примечание

Количество

142880C91

VALVE

ASSY, CONTROL - REPLACES 128027C91 - WITH 1 - 29

1шт.

1

400546R1

COVER

CENTERING SPRING HOUSING

1шт.

2

219758

JAM NUT,Jam, 3/4"-10, G5

1шт.

3

394224R1

SCREW,Sl, 3/4" - 16 x 1.56"

SPARE PART CENTERING SPRING ADJUSTING

1шт.

4

364840R1

O-RING,0.07" Thk x 0.801" ID, -19, Cl 5, 75 Duro

SPRING ADJUSTING SCREW

1шт.

5

394222R1

HOUSING

CENTERING SPRING

1шт.

6

394223R1

LOCK NUT

CENTERING SPRING HOUSING

1шт.

7

527553R1

SPRING WASHER

CENTERING SPRING

2шт.

8

527554R1

SPRING

CENTERING

1шт.

9

370920R1

O-RING,1/2" ID

CENTERING SPRING HOUSING

1шт.

10

233045R1

SNAP RING,#25, Ext, Crescent

Spring adjusting screw

1шт.

11

394227R1

SLEEVE

CENTERING SPRING

1шт.

12

VALVE, SPOOL - NOT AVAILABLE SEPARATELY, ORDER 533856R1

1шт.

13

533856R1

VALVE

KIT, CONTROL AND SPOOL

1шт.

413-436

BOLT,Hex, 1/4" - 20 x 2-1/4", Gr 5

1шт.

385180R1

WASHER

9/32 X 1/2 X .065

1шт.

14

VALVE, HOUSING - NOT AVAILABLE SEPARATELY, ORDER 533856R1

1шт.

15

369751R1

O-RING,0.072" Thk x 0.351" ID, -904, Cl 6, 90 Duro

1/4 OD tube

2шт.

16

9410356

PLUG

7/16-20 STR THD O-RING BOSS

2шт.

17

21346R1

SNAP RING,#25, Ext, E-Type

CONTROL VALVE LINK

1шт.

18

128029C1

CONNECTOR, ELEC

CONNECTOR CONTROL VALVE LINK

1шт.

19

406905R1

PIN

CONTROL VALVE HANDLE SHAFT LINK

1шт.

20

128028C1

LINK ASSY.

CONTROL VALVE

1шт.

21

394232R1

ARM

CONTROL VALVE SPRING

1шт.

22

18518R1

LOCK PIN,1/8" x 1", Slotted

1шт.

23

71923C91

KIT

ASSY, SLEEVE AND SPRING

1шт.

24

406903R1

LINK

CONTROL VALVE HANDLE SHAFT

1шт.

25

235529R1

SNAP RING,#50, Ext, Crescent

Control valve handle

1шт.

26

379365R1

O-RING,0.07" Thk x 0.364" ID, -12, Cl 6, 90 Duro

CONTROL VALVE HANDLE SHAFT

1шт.

27

23178R1

O-RING,0.07" Thk x 1.051" ID, -23, Cl 5, 75 Duro

1шт.

28

404711R1

BUSHING

CONTROL SHAFT

1шт.

29

394228R1

SHAFT

CONTROL VALVE HANDLE

1шт.

Выбрано товаров: 32